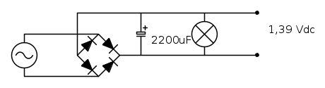
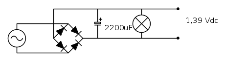
Si ponte di diodi e condensatore da 2200uF....
Le misure le ho fatte come mi hai detto tu, proverò a fare le misure usando la lampadina da 15W...Le misure non so più che santi chiamare per farle...
Il consumo del GPS è 80mA cosi mi pareva aver letto da qualche parte.. poco ci vuole a fare una misura...
Elevare tensione su Vespa 50 Special
Moderatori:
carloc,
g.schgor,
BrunoValente,
IsidoroKZ
0
voti
Ciao a tutti le misure con il diodo non le ho ancora fatte... come saprete gia mi sto concentrando su un altro progetto che sto mandando avanti grazie all'aiuto vostro!! Nel frattempo sto formulando un'altra idea...
Per ora sto in stand-by... grazie mille a tutti per l'aiuto fino a qua.
Per ora sto in stand-by... grazie mille a tutti per l'aiuto fino a qua.
0
voti
Ok dopo aver finito l'altro progetto continuo con questo fino alla completa riuscita...
Ho rifatto tutte le misure... e vi allego immagini e schemi in modo che possiate controllare se vada tutto bene...
Questa volta ho usato una lampadina da 20w 6 volt...
Prima misura: tensione alternata con luci accese!!
continuiamo...
Seconda misura: corrente alternata:
Terza misura:
Tensione continua con lampada (20W) dopo il radrizzatore:
Quarta e per ora ultima misura:
Corrente in continua con lampada dopo il raddrizzatore:
3 allegati max per post se dite ve la mando ma non penso sia necessario.
Spero che ora non ci siano dubbi...
Pensavo inoltre di fare altre misure con un diodo schottky, e altre 2 misure con la lampada da 20 W prima del diodo e un carico fittizio di pochi W dopo quest'ultimo e per ultima come consigliava marco farò un paio di misure tensione corrente con la lampada da 15 watt che stranamente è scoppiata... L'ho fatta cambiare la settimana scorsa quando ho portato la vespa a sistemare!!! BOOO...
PS- le misure sono state fatte a motore al minimo...
pensavo inoltre di utilizzare un step-up dc-dc prima di quello che ho comprato in modo da portarmi i pochi volt in continua, ad esempio a 5vdc e poi mandarli all'altro circuito in modo da caricare la batteria con corrente e tensione giusta..
Inolte ho fatto altre due misure di tensione continua ed alternata con luci spente se le volete le posto!!
Ho rifatto tutte le misure... e vi allego immagini e schemi in modo che possiate controllare se vada tutto bene...
Questa volta ho usato una lampadina da 20w 6 volt...
Prima misura: tensione alternata con luci accese!!
continuiamo...
Seconda misura: corrente alternata:
Terza misura:
Tensione continua con lampada (20W) dopo il radrizzatore:
Quarta e per ora ultima misura:
Corrente in continua con lampada dopo il raddrizzatore:
3 allegati max per post se dite ve la mando ma non penso sia necessario.
Spero che ora non ci siano dubbi...
Pensavo inoltre di fare altre misure con un diodo schottky, e altre 2 misure con la lampada da 20 W prima del diodo e un carico fittizio di pochi W dopo quest'ultimo e per ultima come consigliava marco farò un paio di misure tensione corrente con la lampada da 15 watt che stranamente è scoppiata... L'ho fatta cambiare la settimana scorsa quando ho portato la vespa a sistemare!!! BOOO...
PS- le misure sono state fatte a motore al minimo...
pensavo inoltre di utilizzare un step-up dc-dc prima di quello che ho comprato in modo da portarmi i pochi volt in continua, ad esempio a 5vdc e poi mandarli all'altro circuito in modo da caricare la batteria con corrente e tensione giusta..
Inolte ho fatto altre due misure di tensione continua ed alternata con luci spente se le volete le posto!!
0
voti
Penso che l'unica prova utile da farsi sia quella di andare a comprare uno schottky e metterlo nel circuito collegando poi l'uscita di quest'ultimo con lo step-up che hai comprato. Dovrai fare questa prova con le luci accese (prima lampada grande poi piccola) ed il motore al minimo.
Vediamo cosa si riesce ad ottenere il uscita dallo step-up.
Vediamo cosa si riesce ad ottenere il uscita dallo step-up.
marco
0
voti
Partendo dai fili che vengono dalla moto, prima un diodo schottky, poi il condensatore e per ultima la lampada.
Prendi la misura in cc sui capi del condensatore.
Prendi la misura in cc sui capi del condensatore.
marco
0
voti
Eccomi qua!! il diodo in questione è questo:B 1060...
Mi è costato una fortuna e non vorrei fare cazzate!!! mi potete gentilmente fare uno schema per il collegamento?? non perche non so come farlo ma per il semplice fatto di fare qualche cazzata e buttare al vento un sacco di soldi per un diodo!!!
Mi è costato una fortuna e non vorrei fare cazzate!!! mi potete gentilmente fare uno schema per il collegamento?? non perche non so come farlo ma per il semplice fatto di fare qualche cazzata e buttare al vento un sacco di soldi per un diodo!!!
Chi c’è in linea
Visitano il forum: Nessuno e 117 ospiti

Elettrotecnica e non solo (admin)
Un gatto tra gli elettroni (IsidoroKZ)
Esperienza e simulazioni (g.schgor)
Moleskine di un idraulico (RenzoDF)
Il Blog di ElectroYou (webmaster)
Idee microcontrollate (TardoFreak)
PICcoli grandi PICMicro (Paolino)
Il blog elettrico di carloc (carloc)
DirtEYblooog (dirtydeeds)
Di tutto... un po' (jordan20)
AK47 (lillo)
Esperienze elettroniche (marco438)
Telecomunicazioni musicali (clavicordo)
Automazione ed Elettronica (gustavo)
Direttive per la sicurezza (ErnestoCappelletti)
EYnfo dall'Alaska (mir)
Apriamo il quadro! (attilio)
H7-25 (asdf)
Passione Elettrica (massimob)
Elettroni a spasso (guidob)
Bloguerra (guerra)






