buona sera a tutti, dovrei rappresentare uno schemafunzionale di un comando di un nastro trasportatore con arresto mediante finecorsa con relativa lampada.
ho provato a rappresentarlo con fidocadj e vi chiedo se possibile di correggermi in cio che ho sbagliato. grazie
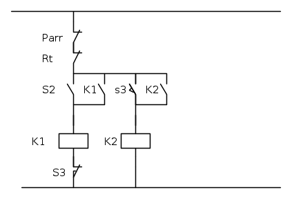
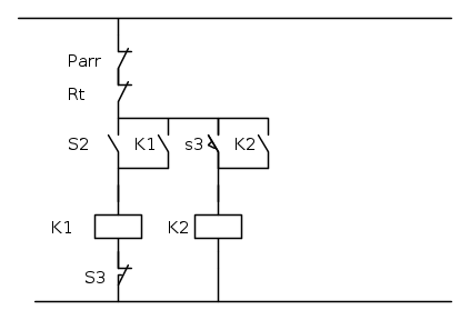
qui Parr serve ad arrstare tutto il circuito; rt è il rele termico. s2 pulsante di marcia che avvia il nastro trasportatore, s3 è il finecorsa.
k1 è la bobina del motore, mentre k2 serve a garantire un autoritenuta alla lampada, che qui non ho collegato essendo leggermente di fretta. l'autoritenuta della lampada servirebbe in quanto una volta toccato il fine corsa il nastro trasportatore rimane fermo con anche la lampada accesa...lo scopo e solo didattico... spero sia abbastanza chiaro e soprattutto spero sia corretto. attendo le vostre, e intanto vi ringrazio.
Correzione schema funzionale
Moderatori:
sebago,
MASSIMO-G,
lillo,
Mike
7 messaggi
• Pagina 1 di 1
0
voti
0
voti
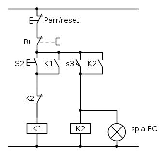
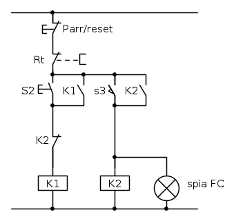
Lo schema è elementare e non è ben chiaro
il perché serve il relè di autoritenuta K2.
Non si vede infatti come il nastro possa muoversi
una volta raggiunto il finecorsa S3.
il perché serve il relè di autoritenuta K2.
Non si vede infatti come il nastro possa muoversi
una volta raggiunto il finecorsa S3.
0
voti
vi ringrazio per le risposte. mi scuso per la poca chiarezza. autoritenuta k2: l'ho inserita per mantenere la lampada accesa. il nastro trasportatore non deve ripartire....l'abbiamo fatto a scuola solo a scopo didattico. il nastro parte, tocca il finecorsa e arrestandosi accende una lampada...e si ferma lì.
a scuolal'ho eseguito seguendo lo schema fatto da me ed era funzionante...evidentemente ho sbagliato nell'esprimermi...fatemi sapere se vi ritrovate con quel che dico...problema risolto comunque grazie buona giornata a tutti!
a scuolal'ho eseguito seguendo lo schema fatto da me ed era funzionante...evidentemente ho sbagliato nell'esprimermi...fatemi sapere se vi ritrovate con quel che dico...problema risolto comunque grazie buona giornata a tutti!
0
voti
credo che è come se avessimo simulato che ci fosse qualcosa sul nastro che toccasse il finecorsa...comunque è tutto a scopo didattico...è palese che in se non vuol dire nulla
0
voti
Diciamo che si chiama sbandometro; (ce ne sono tanti lungo il nastro, inoltre c'è anche lo stop di emergenza, che si può attivare con lo strappo di una funicella dall'operatore, tutto collegati in serie.).simulato che ci fosse qualcosa sul nastro che toccasse il finecorsa
-

StefanoSunda
2.880 3 6 10 - Master

- Messaggi: 1962
- Iscritto il: 16 set 2010, 19:29
7 messaggi
• Pagina 1 di 1
Torna a Impianti, sicurezza e quadristica
Chi c’è in linea
Visitano il forum: Nessuno e 191 ospiti

Elettrotecnica e non solo (admin)
Un gatto tra gli elettroni (IsidoroKZ)
Esperienza e simulazioni (g.schgor)
Moleskine di un idraulico (RenzoDF)
Il Blog di ElectroYou (webmaster)
Idee microcontrollate (TardoFreak)
PICcoli grandi PICMicro (Paolino)
Il blog elettrico di carloc (carloc)
DirtEYblooog (dirtydeeds)
Di tutto... un po' (jordan20)
AK47 (lillo)
Esperienze elettroniche (marco438)
Telecomunicazioni musicali (clavicordo)
Automazione ed Elettronica (gustavo)
Direttive per la sicurezza (ErnestoCappelletti)
EYnfo dall'Alaska (mir)
Apriamo il quadro! (attilio)
H7-25 (asdf)
Passione Elettrica (massimob)
Elettroni a spasso (guidob)
Bloguerra (guerra)









