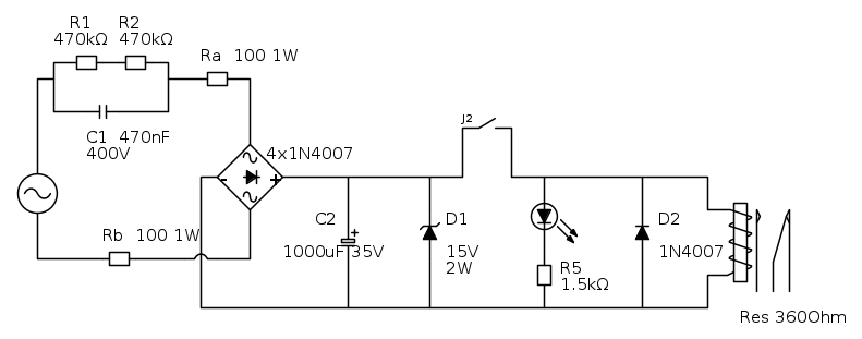
kiske ha scritto:Grazie! Adesso posso mettere il condensatore C2 corretto da 1000uF (anche se non mi è chiaro perché prima non potevo metterlo e dovevo stare sotto i 17uF)... ...Mi è comunque venuto il dubbio di partire dal presupposto sbagliato...

Moderatori:
carloc,
g.schgor,
BrunoValente,
IsidoroKZ
kiske ha scritto:Grazie! Adesso posso mettere il condensatore C2 corretto da 1000uF (anche se non mi è chiaro perché prima non potevo metterlo e dovevo stare sotto i 17uF)... ...Mi è comunque venuto il dubbio di partire dal presupposto sbagliato...





kiske ha scritto:Scusatemi, la mia ignoranza in ambito elettronico è abnorme...![]()
kiske ha scritto:Pensavo che partendo dalle mie (scarse) nozioni basilari, e partendo con una simulazione avrei potuto imparare qualcosa... Ma evidentemente non è così semplice... Proprio per questo chiedo aiuto a voi...![]()
kiske ha scritto:Lo schema originale è stato assemblato ed è stato messo in pratica da Rafal, il quale lo sta utilizzando, quindi ritenevo corretto considerarlo come funzionante "as-is". Poi eventuali migliorie ben vengano...
kiske ha scritto:Ad ogni modo provo a fare "i compiti" da solo, e a mettermi sotto per ristudiare meglio le basi... Appena sarò in grado di porre domande senza farvi perdere tempo, tornerò con tali quesiti...


PietroBaima ha scritto:kiske ha scritto:Scusatemi, la mia ignoranza in ambito elettronico è abnorme...![]()
anche la mia...



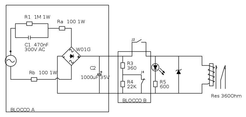
kiske ha scritto:1) So non ho capito male dal "blocco A" dovrei avere in uscita 12VDC "stabilizzati" dal condensatore C2 (Quello che c'è prima del ponte è stato messo solo per evitare l'eventuale spazio che avrebbe portato via un semplice trasformatore?)
kiske ha scritto:2) Chiudendo lo switch NA J2, dovrebbe scattare il relè ed accendersi il LED.
kiske ha scritto:3) R5 ed il LED non dovrebbero essere invertiti? Io ho calcolato 600 Ohm, partendo dal presupposto di avere una tensione di 12 V e di volere una corrente di 20mA nel LED. Sempre nel disegno originale R5 riporta la scritta: 2K2 (erroneamente da me imputata 22K nello schema iniziale). In definitiva sono corretti i 600 Ohm?
kiske ha scritto:4) L'aggiunta di Rb che vantaggi porta?
kiske ha scritto:5) Aggiungendo J2 e J4, con J4 che si apre quando si chiude J2, R3 e R4 adesso hanno un senso...![]()
kiske ha scritto:Vi ringrazio in anticipo!
(= prego)

kiske ha scritto: Non riesco a capire se è un errore mio nell'utilizzo del simulatore...

se sei un principiante non è che hai scelto un circuito semplice semplice da analizzare Visitano il forum: Nessuno e 133 ospiti