Filtro Band Pass per segnale audio
Moderatori:
carloc,
g.schgor,
BrunoValente,
IsidoroKZ
46 messaggi
• Pagina 2 di 5 • 1, 2, 3, 4, 5
2
voti
Credo che il tuo tentativo con l'inseguitore di tensione
non abbia funzionato perché probabilmente hai usato
un'alimentazione singola.
Prova con l'alimentazione duale (oppure il segnale va polarizzato)
non abbia funzionato perché probabilmente hai usato
un'alimentazione singola.
Prova con l'alimentazione duale (oppure il segnale va polarizzato)
0
voti
simo85 ha scritto:Dimenticavo. Grazie per il PDF.
Ma figurati, semmai grazie mille a te per tutti i consigli!
Purtroppo però, data la mia scarsa preparazione sugli argomenti, faccio fatica a seguire bene la tua spiegazione.
Non riesco ad inquadrare bene cosa tu intenda con "specifiche". Agendo sul valore dei componenti io posso regolare la f0 e la Q e mi pareva che questo fosse tutto ciò che mi serviva per il progetto di questo filtro...anche perché ho studiato (e riletto adesso) il capitolo del libro e purtroppo non parla d'altro
Scusami, tanto per capire, che specifiche risulterebbero dai valori dei componenti che ho utilizzato?
g.schgor ha scritto:Credo che il tuo tentativo con l'inseguitore di tensione
non abbia funzionato perché probabilmente hai usato
un'alimentazione singola.
Prova con l'alimentazione duale (oppure il segnale va polarizzato)
Ah ecco! Ti ringrazio, appena termino gli esperimenti con questo filtro attivo ricostruisco la configurazione con l'inseguitore di tensione e riprovo!
2
voti
Tricka90 ha scritto:devo "alzare" il terminale
Attenzione , perché se polarizzi il segnale,
hai in uscita una componente continua (che l'altoparlante
non gradisce, se non interponi un condensatore).
3
voti
Scusa
Tricka90, mi sa tanto che hai messo il carro davanti ai buoi
: il filtro attivo realizzato con l'LM358 va prima dell'ampli, non dopo.
L'LM386 è adatto a pilotare l'altoparlante, invece l'LM358 assolutamente no, inoltre come ha già detto
g.schgor, devi polarizzare l'LM358 in modo da avere la tensione della sua uscita a metà di quella di alimentazione, di conseguenza dovrai accoppiare l'uscita dell'LM358 con l'ingresso dell'LM386 tramite un condensatore.
L'LM386 è adatto a pilotare l'altoparlante, invece l'LM358 assolutamente no, inoltre come ha già detto
-

BrunoValente
39,6k 7 11 13 - G.Master EY

- Messaggi: 7796
- Iscritto il: 8 mag 2007, 14:48
1
voti
Tricka90 ha scritto:Non riesco ad inquadrare bene cosa tu intenda con "specifiche".
Per specifiche intendo i requisiti di cui hai bisogno per il filtro, come per esempio la banda e la attenuazione di banda. Comunque io non sono bravo a spiegare questi concetti quindi non voglio confonderti ulteriormente le idee.
Farei solo un danno.
Tricka90 ha scritto:che specifiche risulterebbero dai valori dei componenti che ho utilizzato?
Probabilmente ho sbagliato a fare i conti pero a me i risultati non vengono quelli che hai postato in 8.
Tricka90 ha scritto:Tuttavia se tu mi volessi consigliare qualche lettura che mi aiuterà te ne sarò grato
Un libro su cui puoi trovare molte informazioni è quello messo a disposizione dalla Analog Devices, Op Amp Application Handbook.
Un libro più dedicato è questo.
Tra l'altro, potrebbe interessarti dare un' occhiata qui.
0
voti
Innanzitutto grazie mille dei consigli, gentilissimi come sempre
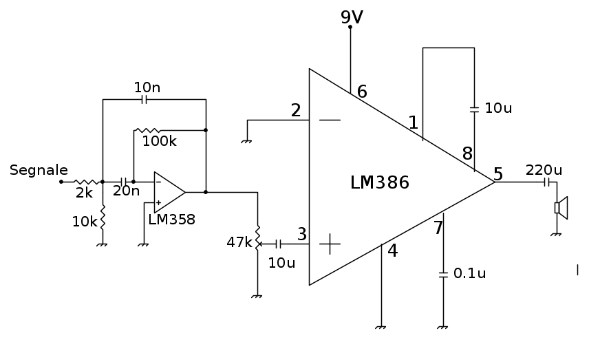
In primis vediamo un attimo di rimettere i buoi davanti al carro, accoppiandoli con un C (da 10uF), come consigliato da
BrunoValente e da
g.schgor:
Inoltre ho sostituito la resistenza da 2K con una da 10K, come consigliato da
MavKtr.
Dite che così dovrebbe andare?
Chiedo scusa, sono stato proprio stupido a montare il tutto senza guardare le specifiche del LM358, che in uscita eroga poche decine di mA. Al contrario l'LM386, a giudicare dalla Output Power, arriva a qualche centinaio di mA se ho fatto bene i calcoli!
Grazie
simo85 per tutti i link, adesso posso approfondire questo bell'interessante discorso sui filtri!
Grazie a tutti, fatemi sapere cosa ne pensate del circuito in questa configurazione, così domani lo provo e vi dico!
In primis vediamo un attimo di rimettere i buoi davanti al carro, accoppiandoli con un C (da 10uF), come consigliato da
Inoltre ho sostituito la resistenza da 2K con una da 10K, come consigliato da
Dite che così dovrebbe andare?
BrunoValente ha scritto:L'LM386 è adatto a pilotare l'altoparlante, invece l'LM358 assolutamente no
Chiedo scusa, sono stato proprio stupido a montare il tutto senza guardare le specifiche del LM358, che in uscita eroga poche decine di mA. Al contrario l'LM386, a giudicare dalla Output Power, arriva a qualche centinaio di mA se ho fatto bene i calcoli!
Grazie
Grazie a tutti, fatemi sapere cosa ne pensate del circuito in questa configurazione, così domani lo provo e vi dico!

1
voti
con lo schema siffatto ti garantisco che non funzionerà.
-

ANDREA2013
887 3 6 - Utente disattivato per decisione dell'amministrazione proprietaria del sito
- Messaggi: 710
- Iscritto il: 16 lug 2013, 21:30
0
voti
-

ANDREA2013
887 3 6 - Utente disattivato per decisione dell'amministrazione proprietaria del sito
- Messaggi: 710
- Iscritto il: 16 lug 2013, 21:30
46 messaggi
• Pagina 2 di 5 • 1, 2, 3, 4, 5
Chi c’è in linea
Visitano il forum: Nessuno e 28 ospiti

Elettrotecnica e non solo (admin)
Un gatto tra gli elettroni (IsidoroKZ)
Esperienza e simulazioni (g.schgor)
Moleskine di un idraulico (RenzoDF)
Il Blog di ElectroYou (webmaster)
Idee microcontrollate (TardoFreak)
PICcoli grandi PICMicro (Paolino)
Il blog elettrico di carloc (carloc)
DirtEYblooog (dirtydeeds)
Di tutto... un po' (jordan20)
AK47 (lillo)
Esperienze elettroniche (marco438)
Telecomunicazioni musicali (clavicordo)
Automazione ed Elettronica (gustavo)
Direttive per la sicurezza (ErnestoCappelletti)
EYnfo dall'Alaska (mir)
Apriamo il quadro! (attilio)
H7-25 (asdf)
Passione Elettrica (massimob)
Elettroni a spasso (guidob)
Bloguerra (guerra)



