sono Freezix e sono nuovo nel forum.Il mio primo post (...di una lunga serie
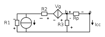
Spero che il circuito sia di vostro gradimento visto che è la prima volta che uso FidoCad.
Ho svolto da solo questo esercizio ma sono insicuro sulla risoluzione di alcuni passaggi.
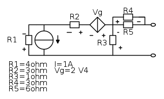
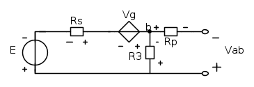
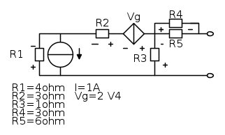
Ho considerato
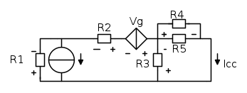
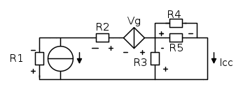
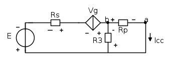
.Ho cortocircuitato il circuito e ho ottenuto questo:
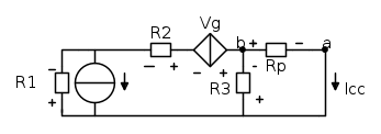
Dopo di che mi sono trovato l'equivalente al parallelo tra
.Quindi:


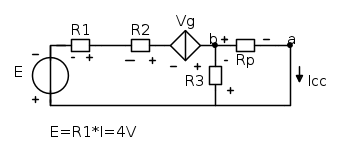
Da tale equivalenza ottengo:
Considero:


Quindi ora il mio obbiettivo è trovare la corrente i3.
Per trovare tale corrente ho considerato un'altra equivalenza,cioè ho sostituito il parallelo tra il generatore di corrente indipendente e il resistore
con la serie tra un generatore di tensione indipendente e il resistore
cosi ho ottenuto:e infine ho considerato la serie tra
ed
:
Considero:


Considerando le LK trovate in precedenza:

Quindi ottengo:

Ecco questo è il procedimento con cui ho trovato la corrente di cortocircuito.
C'è qualcuno che possa aiutarmi nel capire se tutto ciò è giusto o sbagliato perché ripeto che non sono del tutto sicuro.
Dopo aver avuto delle conferme posterò il seguito per il calcolo della tensione alla porta.
Grazie in anticipo.

Elettrotecnica e non solo (admin)
Un gatto tra gli elettroni (IsidoroKZ)
Esperienza e simulazioni (g.schgor)
Moleskine di un idraulico (RenzoDF)
Il Blog di ElectroYou (webmaster)
Idee microcontrollate (TardoFreak)
PICcoli grandi PICMicro (Paolino)
Il blog elettrico di carloc (carloc)
DirtEYblooog (dirtydeeds)
Di tutto... un po' (jordan20)
AK47 (lillo)
Esperienze elettroniche (marco438)
Telecomunicazioni musicali (clavicordo)
Automazione ed Elettronica (gustavo)
Direttive per la sicurezza (ErnestoCappelletti)
EYnfo dall'Alaska (mir)
Apriamo il quadro! (attilio)
H7-25 (asdf)
Passione Elettrica (massimob)
Elettroni a spasso (guidob)
Bloguerra (guerra)













posso considerare tale LKT alla maglia destra:
allora
.
.
