Purtroppo anni di lontananza dal saldatore hanno atrofizzato completamente la zona del mio cervello dedito all'elettronica ed ora che ho ritrovato lo "spazio" necessario devo quasi ricominciare da capo....
Ho recuperato un vecchio alimentatore da 5A 13.8V che vorrei trasformare in variabile tramite un integrato LM338K per poter alimentare i vari ammennicoli che passeranno sul mio tavolo.
Dell'alimentatore è rimasto il case e il trafo, l'elettronica è sparita, probabilmente guasta ed il vecchio proprietario l'ha fatta sparire...
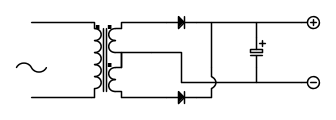
Il trasformatore ha due secondari con zero centrale, ma il mio dubbio è come configurare i diodi per rettificare in continua.... con un secondario un ponte di Grez e via... ma con lo zero centrale come si fa?
Grazie!
Help per alimentatore lineare
Moderatori:
carloc,
g.schgor,
BrunoValente,
IsidoroKZ
13 messaggi
• Pagina 1 di 2 • 1, 2
3
voti
Si potrebbe fare così
0
voti
Mi sa che nel progetto originale vi era proprio una configurazione del genere
Grazie!
Grazie!
Ognuno è un genio.
Ma se si giudica un pesce dalla sua abilità di arrampicarsi sugli alberi,
lui passerà tutta la sua vita a credersi stupido.
- Albert Einstein
1
voti
viewtopic.php?f=48&t=47586
viewtopic.php?f=48&t=49005
Comunque c'è da dire che:
- pensare di ottenere 5A in uscita con un solo LM338K è utopia, quello è un valore massimo teorico.
- il fatto che il trasformatore abbia presa centrale si potrebbe sfruttare per ottenere correnti in uscita più consistenti a basse tensioni.
Ora però servirebbero più dati sul trasformatore, c'è scritto qualcosa sopra (es. tensione e potenza)?
C'è un dissipatore di calore o manca anche quello?
Dimensioni del case?
-

FedericoSibona
5.022 3 5 8 - Master

- Messaggi: 3951
- Iscritto il: 19 mar 2013, 11:43
1
voti
FedericoSibona ha scritto:ensare di ottenere 5A in uscita con un solo LM338K è utopia
Non è assolutamente vero !
Tale dispositivo (solo marca National Instrument !) è garantito per 5A nominali e 7A di picco.
Ogni singolo lotto veniva fornito testato al 100%
Io l'ho utilizzato per impieghi gravosi (Trasmettitori FM) alimentando lo storico BGY33 che erogava oltre 15W tra 87.5 e 108 MHz.
Ne sono stati prodotti a centinaia.
Non ne ho trovato mai uno guasto.
Devo dire che era montato su un Rack 19" da 3U il cui laterale era un dissipatore.
Fidarsi delle ventole voleva dire :
Ventola ferma = apparato fermo = cliente inferocito
Ciao
Giorgio
-

giorgio25760
2.310 1 3 5 - G.Master EY

- Messaggi: 1700
- Iscritto il: 6 dic 2009, 17:02
- Località: Brescia
0
voti
FedericoSibona ha scritto:Ora però servirebbero più dati sul trasformatore, c'è scritto qualcosa sopra (es. tensione e potenza)?
C'è un dissipatore di calore o manca anche quello?
Dimensioni del case?
Sia il Trafo che il case sono dello stesso alimentatore inizialmente concepito per uso CB e quindi 3-5A Max. Di spazio all'interno c'è ne, mentre il dissipatore verrà montato nella parte posteriore, tanto per l'uso da laboratorio l'estetica viene per ultimo!
FedericoSibona ha scritto:potresti dare un'occhiata a queste discussioni chilometriche
viewtopic.php?f=48&t=47586
viewtopic.php?f=48&t=49005
Grazie per le info!
giorgio25760 ha scritto:Ventola ferma = apparato fermo = cliente inferocito
D'altronde il vecchio detto, tutto ciò che non c'è non si rompe, è sempre valido!!!
Ognuno è un genio.
Ma se si giudica un pesce dalla sua abilità di arrampicarsi sugli alberi,
lui passerà tutta la sua vita a credersi stupido.
- Albert Einstein
0
voti
Se noti nei grafici, in corrente continua e ΔV di 20V (vicino all'impiego che se ne vorrebbe fare qui a tensioni di uscita basse) la corrente erogabile è circa 3,5A.
Riguardo alla temperatura, in effetti sul datasheet National c'è scritto che i 5A possono venir forniti "over full Operating Temperature Range" (0 - 125°C). Ma è il National che è particolare o possono farlo anche gli altri o sono io che non so leggere i datasheet?
Ora sarebbero da mettere a punto le specifiche, ad esempio vuoi anche la limitazione variabile della corrente?
-

FedericoSibona
5.022 3 5 8 - Master

- Messaggi: 3951
- Iscritto il: 19 mar 2013, 11:43
0
voti
Mha non saprei, la limitazione della corrente potrebbe venire bene per evitare di "friggere" qualcosa nel caso di corti o errare alimentazioni, bisogna sempre vedere di quanto si complica la circuitazione ....
Ognuno è un genio.
Ma se si giudica un pesce dalla sua abilità di arrampicarsi sugli alberi,
lui passerà tutta la sua vita a credersi stupido.
- Albert Einstein
0
voti
Se hai letto almeno parte dei link forniti da
FedericoSibona (ci sono diverse foto della realizzazione), avrai visto che nel complesso il circuito non e' poi cosi' complicato.
Avere a disposizione la regolazione della corrente e' importante in un circuito che serva come alimentatore da banco, per i motivi che tu stesso hai evidenziato.
Naturalmente l'ultima decisione sta a te.
Avere a disposizione la regolazione della corrente e' importante in un circuito che serva come alimentatore da banco, per i motivi che tu stesso hai evidenziato.
Naturalmente l'ultima decisione sta a te.
marco
0
voti
Puoi misurare la tensione a vuoto del secondario del trasformatore?
Se da qualche parte sul case dell'alimentatore ci fossero scritti marca e modello si potrebbe, forse, risalire allo schema originale e trarre qualche indicazione utile
Se da qualche parte sul case dell'alimentatore ci fossero scritti marca e modello si potrebbe, forse, risalire allo schema originale e trarre qualche indicazione utile
Ultima modifica di
FedericoSibona il 10 apr 2014, 9:06, modificato 1 volta in totale.
-

FedericoSibona
5.022 3 5 8 - Master

- Messaggi: 3951
- Iscritto il: 19 mar 2013, 11:43
13 messaggi
• Pagina 1 di 2 • 1, 2
Chi c’è in linea
Visitano il forum: Nessuno e 77 ospiti

Elettrotecnica e non solo (admin)
Un gatto tra gli elettroni (IsidoroKZ)
Esperienza e simulazioni (g.schgor)
Moleskine di un idraulico (RenzoDF)
Il Blog di ElectroYou (webmaster)
Idee microcontrollate (TardoFreak)
PICcoli grandi PICMicro (Paolino)
Il blog elettrico di carloc (carloc)
DirtEYblooog (dirtydeeds)
Di tutto... un po' (jordan20)
AK47 (lillo)
Esperienze elettroniche (marco438)
Telecomunicazioni musicali (clavicordo)
Automazione ed Elettronica (gustavo)
Direttive per la sicurezza (ErnestoCappelletti)
EYnfo dall'Alaska (mir)
Apriamo il quadro! (attilio)
H7-25 (asdf)
Passione Elettrica (massimob)
Elettroni a spasso (guidob)
Bloguerra (guerra)




