Ho un componente a 24 VDC che assorbe, facciamo 25 A, e vorrei mettere sul negativo un diodo in modo tale che, nel caso in cui il cablatore sbagli e inverta la polarità dell'alimentazione, non bruci tutte cose.
Come andrebbe dimensionato questo diodo?
PS:
non mi funziona la funzione cerca, non so perché.
Scusate se il topic è un clone di un altro.
Dimensionamento diodo di sicurezza.
Moderatori:
carloc,
g.schgor,
BrunoValente,
IsidoroKZ
31 messaggi
• Pagina 1 di 4 • 1, 2, 3, 4
2
voti
Ciao Iho
devi tenere conto di tre considerazioni :
ciao
devi tenere conto di tre considerazioni :
- quando la tensioni del tuo circuito viene invertita il diodo deve entrare in interdizione così far scorrere nel circuito una corrente quasi nulla(ininfluente per il circuito) e poter resistere ad una tensione inversa di almeno 24 V
- quando il tuo circuito viene invece alimentato correttamente,il diodo verrà attraversato da tutta la corrente necessaria al circuito, nel tuo caso 25A chiamata
, e dovrà essere in grado di sopportarla inoltre per accendersi ha bisogno di una piccola tensione chiamata
pari a poche centinaia di mV o qualche V,dipende da quanta corrente lo attraversa, che verrà sottratta al circuito che dovrai alimentare, per cui il tuo circuito non riceverà più 24 V ma
- l'ultima considerazione riguarda la potenza che il diodo deve dissipare: quando il diodo si trova in stato di interdizione(prima considerazione) la potenza dissipata dal diodo e' trascurabile, quando invece e' acceso(seconda considerazione) non deve essere trascurata e vale
pertanto il tuo diodo deve essere in grado di dissipare questa potenza
ciao

1
voti
Ciao. Forse è meglio se specifichi di che "componente" si tratta e le sue caratteristiche.
Inoltre il diodo di solito è meglio metterlo sul positivo dell'alimentazione, perché sul negativo perdi il riferimento rispetto al negativo dell'alimentazione.
Inoltre il diodo di solito è meglio metterlo sul positivo dell'alimentazione, perché sul negativo perdi il riferimento rispetto al negativo dell'alimentazione.
0
voti
geppou ha scritto:Ciao Iho
devi tenere conto di tre considerazioni
Spero di essere stato chiaro
chiarissimo, grazie mille.
Per la 24 V - V_f non mi preoccupo perché parliamo di componenti di automazione industriale che non hanno chissà quale sensibilità 24 V o 26 vanno lo stesso.
Il mio collega metteva ai tempi dei morsetti, mi pare Legrand, con integrato già un diodo al suo interno ma non so se lo abbia mai scelto con una logica di dimensionamento.
Adesso lo vorrei fare io.
Pioz ha scritto:Inoltre il diodo di solito è meglio metterlo sul positivo dell'alimentazione, perché sul negativo perdi il riferimento rispetto al negativo dell'alimentazione.
mmmm,
non ho capito.
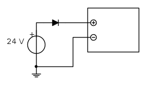
io lo avrei posizionato così come nella foto in cui ho ipotizzato l'errore di cablaggio e il diodo a bloccare l'inversione nella polarità di alimentazione.
Gli schemi si fanno in FidoCadJ
1
voti
Pioz ha scritto:Inoltre il diodo di solito è meglio metterlo sul positivo dell'alimentazione, perché sul negativo perdi il riferimento rispetto al negativo dell'alimentazione.
Quoto
lo schema corretto e' questo:
5
voti
Mah, mi sembra tutta un forzatura, una inutile inutilità. Quando si costruisce un automatismo, ci di deve preoccupare della sua efficienza nel tempo, prima ancora che dei probabili errori di montaggio; peraltro presenti e da evitare.
Non è con un diodone, inutile, che si evitano errori di montaggio. Un simile diodo, d'altro canto, dissiperebbe sempre i suoi 25 W per tutta la vita del dispositivo, in modo inutile.
Mi sembra tutto inutile.
Non è con un diodone, inutile, che si evitano errori di montaggio. Un simile diodo, d'altro canto, dissiperebbe sempre i suoi 25 W per tutta la vita del dispositivo, in modo inutile.
Mi sembra tutto inutile.
-

Candy
32,5k 7 10 13 - CRU - Account cancellato su Richiesta utente
- Messaggi: 10123
- Iscritto il: 14 giu 2010, 22:54
2
voti
Candy ha scritto:Non è con un diodone, inutile, che si evitano errori di montaggio. Un simile diodo, d'altro canto, dissiperebbe sempre i suoi 25 W per tutta la vita del dispositivo, in modo inutile.
Mi sembra tutto inutile.
Concordo con te al 100%, molto meglio una protezione meccanica in questo caso (classico connettore con innesto non invertibile),ma la domanda chiedeva appunto come va dimensionato un diodo, tra l'altro quei 25A mi sembrano buttati la, non c'è nulla di preciso
0
voti
Candy ha scritto:Mah, mi sembra tutta un forzatura, una inutile inutilità. Quando si costruisce un automatismo, ci di deve preoccupare della sua efficienza nel tempo, prima ancora che dei probabili errori di montaggio; peraltro presenti e da evitare.
Non è con un diodone, inutile, che si evitano errori di montaggio. Un simile diodo, d'altro canto, dissiperebbe sempre i suoi 25 W per tutta la vita del dispositivo, in modo inutile.
Mi sembra tutto inutile.
vero ma quando le cose sono fatte di corsa e male, meglio 25 W che 500 e passa euro di scheda.
MA il rapporto disipazione in W del diodo / corrente è 1:1?
molto meglio una protezione meccanica in questo caso (classico connettore con innesto non invertibile)
non lo posso fare perché il cliente entra a monte con due fili che attacca a due morsetti da 4mm2.
Posso mettere i connettori all'ingresso della scheda ma se il cliente inverte la 24 DC a monte non posso farci nulla.
Inoltre il diodo di solito è meglio metterlo sul positivo dell'alimentazione, perché sul negativo perdi il riferimento rispetto al negativo dell'alimentazione.
come funziona questa cosa?
me la potreste spiegare?
2
voti
il diodo subito dopo il positivo dell'alimentazione permette di mantenere il riferimento a 0 volt (GND) per il carico,
il diodo con invece il catodo a massa sposta il riferimento di tutto il carico (in questo caso la tua scheda elettronica) alla tensione di accensione del diodo
che può essere per esempio 1V
Di norma si preferisce sempre avere come riferimento GND,la tensione che comunque alimenta il carico e' sempre 24-
il diodo con invece il catodo a massa sposta il riferimento di tutto il carico (in questo caso la tua scheda elettronica) alla tensione di accensione del diodo
che può essere per esempio 1VDi norma si preferisce sempre avere come riferimento GND,la tensione che comunque alimenta il carico e' sempre 24-

31 messaggi
• Pagina 1 di 4 • 1, 2, 3, 4
Chi c’è in linea
Visitano il forum: Nessuno e 37 ospiti

Elettrotecnica e non solo (admin)
Un gatto tra gli elettroni (IsidoroKZ)
Esperienza e simulazioni (g.schgor)
Moleskine di un idraulico (RenzoDF)
Il Blog di ElectroYou (webmaster)
Idee microcontrollate (TardoFreak)
PICcoli grandi PICMicro (Paolino)
Il blog elettrico di carloc (carloc)
DirtEYblooog (dirtydeeds)
Di tutto... un po' (jordan20)
AK47 (lillo)
Esperienze elettroniche (marco438)
Telecomunicazioni musicali (clavicordo)
Automazione ed Elettronica (gustavo)
Direttive per la sicurezza (ErnestoCappelletti)
EYnfo dall'Alaska (mir)
Apriamo il quadro! (attilio)
H7-25 (asdf)
Passione Elettrica (massimob)
Elettroni a spasso (guidob)
Bloguerra (guerra)






