Cos'è ElectroYou | Login Iscriviti

ElectroYou - la comunità dei professionisti del mondo elettrico

Sicurezza con grosso condensatore

Elettronica lineare e digitale: didattica ed applicazioni

Moderatori: Foto Utentecarloc, Foto Utenteg.schgor, Foto UtenteBrunoValente, Foto UtenteIsidoroKZ

1
voti

[1] Sicurezza con grosso condensatore

Messaggioda Foto UtenteDaniloI » 15 apr 2014, 21:15

Un saluto a tutti,

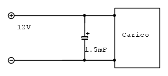
per ridurre problemi di ripple sono costretto a collegare in parallelo tra alimentatore (circa 12-15V in continua) ed un particolare dispositivo (carico) un condensatore elettrolitico da 1.5mF. Questo condensatore é in uno scatolotto di plastica dove sono presenti due boccole (rossa e nera, collegate al "+" ed il "-" del condensatore).
Ho dei dubbi riguardo la sicurezza dell´apparato:
1) cosa succede se l´operatore si sbaglia e collega il positivo dell´alimentatore al negativo del condensatore? Ho visto condensatori molto piú piccoli fare un botto pazzesco. Insomma, come proteggere il condensatore da inversioni di polaritá?
2) come prevenire eventuali corto circuiti del condensatore? Puó sembrare strano ma lavorando parecchie ore e con cablaggi che hanno molto piú che i due fili di alimentazione, alcuni colleghi hanno collegato i due poli del condensatore non al carico ma tra di loro provocando di fatto un corto circuito.
Qui il link al condesatore.
p.s.: ho scaricato oggi fidocad per la prima volta, spero di non esser stato troppo tonno O_/

Avatar utente
Foto UtenteDaniloI
60 1 5
New entry
New entry
 
Messaggi: 67
Iscritto il: 5 ott 2013, 17:15

2
voti

[2] Re: Sicurezza con grosso condensatore

Messaggioda Foto UtenteTardoFreak » 15 apr 2014, 21:24

1) Il condensatore potrebbe provocare una fastidiosa esplosione. La protezione è nel fare in modo che chi lo monta sappia quello che sta facendo e quindi presti la dovuta attenzione.
2) Se i cortocircuiti sono frequenti significa che c'è un problema serio a monte.
"La follia sta nel fare sempre la stessa cosa aspettandosi risultati diversi".
"Parla soltanto quando sei sicuro che quello che dirai è più bello del silenzio".
Rispondere è cortesia, ma lasciare l'ultima parola ai cretini è arte.
Avatar utente
Foto UtenteTardoFreak
73,9k 8 12 13
-EY Legend-
-EY Legend-
 
Messaggi: 15754
Iscritto il: 16 dic 2009, 11:10
Località: Torino - 3° pianeta del Sistema Solare

0
voti

[3] Re: Sicurezza con grosso condensatore

Messaggioda Foto UtenteDaniloI » 15 apr 2014, 21:58

da youtube un esempio di corto circuito qui, al secondo 15
Avatar utente
Foto UtenteDaniloI
60 1 5
New entry
New entry
 
Messaggi: 67
Iscritto il: 5 ott 2013, 17:15

0
voti

[4] Re: Sicurezza con grosso condensatore

Messaggioda Foto Utenteobiuan » 15 apr 2014, 22:28

Il carico quanto assorbe?
qual è la tensione minima di funzionamento del carico e la minima d'uscita dell'alimentatore?
_______________________________________________________
Gli oscillatori non oscillano mai, gli amplificatori invece sempre

Io HO i poteri della supermucca, e ne vado fiero!
Avatar utente
Foto Utenteobiuan
5.894 3 10 13
Master
Master
 
Messaggi: 980
Iscritto il: 23 set 2013, 23:45

0
voti

[5] Re: Sicurezza con grosso condensatore

Messaggioda Foto UtenteDaniloI » 15 apr 2014, 22:34

obiuan ha scritto:Il carico quanto assorbe?
qual è la tensione minima di funzionamento del carico e la minima d'uscita dell'alimentatore?


I carichi assorbono da 10 a 90W mentre la tensione minima di funzionamento é 13.5V. Sulla minima uscita dell´alimentatore, non credo di aver capito la domanda.
Avatar utente
Foto UtenteDaniloI
60 1 5
New entry
New entry
 
Messaggi: 67
Iscritto il: 5 ott 2013, 17:15

0
voti

[6] Re: Sicurezza con grosso condensatore

Messaggioda Foto Utenteobiuan » 15 apr 2014, 22:41

C'è qualcosa che non quadra...in [1] hai scritto "uscita 12-15V", ora dici che la tensione minima di cui necessita il carico è 13,5...quale delle 2 è vera? :)
_______________________________________________________
Gli oscillatori non oscillano mai, gli amplificatori invece sempre

Io HO i poteri della supermucca, e ne vado fiero!
Avatar utente
Foto Utenteobiuan
5.894 3 10 13
Master
Master
 
Messaggi: 980
Iscritto il: 23 set 2013, 23:45

0
voti

[7] Re: Sicurezza con grosso condensatore

Messaggioda Foto Utentesetteali » 15 apr 2014, 22:50

scusa, ma io non ho capito molto bene com'è il tuo problema.

Te parli di un condensatore elettrolitico da 1,5 mF ( valore da te scritto 1,5 milliFarad e non esiste),
poi fai riferimento ad un video dove usano un condensatore elettrolitico da 1F, è una cosa diversa ...milioni e milioni.

Spiegati un po' di più, nopn vorrei che fosse sufficiente un diodo per risolvere il tuo problema.
O_/
Alex
https://www.facebook.com/Elettronicaeelettrotecnica

<< vedi di pigliare arditamente in mano, il dizionario che ti suona in bocca,
se non altro è schietto e paesano.
(Giuseppe Giusti) <<
Avatar utente
Foto Utentesetteali
11,9k 5 5 9
Master
Master
 
Messaggi: 5921
Iscritto il: 15 dic 2013, 21:09

1
voti

[8] Re: Sicurezza con grosso condensatore

Messaggioda Foto Utenteobiuan » 15 apr 2014, 23:04

setteali ha scritto:Te parli di un condensatore elettrolitico da 1,5 mF ( valore da te scritto 1,5 milliFarad e non esiste),
poi fai riferimento ad un video dove usano un condensatore elettrolitico da 1F, è una cosa diversa ...milioni e milioni.


1.mF esiste come valore standard, e non è che il rapporto fra 1 e 0,0015 faccia proprio...milioni e milioni :P

setteali ha scritto:Spiegati un po' di più, nopn vorrei che fosse sufficiente un diodo per risolvere il tuo problema.
O_/


già...è il motivo per cui ho domandato le tensioni un paio di post fa :P
_______________________________________________________
Gli oscillatori non oscillano mai, gli amplificatori invece sempre

Io HO i poteri della supermucca, e ne vado fiero!
Avatar utente
Foto Utenteobiuan
5.894 3 10 13
Master
Master
 
Messaggi: 980
Iscritto il: 23 set 2013, 23:45

0
voti

[9] Re: Sicurezza con grosso condensatore

Messaggioda Foto Utentecore » 16 apr 2014, 0:01

Ho visto condensatori molto piú piccoli fare un botto pazzesco

dipende anche da quanta tensione lo carichi, infatti nel calcolo dell'energia di un condensatore il valore di tensione è al quadrato.
Avatar utente
Foto Utentecore
718 3 9
Expert
Expert
 
Messaggi: 663
Iscritto il: 15 nov 2013, 16:07

1
voti

[10] Re: Sicurezza con grosso condensatore

Messaggioda Foto UtenteDirtyDeeds » 16 apr 2014, 1:02

1) e 2) Ma l'operatore lavora con l'apparato sotto tensione?

Poi, per ciò che riguarda 1) la soluzione meno invasiva è secondo me quello di utilizzare un connettore di alimentazione polarizzato (ovviamente bisogna montare bene il connettore sul cavo); una soluzione più invasiva è quello di fare una protezione da inversioni di polarità con un diodo, beccandosi, però, circa 1 V di caduta di tensione; una soluzione con una caduta di tensione minore fa uso di un mosfet.
It's a sin to write sin instead of \sin (Anonimo).
...'cos you know that cos ain't \cos, right?
You won't get a sexy tan if you write tan in lieu of \tan.
Take a log for a fireplace, but don't take log for \logarithm.
Avatar utente
Foto UtenteDirtyDeeds
55,9k 7 11 13
G.Master EY
G.Master EY
 
Messaggi: 7012
Iscritto il: 13 apr 2010, 16:13
Località: Somewhere in nowhere

Prossimo

Torna a Elettronica generale

Chi c’è in linea

Visitano il forum: Nessuno e 54 ospiti