perdonate il lotto di ieri sera, vale sempre la giustificazione era sera, ero stanco e mi sono distratto
?Allora, fissiamo alcun punti:
- 1)l´alimentatore é un alimentatore da laboratorio (0-20V, 0-20A ma vado a memoria)
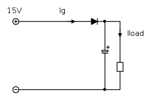
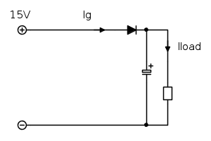
- 2)La tensione al carico deve essere 13.5/15V (ci sono due soluzioni) con un ripple sotto una certa percentuale. Abbiamo provato una soluzione con diodo che peró quando usata non aiuta a correggere il ripple. Quelle delle boccole polarizzate potrebbe essere una soluzione
- 3)Per quanto riguarda la protezione da corto circuito, potrebbe essere usato un fusibile: il dubbio é se salta prima il fusibile od il condensatore
- 4)L´operatore lavora anche con apparato sotto tensione

Elettrotecnica e non solo (admin)
Un gatto tra gli elettroni (IsidoroKZ)
Esperienza e simulazioni (g.schgor)
Moleskine di un idraulico (RenzoDF)
Il Blog di ElectroYou (webmaster)
Idee microcontrollate (TardoFreak)
PICcoli grandi PICMicro (Paolino)
Il blog elettrico di carloc (carloc)
DirtEYblooog (dirtydeeds)
Di tutto... un po' (jordan20)
AK47 (lillo)
Esperienze elettroniche (marco438)
Telecomunicazioni musicali (clavicordo)
Automazione ed Elettronica (gustavo)
Direttive per la sicurezza (ErnestoCappelletti)
EYnfo dall'Alaska (mir)
Apriamo il quadro! (attilio)
H7-25 (asdf)
Passione Elettrica (massimob)
Elettroni a spasso (guidob)
Bloguerra (guerra)




instead of
(Anonimo).
ain't
, right?
in lieu of
.
for
arithm.



