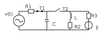
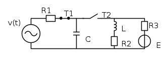
mi servirebbe una mano nel risolvere questo circuito dinamico con un generatore sinusoidale:

Il generatore di tensione sinusoidale:

Il circuito è a regime quando T1 si apre e T2 si chiude.
L'esercizio chiede di conoscere Vc(t) in t>0;
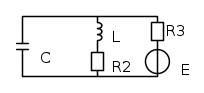
Ho considerato il circuito per t>0;
Ho trovato l'equazione differenziale:

Ho calcolato l'integrale generale(transitorio) e l'integrale particolare (regime):

Che ho ridotto in tale forma:

Calcolo anche Ic(t) :

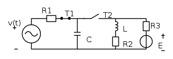
Per trovare k e \Phi\ considero il circuito in t<0:
Considero le impedenze
e
.Per il generatore di tensione sinusoidale:

Calcolo la tensione
con Thevenin e ottengo 
Poi calcolo la corrente:

Ora non ho capito come devo impostare il sistema finale.So che devo porre uguali tra loro le tensioni e le correnti per t<0 e t>0 ma provando mi trovo un sistema strano con numeri complessi.
Chiedo chiarimenti in questo.
Spero che l'esercizio fin qui sia giusto.
Grazie in anticipo.

Elettrotecnica e non solo (admin)
Un gatto tra gli elettroni (IsidoroKZ)
Esperienza e simulazioni (g.schgor)
Moleskine di un idraulico (RenzoDF)
Il Blog di ElectroYou (webmaster)
Idee microcontrollate (TardoFreak)
PICcoli grandi PICMicro (Paolino)
Il blog elettrico di carloc (carloc)
DirtEYblooog (dirtydeeds)
Di tutto... un po' (jordan20)
AK47 (lillo)
Esperienze elettroniche (marco438)
Telecomunicazioni musicali (clavicordo)
Automazione ed Elettronica (gustavo)
Direttive per la sicurezza (ErnestoCappelletti)
EYnfo dall'Alaska (mir)
Apriamo il quadro! (attilio)
H7-25 (asdf)
Passione Elettrica (massimob)
Elettroni a spasso (guidob)
Bloguerra (guerra)






devo considerare le condizioni iniziali e quindi considerare la continuità della tensione sul condensatore:
.
?
quindi Vc(0-)=0.00042-j0.042.Quindi siccome la tensione sul condensatore è continua in t=0+ e in t=0-:
