Salve a tutti.
Nella necessità di realizzare un dimmer economico per controllare 2 faretti da 450W mi sono imbattuto in questo circuito che mi sembrava semplice e alla mia portata.
Ho realizzato quanto sopra, ma il risultato è molto deludente. A parte lo sfarfallio che sapevo esserci mi ritrovo ad avere una regolazione imprecisa, con 2 grossi salti e la lampada spenta già a metà corsa del trimmer.
E' possibile fare qualcosa per migliorare la situazione o è proprio cosi che deve funzionare con questo schema?
Dimmer luci 500W
Moderatore:
IsidoroKZ
12 messaggi
• Pagina 1 di 2 • 1, 2
0
voti
Già lo schema che hai usato è veramente povero. Se poi hai usato materiali di scarsa qualità od un montaggio fatto male, il risultato è indubbiamente deludente.
Se vuoi una regolazione lineare su tutta la corsa del potenziometro, hai due strade: la più veloce è introdurre resistenze in serie al potenziometro, alterare il valore del potenziometro o del condensatore della rete di ritardo, per cercare di migliorare la regolazione su tutta la corsa. E' un lavoro di ricerca per tentativi.
Altrimenti ci sono altri circuiti più complessi, che fanno uso di logiche, e che quindi sono molto più precisi e performanti.
Mi chiedo però se abbia senso continuare con i dimmer a taglio di fase. Ormai le lampade ad incandescenza stanno sparendo.
Se vuoi una regolazione lineare su tutta la corsa del potenziometro, hai due strade: la più veloce è introdurre resistenze in serie al potenziometro, alterare il valore del potenziometro o del condensatore della rete di ritardo, per cercare di migliorare la regolazione su tutta la corsa. E' un lavoro di ricerca per tentativi.
Altrimenti ci sono altri circuiti più complessi, che fanno uso di logiche, e che quindi sono molto più precisi e performanti.
Mi chiedo però se abbia senso continuare con i dimmer a taglio di fase. Ormai le lampade ad incandescenza stanno sparendo.
-

Candy
32,5k 7 10 13 - CRU - Account cancellato su Richiesta utente
- Messaggi: 10123
- Iscritto il: 14 giu 2010, 22:54
0
voti
Giusta osservazione.
In effetti pur realizzando un dimmer per lampade ad incandescenza mi ritroverei fra qualche anno a dover modificare il tutto, ma per ora mi serve qualcosa di economico ed efficace.
Se non ci sono altre strade proverò modificando il valore della resistenza in serie al potenziometro per vedere cosa succede.
In effetti pur realizzando un dimmer per lampade ad incandescenza mi ritroverei fra qualche anno a dover modificare il tutto, ma per ora mi serve qualcosa di economico ed efficace.
Se non ci sono altre strade proverò modificando il valore della resistenza in serie al potenziometro per vedere cosa succede.
0
voti
sidro007 ha scritto:E' possibile fare qualcosa per migliorare la situazione
Sì, gli schemi con doppia cella RC vanno un po' meglio. Ho subito provato a digitare "dimmer con triac" e sono venute fuori delle "immagini di dimmer con triac" fra cui c'è lo schema giusto.
0
voti
Più o meno, lo schema viene da qui:
http://www.webalice.it/crapellavittorio/electronic/dimmer.html
Cosa vuol dire a doppia cella RC?
http://www.webalice.it/crapellavittorio/electronic/dimmer.html
Cosa vuol dire a doppia cella RC?
0
voti
sidro007 ha scritto:Cosa vuol dire a doppia cella RC?
http://ts2.mm.bing.net/th?&id=HN.608043197430826281&w=300&h=300&c=0&pid=1.9&rs=0&p=0
0
voti
Uhmm.
2 domande:
1) posso utilizzare i miei triac e diac al posto del transistor?
2) come posso calcolare i valori delle resistenze e del condensatore in più per utilizzare i componenti che già ho?
Questo per non dover buttare tutto il materiale e ricominciare da capo...
2 domande:
1) posso utilizzare i miei triac e diac al posto del transistor?
2) come posso calcolare i valori delle resistenze e del condensatore in più per utilizzare i componenti che già ho?
Questo per non dover buttare tutto il materiale e ricominciare da capo...
0
voti
ciao
sidro007
fossi in te io farei così: posto lo schema che ho in mente (ridisegnato con fidocad) specificando il tipo di lampada... e il forum mi calcola in automatico i valori.
fossi in te io farei così: posto lo schema che ho in mente (ridisegnato con fidocad) specificando il tipo di lampada... e il forum mi calcola in automatico i valori.
-

ANDREA2013
887 3 6 - Utente disattivato per decisione dell'amministrazione proprietaria del sito
- Messaggi: 710
- Iscritto il: 16 lug 2013, 21:30
0
voti
Ok, proviamo a fare chiarezza:
EcoTan per migliorare il mio progetto mi proponeva uno schema a doppia cella RC come questo:
A parte la validità del progetto, la realizzazione mi impone di sostituire tutti i componenti che ho acquistato per realizzare il mio progetto.
Quindi vorrei sapere, per integrare il mio continuando ad usare i componenti che ho gia, i valori dei componenti che vado ad aggiungere (2 resistenze e un condensatore)
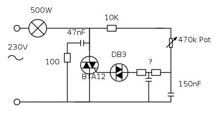
Ultimi dettagli: La lampada da 500 W è un faretto ad incandescenza, i condensatori sono da 250V e le resistenze da 1/2W
EcoTan per migliorare il mio progetto mi proponeva uno schema a doppia cella RC come questo:
A parte la validità del progetto, la realizzazione mi impone di sostituire tutti i componenti che ho acquistato per realizzare il mio progetto.
Quindi vorrei sapere, per integrare il mio continuando ad usare i componenti che ho gia, i valori dei componenti che vado ad aggiungere (2 resistenze e un condensatore)
Ultimi dettagli: La lampada da 500 W è un faretto ad incandescenza, i condensatori sono da 250V e le resistenze da 1/2W
0
voti
[10] Re: Dimmer luci 500W
Lo schema che ti ho linkato va bene come idea ma non va preso alla lettera.
Rispetto al primo schema da te presentato, le modifiche da fare sarebbero:
-mettere 100 nF al posto di 150 nF
-aggiungere la seconda cella RC con 15 kohm e 10 nF
-il condensatore da 47 nF dello snubber dovrebbe essere da 400VL.
Il triac, se non si è già rotto con quel faretto allora significa che dovrebbe andare bene.
Rispetto al primo schema da te presentato, le modifiche da fare sarebbero:
-mettere 100 nF al posto di 150 nF
-aggiungere la seconda cella RC con 15 kohm e 10 nF
-il condensatore da 47 nF dello snubber dovrebbe essere da 400VL.
Il triac, se non si è già rotto con quel faretto allora significa che dovrebbe andare bene.
12 messaggi
• Pagina 1 di 2 • 1, 2
Torna a Elettronica e spettacolo
Chi c’è in linea
Visitano il forum: Nessuno e 18 ospiti

Elettrotecnica e non solo (admin)
Un gatto tra gli elettroni (IsidoroKZ)
Esperienza e simulazioni (g.schgor)
Moleskine di un idraulico (RenzoDF)
Il Blog di ElectroYou (webmaster)
Idee microcontrollate (TardoFreak)
PICcoli grandi PICMicro (Paolino)
Il blog elettrico di carloc (carloc)
DirtEYblooog (dirtydeeds)
Di tutto... un po' (jordan20)
AK47 (lillo)
Esperienze elettroniche (marco438)
Telecomunicazioni musicali (clavicordo)
Automazione ed Elettronica (gustavo)
Direttive per la sicurezza (ErnestoCappelletti)
EYnfo dall'Alaska (mir)
Apriamo il quadro! (attilio)
H7-25 (asdf)
Passione Elettrica (massimob)
Elettroni a spasso (guidob)
Bloguerra (guerra)





