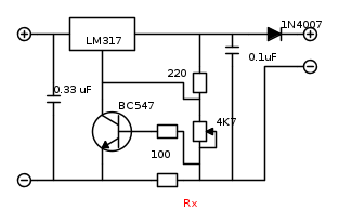
crovax ha scritto:Ho quasi fatto tutto, nel frattempo mi hanno regalato un alimentatore bello e pronto con questi LM, però l'uscita è a 50mAh.
Quell'unita' di misura vale per le batterie e non per gli alimentatori (o caricabatterie) che erogano mA.
Se fai uno schema di massima di quell'alimentatore, si puo' vedere di aumentare la corrente in uscita, sempre che disponga di adeguato trasformatore.

Elettrotecnica e non solo (admin)
Un gatto tra gli elettroni (IsidoroKZ)
Esperienza e simulazioni (g.schgor)
Moleskine di un idraulico (RenzoDF)
Il Blog di ElectroYou (webmaster)
Idee microcontrollate (TardoFreak)
PICcoli grandi PICMicro (Paolino)
Il blog elettrico di carloc (carloc)
DirtEYblooog (dirtydeeds)
Di tutto... un po' (jordan20)
AK47 (lillo)
Esperienze elettroniche (marco438)
Telecomunicazioni musicali (clavicordo)
Automazione ed Elettronica (gustavo)
Direttive per la sicurezza (ErnestoCappelletti)
EYnfo dall'Alaska (mir)
Apriamo il quadro! (attilio)
H7-25 (asdf)
Passione Elettrica (massimob)
Elettroni a spasso (guidob)
Bloguerra (guerra)








