Cos'è ElectroYou | Login Iscriviti

ElectroYou - la comunità dei professionisti del mondo elettrico

Regolatori di tensione e condensatori di livellamento?

Elettronica lineare e digitale: didattica ed applicazioni

Moderatori: Foto Utentecarloc, Foto Utenteg.schgor, Foto UtenteBrunoValente, Foto UtenteIsidoroKZ

0
voti

[1] Regolatori di tensione e condensatori di livellamento?

Messaggioda Foto UtentePantalasso » 26 apr 2014, 18:32

Salve, premetto che il mio livello di conoscenze elettroniche non è eccezionale :lol:
Per la tesina d'esame sto realizzando un modello di macchina di Turing basato sull'atmega328.
Ho bisogno di alimentare il microcontroller e un motore a 5V e fornire 3.3V a una scheda MicroSD.
Pensavo di utilizzare una batteria da 9V con due riduttori di tensione, 7805 e LDO LM1117-3.3 che sono quelli che ho a casa. I datasheet consigliano di mettere due condensatori di livellamento connessi tra Vin/Vout e GND a monte e a valle dei regolatori.
Non ho capito a cosa servono e che capacità devono avere, ho letto che non sono sempre necessari. E se cambio i valori dei condensatori cosa succede (100uF invece che 0.33uF)? Inoltre il regolatore da 3.3V è meglio attaccarlo alla rete da 5V o ai 9V?
Sono un po' confuso #-o , se qualcuno mi illuminasse..
Avatar utente
Foto UtentePantalasso
155 3
 
Messaggi: 15
Iscritto il: 17 mar 2011, 13:02

0
voti

[2] Re: Regolatori di tensione e Condensatori di livellamento?

Messaggioda Foto Utentegilus96 » 26 apr 2014, 18:47

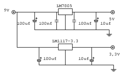
Io propongo questo schema per l'alimentazione

I condensatori elettrolitici servono a ridurre il ripple di tensione(spero di non dire una castroneria :D ) e quelli prima del regolatore si possono eliminare a patto di avere un'alimentazione pulita(es. una batteria)
Avatar utente
Foto Utentegilus96
225 1 1 7
Frequentatore
Frequentatore
 
Messaggi: 199
Iscritto il: 29 apr 2013, 17:06

0
voti

[3] Re: Regolatori di tensione e Condensatori di livellamento?

Messaggioda Foto Utentemarco438 » 26 apr 2014, 18:54

I condensatori di cui parli che, solitamente sono dei ceramici da 0.33uF in ingresso e 0.1uF in uscita (almeno per il 7805) non sono "di livellamento" ma servono unicamente per evitare autooscillazioni del regolatore.
Considera inoltre che con una batteria da 9V il 7805 potra' funzionare solo per breve tempo visto che ha un drop-out di un paio di volt; quindi quando la batteria comincera' a scaricarsi, cessera' di stabilizzare la tensione.
Molto meglio adoperare una sorgente diversa dalla batteria ed una tensione leggermente superiore.
Pantalasso ha scritto: Inoltre il regolatore da 3.3V è meglio attaccarlo alla rete da 5 V o ai 9V?
Sono un po' confuso #-o , se qualcuno mi illuminasse..

Anche qui, bisognerebbe sapere quali carichi i due regolatori devono sostenere; sempre meglio comunque alimentarli direttamente dalla sorgente (9V) altrimenti il primo (7805) dovrebbe sobbarcarsi anche il carico del secondo.
marco
Avatar utente
Foto Utentemarco438
37,1k 7 11 13
-EY Legend-
-EY Legend-
 
Messaggi: 16323
Iscritto il: 24 mar 2010, 15:09
Località: Versilia

0
voti

[4] Re: Regolatori di tensione e Condensatori di livellamento?

Messaggioda Foto UtentePantalasso » 26 apr 2014, 19:13

marco438 ha scritto:I condensatori di cui parli che, solitamente sono dei ceramici da 0.33uF in ingresso e 0.1uF in uscita (almeno per il 7805) non sono "di livellamento" ma servono unicamente per evitare autooscillazioni del regolatore.

Quindi non mi servono condensatori per il ripple perché la batteria non ne ha, ma servono per sopperire alle variazioni interne del regolatore. Ma quali sono le caratteristiche per cui si preferiscono quei valori? In teoria aumentando la capacità non dovrebbe variare il tempo di reazione o altre cose...
Mi conviene forse acquistare una batteria da 5V anche perché il regolatore da 3v è un Low Dropout e non richiede molti volt in entrata?
Avatar utente
Foto UtentePantalasso
155 3
 
Messaggi: 15
Iscritto il: 17 mar 2011, 13:02

0
voti

[5] Re: Regolatori di tensione e Condensatori di livellamento?

Messaggioda Foto Utentemarco438 » 26 apr 2014, 19:19

I valori sono imposti dal costruttore sulla base delle caratteristiche dei regolatori; per il 7805 (come detto) servono 0.33uF e 0.1uF per LM 1117 due da 10uF (tantalio).
Se adoperi una batteria, gli elettrolitici non dovrebbero essere necessari ma non mi hai ancora detto quale carico devono sostenere i due regolatori, quindi non posso essere piu' preciso.
Mi pare tu abbia letto con poca attenzione quanto ho scritto in precedenza; con una batteria da 9V ed un 7805 sei a rischio.
marco
Avatar utente
Foto Utentemarco438
37,1k 7 11 13
-EY Legend-
-EY Legend-
 
Messaggi: 16323
Iscritto il: 24 mar 2010, 15:09
Località: Versilia

0
voti

[6] Re: Regolatori di tensione e Condensatori di livellamento?

Messaggioda Foto UtentePantalasso » 26 apr 2014, 19:38

marco438 ha scritto:Se adoperi una batteria, gli elettrolitici non dovrebbero essere necessari ma non mi hai ancora detto quale carico devono sostenere i due regolatori, quindi non posso essere piu' preciso.
Mi pare tu abbia letto con poca attenzione quanto ho scritto in precedenza; con una batteria da 9V ed un 7805 sei a rischio.

Intanto grazie per le risposte :)
Ho letto, ma la "macchina" la voglio portare all'esame di maturità al solo scopo dimostrativo. Se regge 20 minuti va più che bene :lol: , non ho la possibilità di collegarla alla corrente. (E se usassi direttamente una batteria da 5V?)
Il carico è parecchio, sui 500mA. Pensavo di mettere un elettrolitico da almeno 100uF :?
Avatar utente
Foto UtentePantalasso
155 3
 
Messaggi: 15
Iscritto il: 17 mar 2011, 13:02

0
voti

[7] Re: Regolatori di tensione e Condensatori di livellamento?

Messaggioda Foto Utentemarco438 » 26 apr 2014, 20:05

Pantalasso ha scritto:E se usassi direttamente una batteria da 5 V?
Il carico è parecchio, sui 500mA. Pensavo di mettere un elettrolitico da almeno 100uF :?

Ma di che tipo di batteria stiamo parlando? Perche' se intendi una normale "transistor da 9V, con 500mA di carico, forse nemmeno parte.
marco
Avatar utente
Foto Utentemarco438
37,1k 7 11 13
-EY Legend-
-EY Legend-
 
Messaggi: 16323
Iscritto il: 24 mar 2010, 15:09
Località: Versilia

0
voti

[8] Re: Regolatori di tensione e Condensatori di livellamento?

Messaggioda Foto Utentegilus96 » 26 apr 2014, 20:38

marco438 ha scritto:forse nemmeno parte.

direi senza il forse :mrgreen:

Pantalasso ha scritto:Se regge 20 minuti va più che bene

Direi proprio che con una 9V a 20minuti,con 500mA di carico,non ci arrivi neanche lontanamente
Avatar utente
Foto Utentegilus96
225 1 1 7
Frequentatore
Frequentatore
 
Messaggi: 199
Iscritto il: 29 apr 2013, 17:06

0
voti

[9] Re: Regolatori di tensione e condensatori di livellamento?

Messaggioda Foto UtentePantalasso » 27 apr 2014, 17:29

Ok ho le idee abbastanza confuse. Rettifico alcune cose:
Il motore che uso è un 3V/6V del Meccano e ho letto che a pieno carico arriva a 400mA (usano 2 o 4 batterie AA per l'alimentazione), ma sicuramente non deve compiere un grande lavoro (appena ho un tester misuro la corrente ma accidenti ora non ce l'ho). Inoltre il motore viene acceso a intermittenza (1 secondo su 3 circa).

In effetti una 9V tipica arriva al massimo a 500mA, e anche supponendo un carico a regime di 300mA raggiunge il cutoff point dei 7V(si chiama così?) in meno di venti minuti.

Propongo un'altra soluzione: Utilizzare tre batterie AA(2Ah) oppure AAA(1Ah) che danno 4.5V di tensione. Bastano all'atmega328 e dovrebbero andare discretamente anche per il motore. Così utilizzo solo il regolatore da 3.3V, che non dovrebbe avere problemi Droput perché è un LDO.

Ha senso quello che ho detto? :shock:
Avatar utente
Foto UtentePantalasso
155 3
 
Messaggi: 15
Iscritto il: 17 mar 2011, 13:02

0
voti

[10] Re: Regolatori di tensione e condensatori di livellamento?

Messaggioda Foto Utentemarco438 » 27 apr 2014, 17:32

Pantalasso ha scritto:Ha senso quello che ho detto? :shock:

In linea di massima direi di si; se disponi di 2Ah, dovrebbero essere sufficienti per una dimostrazione.
marco
Avatar utente
Foto Utentemarco438
37,1k 7 11 13
-EY Legend-
-EY Legend-
 
Messaggi: 16323
Iscritto il: 24 mar 2010, 15:09
Località: Versilia

Prossimo

Torna a Elettronica generale

Chi c’è in linea

Visitano il forum: Google Adsense [Bot] e 35 ospiti