Quello che rimane da trovare è il valore numerico della derivata, ovvero
a quanti volt al secondo è pari la v'c(0+) ? ... serve un numero reale!
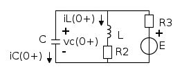
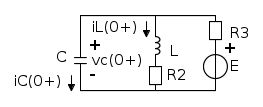
Circuito dinamico con generatore sinusoidale
Moderatori:
g.schgor,
IsidoroKZ
0
voti
Non riesco a calcolarmi
.Conosco
ma non so se serve.
.Conosco
ma non so se serve.1
voti
Freezix ha scritto:... Conoscoma non so se serve.
Certo che serve!... per calcolare ic(0+) puoi usare, iL(0+) e vc(0+) che già conosci, nonchè utilizzare (ovviamente) i parametri della rete valida per t > 0.
"Il circuito ha sempre ragione" (Luigi Malesani)
Torna a Elettrotecnica generale
Chi c’è in linea
Visitano il forum: Nessuno e 60 ospiti

Elettrotecnica e non solo (admin)
Un gatto tra gli elettroni (IsidoroKZ)
Esperienza e simulazioni (g.schgor)
Moleskine di un idraulico (RenzoDF)
Il Blog di ElectroYou (webmaster)
Idee microcontrollate (TardoFreak)
PICcoli grandi PICMicro (Paolino)
Il blog elettrico di carloc (carloc)
DirtEYblooog (dirtydeeds)
Di tutto... un po' (jordan20)
AK47 (lillo)
Esperienze elettroniche (marco438)
Telecomunicazioni musicali (clavicordo)
Automazione ed Elettronica (gustavo)
Direttive per la sicurezza (ErnestoCappelletti)
EYnfo dall'Alaska (mir)
Apriamo il quadro! (attilio)
H7-25 (asdf)
Passione Elettrica (massimob)
Elettroni a spasso (guidob)
Bloguerra (guerra)

?


