Ho comprato le resistenze e ho montato tutto e funziona, ma in parte.
Allora il problema adesso è che setto ad uno il pin della scheda al quale sono collegati i pin 3 e 8 del display e si accendono tutti i segmenti tranne il centrale.
Settando a 1 tutti i pin della scheda si spengono via via tutti i segmenti.
Il problema è che mi aspettavo che il display si accendesse totalmente settando a 1 i pin 3-8.
Inoltre, volevo ritornare sulla questione dei display perché non mi è chiara la questione catodo e anodo comune perché oggi sono andato a comprare le resistenze e ho chiesto al negoziante se aveva un display
Mi ha risposto dicendomi che ne aveva solo a catodo comune.
Quindi sono andato un po in contraddizione...
Pilotare display 7 segmenti con STM32
Moderatori:
carloc,
g.schgor,
BrunoValente,
IsidoroKZ
45 messaggi
• Pagina 2 di 5 • 1, 2, 3, 4, 5
0
voti
Ok era il display che era difettoso, evidentemente o l'ho rotto oppure era difettato...
comunque volevo chiederti informazioni riguardo a quest'altro tipo di display cosiddetto a catodo comune...
Allora esiste?Se lo volessi implementare devo fare le stesse cose purchè i pin 3 8 vengano messi a massa a questo punto no?
Grazie ancora per gli aiuti!!
comunque volevo chiederti informazioni riguardo a quest'altro tipo di display cosiddetto a catodo comune...
Allora esiste?Se lo volessi implementare devo fare le stesse cose purchè i pin 3 8 vengano messi a massa a questo punto no?
Grazie ancora per gli aiuti!!
2
voti
Vibia ha scritto:Se lo volessi implementare devo fare le stesse cose purchè i pin 3 8 vengano messi a massa a questo punto no?
Si, esatto !
Dopo devi accendere i segmenti con una logica negata rispetto a quella del dispaly ad anodo comune.
Cioè :
- segmento acceso = High
- segmento spento = Low
Verifica sempre la corrente massima del dispositivo che stai usando.
Molti dispositivi possono funzionare sia da source che da sink con gli stessi livelli di corrente, ma molti altri tendono a sopportare correnti più elevate in funzionamento come sink (cioè "tirando" a massa).
Verifica poi sempre la massima corrente che puoi fare erogare all'intero dispositivo.
Tu puoi accendere un led da 10mA con una porta che può erogarne 50mA.
Ma non puoi collegare 50 led a 50 pin di un uP pensando di potergli fare erogare 500mA !
Ricordati che puoi sempre usare dei buffer oppure dispositivi come quelli che ti ho precedentemente indicato.
Ciao
Giorgio
-

giorgio25760
2.310 1 3 5 - G.Master EY

- Messaggi: 1700
- Iscritto il: 6 dic 2009, 17:02
- Località: Brescia
1
voti
Rieccomi con un'altra piccola domanda :)
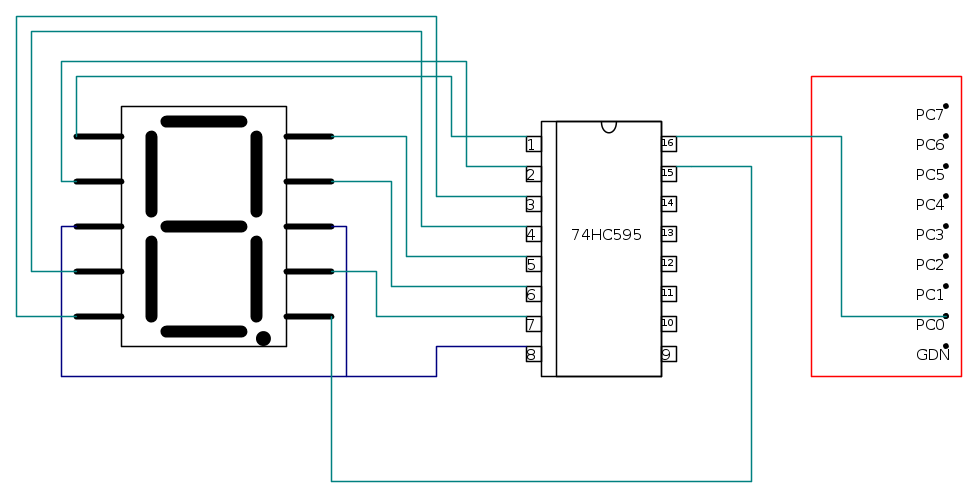
Stavo pensando di implementare il uno shift register ed ho individuato il 74hc595 in maniera tale da liberare le porte sulla mia scheda poiché ho in progetto di creare una scatolina da poter attaccare in maniera pratica alla mia st. Ovviamente credo che debba usare i display a sette segmenti a catodo comune.
Leggendo sul datasheet http://www.nxp.com/documents/data_sheet/74HC_HCT595.pdf
ho visto che ha in uscita 20mA che sono perfetti per il mio display
poi avevo pensato di effettuare i collegamenti in questo modo
ho pensato di realizzare questo tipo di connessione che però non è completa perché ho delle incertezze su certi punti:
1) La GDN al pin 8 la devo mettere alla GDN della mia scheda no?
2)Il pin 14 è l'input seriale che darò con uno dei miei pin
3)il pin 11 è il "shift register clock input" lo connetto ad una delle porte che ho a disposizione sul quale ho attivo il clock della scheda?(non mi è molto chiaro questo perché ho visto che su un arduino hanno il pin dedicato al clock)
Grazie in anticipo per il supporto
Stavo pensando di implementare il uno shift register ed ho individuato il 74hc595 in maniera tale da liberare le porte sulla mia scheda poiché ho in progetto di creare una scatolina da poter attaccare in maniera pratica alla mia st. Ovviamente credo che debba usare i display a sette segmenti a catodo comune.
Leggendo sul datasheet http://www.nxp.com/documents/data_sheet/74HC_HCT595.pdf
ho visto che ha in uscita 20mA che sono perfetti per il mio display
poi avevo pensato di effettuare i collegamenti in questo modo
ho pensato di realizzare questo tipo di connessione che però non è completa perché ho delle incertezze su certi punti:
1) La GDN al pin 8 la devo mettere alla GDN della mia scheda no?
2)Il pin 14 è l'input seriale che darò con uno dei miei pin
3)il pin 11 è il "shift register clock input" lo connetto ad una delle porte che ho a disposizione sul quale ho attivo il clock della scheda?(non mi è molto chiaro questo perché ho visto che su un arduino hanno il pin dedicato al clock)
Grazie in anticipo per il supporto
0
voti
è passato un po di tempo e ho fatto alcuni approfondimenti ma nonostante ciò sono un po in difficoltà
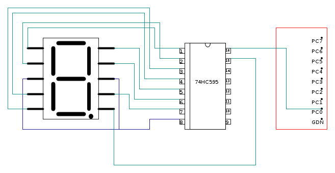
Mi sono procurato lo shift register 74HC595 e l'ho collegato sia al display che alla scheda basandomi su guide reperite in rete per realizzare la stessa cosa ma con arduino.
Credo che i collegamenti siano fatti bene in quanto i pin dell'integrato li ho collegati rispettivamente a
-Q0, Q1, Q2, Q3, Q4, Q5, Q6, Q7 ai segmenti del display opportunamente preceduti da delle resistenze da 220ohm
i pin centrali del display li ho messi a massa.
-il pin 8 dell'integrato l'ho messo a massa il pin 16 l'ho collegato all'uscita da 5v della scheda
-ho messo i pin13(OE) e il pin10(MR) a massa
-ho collegato i pin14(DS) pin12(STCP) e pin11(SHCP)
Allora adesso devo gestire il pin14(DS) per la comunicazione seriale, pin12(ST_CP) per il clock e il pin11(SH_CP) per terminale la comunicazione.
In questo discorso che ho fatto evidentemente c'è qualcosa che non va o che non ho capito bene perché hocreato scritto una funzione che mi fa da clock accendendo e spegnendo il pin12 con l'ausilio di un timer fornito dalla scheda, immetto i dati tramite il pin14 e poi setto ad un uscita alta il pin11.
Non capisco dove sbaglio...
Grazie in anticipo per le risposte!
Mi sono procurato lo shift register 74HC595 e l'ho collegato sia al display che alla scheda basandomi su guide reperite in rete per realizzare la stessa cosa ma con arduino.
Credo che i collegamenti siano fatti bene in quanto i pin dell'integrato li ho collegati rispettivamente a
-Q0, Q1, Q2, Q3, Q4, Q5, Q6, Q7 ai segmenti del display opportunamente preceduti da delle resistenze da 220ohm
i pin centrali del display li ho messi a massa.
-il pin 8 dell'integrato l'ho messo a massa il pin 16 l'ho collegato all'uscita da 5v della scheda
-ho messo i pin13(OE) e il pin10(MR) a massa
-ho collegato i pin14(DS) pin12(STCP) e pin11(SHCP)
Allora adesso devo gestire il pin14(DS) per la comunicazione seriale, pin12(ST_CP) per il clock e il pin11(SH_CP) per terminale la comunicazione.
In questo discorso che ho fatto evidentemente c'è qualcosa che non va o che non ho capito bene perché ho
Non capisco dove sbaglio...
Grazie in anticipo per le risposte!
0
voti
un SN74LS42N non sarebbe una soluzione migliore? se ti può interessare potremmo elaborare un circuito con questo integrato!
-

daniele1996
610 3 8 11 - Sostenitore

- Messaggi: 1554
- Iscritto il: 29 ago 2011, 11:29
0
voti
Ma i 74LS li producono ancora?
Erano già stra-obsoleti 20 anni fa, probabilmente esistono solo più sui libri di scuola.
L' idea di utilizzare uno Shift Register è ottima.
Erano già stra-obsoleti 20 anni fa, probabilmente esistono solo più sui libri di scuola.
L' idea di utilizzare uno Shift Register è ottima.
"La follia sta nel fare sempre la stessa cosa aspettandosi risultati diversi".
"Parla soltanto quando sei sicuro che quello che dirai è più bello del silenzio".
Rispondere è cortesia, ma lasciare l'ultima parola ai cretini è arte.
"Parla soltanto quando sei sicuro che quello che dirai è più bello del silenzio".
Rispondere è cortesia, ma lasciare l'ultima parola ai cretini è arte.
-

TardoFreak
73,9k 8 12 13 - -EY Legend-

- Messaggi: 15754
- Iscritto il: 16 dic 2009, 11:10
- Località: Torino - 3° pianeta del Sistema Solare
0
voti
Io credo che dal punto di vista dei collegamenti sia fatto tutto bene, quello sul quale adesso mi devo concentrare è la realizzazione software.
All'università mi è stato sconsigliato di usare SPI del st in quanto ci sono alcuni problemi con il clock che dovrebbe essere gestito in una determinata maniera.
Allora ho pensato di implementare una comunicazione seriale sfruttando un timer della scheda.
La mia idea era quella di
-Dare in input un clock di una certa velocità allo shift register
-Fare la comunicazione seriale
-attivare il latch di pin
Ora se è corretto il mio pensiero devo solo capire se la comunicazione dei dati deve essere sincrona al clock o no...
All'università mi è stato sconsigliato di usare SPI del st in quanto ci sono alcuni problemi con il clock che dovrebbe essere gestito in una determinata maniera.
Allora ho pensato di implementare una comunicazione seriale sfruttando un timer della scheda.
La mia idea era quella di
-Dare in input un clock di una certa velocità allo shift register
-Fare la comunicazione seriale
-attivare il latch di pin
Ora se è corretto il mio pensiero devo solo capire se la comunicazione dei dati deve essere sincrona al clock o no...
45 messaggi
• Pagina 2 di 5 • 1, 2, 3, 4, 5
Chi c’è in linea
Visitano il forum: Nessuno e 269 ospiti

Elettrotecnica e non solo (admin)
Un gatto tra gli elettroni (IsidoroKZ)
Esperienza e simulazioni (g.schgor)
Moleskine di un idraulico (RenzoDF)
Il Blog di ElectroYou (webmaster)
Idee microcontrollate (TardoFreak)
PICcoli grandi PICMicro (Paolino)
Il blog elettrico di carloc (carloc)
DirtEYblooog (dirtydeeds)
Di tutto... un po' (jordan20)
AK47 (lillo)
Esperienze elettroniche (marco438)
Telecomunicazioni musicali (clavicordo)
Automazione ed Elettronica (gustavo)
Direttive per la sicurezza (ErnestoCappelletti)
EYnfo dall'Alaska (mir)
Apriamo il quadro! (attilio)
H7-25 (asdf)
Passione Elettrica (massimob)
Elettroni a spasso (guidob)
Bloguerra (guerra)


