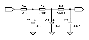
devo fare un filtro da 18db/oct tagliato 70 Hz per un HDS808. Conviene comprare le induttanze per il passivo, fare un RC prima dell'ampli, o usare un filtro attivo?Pregi e difetti delle tre soluzioni?
Moderatore:
IsidoroKZ
devo fare un filtro da 18db/oct tagliato 70 Hz per un HDS808. Conviene comprare le induttanze per il passivo, fare un RC prima dell'ampli, o usare un filtro attivo?

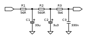
SediciAmpere ha scritto:Dev'esserci un errore di battitura sull'ultima resistenza
Certe cose meglio farle quando si hanno entrambi gli occhi bene aperti... Torna a Elettronica e spettacolo
Visitano il forum: Nessuno e 40 ospiti