Salve sono un nuovo utente, ho visto che siete una buona comunità e forse crescerò molto in ambito elettronico stando in questo forum (viste le ottime discussioni). Passiamo al problema: ho un esercizio da svolgere ma non riesco a capire una cosa in particolare. Lo schema del circuito è in allegato. Vi riporto onde evitare problemi , le condizioni iniziali.
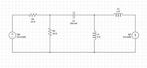
Vg1 = 10cos(2t)
Ig1 = 5cos(2t)
R1 = 10 ohm
R2 = 10 ohm
C1 = 0.5 F
L1 = 2 H
L2 = 1 H
Il professore applica il metodo dei fasori e poi quello delle maglie, fin qui ci sono. Dalle equazioni dovreste capire l'albero che sceglie (non riesco a disegnarvelo).
Maglia 1 (senso orario) ==> i1(R1 + R2) + i2(-R2) = Vg1
Maglia 2 (senso antiorario) ==> i1(R2) + i2(R2 + jwL1 + 1/(jwC1) ) +i3 (-jwL2) = 0
Maglia 3 (senso antiorario) ==> 0 + i2(-jwL1) +i3(jwL1 +jwL2) = 0
Fin qui mi trovo. Il problema è quando scrive la matrice
perché nella terza colonna mette 0,0,-1 quel -1 proprio non lo capisco e poi nella colonna dei termini noti (dopo l'uguale) mette i termini che fanno riferimento a i3 col segno cambiato?
Sapreste spiegarmelo ?
Grazie delle eventuali risposte.
Esercizio metodo dei fasori.
Moderatori:
g.schgor,
IsidoroKZ
6 messaggi
• Pagina 1 di 1
0
voti
Ciao
escher, benvenuto!
Per facilitare il compito a chi eventualmente risponderà per chiarire il tuo problema, ti consiglio di disegnare lo schema elettrico usando FIDOCADJ; in questo modo se le spiegazioni lo richiederanno lo schema elettrico potrà essere modificato, invece una immagine non può essere modificata.
Al seguente link trovi una guida all' uso di FIDOCADJ:
http://www.electroyou.it/elettrodomus/w ... -per-tonni
Inoltre, per una maggiore chiarezza e per evitare fraintendimenti, le formule matamatiche vanno scritte usando LATEX, al seguente link trovi una guida all' uso:
http://www.electroyou.it/mrc/wiki/intro ... o-di-latex
Leggi le regole del forum.
Per facilitare il compito a chi eventualmente risponderà per chiarire il tuo problema, ti consiglio di disegnare lo schema elettrico usando FIDOCADJ; in questo modo se le spiegazioni lo richiederanno lo schema elettrico potrà essere modificato, invece una immagine non può essere modificata.
Al seguente link trovi una guida all' uso di FIDOCADJ:
http://www.electroyou.it/elettrodomus/w ... -per-tonni
Inoltre, per una maggiore chiarezza e per evitare fraintendimenti, le formule matamatiche vanno scritte usando LATEX, al seguente link trovi una guida all' uso:
http://www.electroyou.it/mrc/wiki/intro ... o-di-latex
Leggi le regole del forum.
4
voti
Premesso che la seguente equazione
è errata, in quanto incompleta, scrivendo la matrice il tuo prof. la i3 non l'ha proprio usata in quanto la corrente d'anello nella terza maglia è nota e pari alla Ig2, ha invece considerato come terza incognita la tensione Vg2 ai morsetti del GIC (con il positivo sul morsetto superiore) e ha scritto un sistema in tre incognite (i1,i2,Vg2), e tre equazioni (le 3 KVL) che, prendendo come tu hai già indicato, la convenzione per le correnti di maglia, oraria nella prima e antioraria nella seconda e nella terza, si scriveranno nel seguente modo

La terza colonna della matrice è quindi quella relativa all'incognita Vg2 che, comparendo solo (con coefficiente -1) nella terza equazione, porterà ad avere solo il terzo elemento della colonna ad essere diverso da zero.
escher ha scritto:... Maglia 3 (senso antiorario) ==> 0 + i2(-jwL1) +i3(jwL1 +jwL2) = 0
è errata, in quanto incompleta, scrivendo la matrice il tuo prof. la i3 non l'ha proprio usata in quanto la corrente d'anello nella terza maglia è nota e pari alla Ig2, ha invece considerato come terza incognita la tensione Vg2 ai morsetti del GIC (con il positivo sul morsetto superiore) e ha scritto un sistema in tre incognite (i1,i2,Vg2), e tre equazioni (le 3 KVL) che, prendendo come tu hai già indicato, la convenzione per le correnti di maglia, oraria nella prima e antioraria nella seconda e nella terza, si scriveranno nel seguente modo

La terza colonna della matrice è quindi quella relativa all'incognita Vg2 che, comparendo solo (con coefficiente -1) nella terza equazione, porterà ad avere solo il terzo elemento della colonna ad essere diverso da zero.
"Il circuito ha sempre ragione" (Luigi Malesani)
0
voti
Ringrazio mrc per il benvenuto e terrò a mente i consigli che mi ha dato e mi scuso.
Per RenzoDF: si scusami ho sbagiato a scrivere mancava il generatore di corrente.
Facendo la maglie conoscono la corrente ma non la tensione di ig2 quindi in pratica metti i3 = ig2 e scrivi le equazioni. Però ora ho due domande:
0 - Nella prima maglia metti Vg1 positivo quando la corrente entra dal morsetto negativo (quello in basso). perché, visto che sto andando in senso orario?
1 - Nella terza equazione metti Vg2 (poiché è l'incognita del generatore di corrente) ma perché lo metti col sengo negativo quando la corrente gira in senso antiorario? Dovrebbe essere positivo, o mi sbaglio?
Ps: Nei prossimi giorni non avrò il computer, quindi credo che vi risponderò dal cell se posso. Mi scuso ancora.
Grazie delle risposte, mi state chiarendo sempre più le idee.
Per RenzoDF: si scusami ho sbagiato a scrivere mancava il generatore di corrente.
Facendo la maglie conoscono la corrente ma non la tensione di ig2 quindi in pratica metti i3 = ig2 e scrivi le equazioni. Però ora ho due domande:
0 - Nella prima maglia metti Vg1 positivo quando la corrente entra dal morsetto negativo (quello in basso). perché, visto che sto andando in senso orario?
1 - Nella terza equazione metti Vg2 (poiché è l'incognita del generatore di corrente) ma perché lo metti col sengo negativo quando la corrente gira in senso antiorario? Dovrebbe essere positivo, o mi sbaglio?
Ps: Nei prossimi giorni non avrò il computer, quindi credo che vi risponderò dal cell se posso. Mi scuso ancora.
Grazie delle risposte, mi state chiarendo sempre più le idee.
3
voti
escher ha scritto:.. ho due domande: ...Nella prima maglia metti Vg1 positivo quando la corrente entra dal morsetto negativo ... Nella terza equazione metti Vg2 ... perché lo metti col sengo negativo quando la corrente gira in senso antiorario?
Premesso che il segno di un GIT come anche quello di una qualsiasi scelta convenzionale per il positivo di una tensione è indipendente dalla scelta convenzionale del verso della corrente, io, quando scrivo una KVL e quindi percorro una maglia in un certo verso (arbitrario), considero positive le tensioni quando passo dal negativo al positivo, ovvero quando salgo in potenziale, negative in caso contrario; di conseguenza, per esempio, scelto il verso per la prima corrente dell'anello sinistro orario, percorrendolo a partire dall'angolo inferiore sinistro, trovo una "salita" pari a +Vg1, seguita da una "discesa" su R1 pari a -R1*i1 (avendo scelto una convenzione degli utilizzatori per detto bipolo) ed infine una discesa -R2*(i1+i2) sul secondo resistore (vista la convenzione di verso antiorario per i2), che mi fa ritornare al "livello" di partenza.
"Il circuito ha sempre ragione" (Luigi Malesani)
0
voti
Grazie mille delle risposte, credo di aver capito.
Grazie ancora!
Grazie ancora!
6 messaggi
• Pagina 1 di 1
Torna a Elettrotecnica generale
Chi c’è in linea
Visitano il forum: Nessuno e 50 ospiti

Elettrotecnica e non solo (admin)
Un gatto tra gli elettroni (IsidoroKZ)
Esperienza e simulazioni (g.schgor)
Moleskine di un idraulico (RenzoDF)
Il Blog di ElectroYou (webmaster)
Idee microcontrollate (TardoFreak)
PICcoli grandi PICMicro (Paolino)
Il blog elettrico di carloc (carloc)
DirtEYblooog (dirtydeeds)
Di tutto... un po' (jordan20)
AK47 (lillo)
Esperienze elettroniche (marco438)
Telecomunicazioni musicali (clavicordo)
Automazione ed Elettronica (gustavo)
Direttive per la sicurezza (ErnestoCappelletti)
EYnfo dall'Alaska (mir)
Apriamo il quadro! (attilio)
H7-25 (asdf)
Passione Elettrica (massimob)
Elettroni a spasso (guidob)
Bloguerra (guerra)



