Cos'è ElectroYou | Login Iscriviti

ElectroYou - la comunità dei professionisti del mondo elettrico

Dimmer per lampada con PIC

Elettronica lineare e digitale: didattica ed applicazioni

Moderatori: Foto Utentecarloc, Foto Utenteg.schgor, Foto UtenteBrunoValente, Foto UtenteIsidoroKZ

0
voti

[11] Re: Dimmer per lampada con PIC

Messaggioda Foto Utentericello9 » 14 mag 2014, 15:06

Cosa succede se non colleghi il canale 2 e guardi solo il canale 1?


Adesso sono al lavoro è ho rifatto la misure con un altro oscilloscopio, ti posto i risultati:
Con entrambe le sonde:
imma1.jpg


Cosa succede se non colleghi il canale 2 e guardi solo il canale 1?

imma2.jpg


Da quello che mi hai detto dovrei usare un riferimento comune per entrambe le sonde, ma dove vado a prenderlo?
Avatar utente
Foto Utentericello9
195 1 3 7
Stabilizzato
Stabilizzato
 
Messaggi: 360
Iscritto il: 16 mar 2009, 0:13

1
voti

[12] Re: Dimmer per lampada con PIC

Messaggioda Foto UtentePietroBaima » 14 mag 2014, 15:58

AAARGH...

se tu colleghi la sonde nel modo che hai descritto avrai due grossi problemi, il primo è che la massa dell'oscilloscopio è collegata a terra, per cui colleghi automaticamente a terra anche il punto che vuoi usare come riferimento.
Secondo le masse dei due canali sono collegate tra loro, per cui cortocircuiti i due punti che prendi come riferimento.

In pratica capita questo:



Quindi ci sarà della corrente che, dalla fase, scorrerà verso terra (e anche poca dal neutro) attraverso i diodi, impedendo al fotoaccoppiatore di funzionare correttamente.

Inoltre, fortunatamente, ho diviso la resistenza di accensione del led interno al fotoaccoppiatore in due e l'ho messa prima del ponte (l'avevo fatto per proteggere il ponte ed il fotoaccoppiatore da sovratensioni sulla rete) che hanno limitato la corrente circolante nelle sonde dell'oscilloscopio, altrimenti avresti potuto danneggiarlo e far saltare il magnetotermico/differenziale generale dell'impianto 230V.

Non farlo più.

Comunque, per fortuna, ci è andata bene. Cercherò di ricordarmi di dirlo prima, per le prossime volte.

Collega esclusivamente l'oscilloscopio a valle del fotoaccoppiatore, dove sei completamente isolato dalla rete.
La seconda foto del tuo post [11] ci dice che il circuito sembra funzionare: l'uscita è sempre ad 1 tranne quando si ha lo zero crossing, è proprio il funzionamento negato che volevamo ottenere.

Riesci a fare lo zoom sullo zero crossing e a postare una foto?

ricello9 ha scritto:Da quello che mi hai detto dovrei usare un riferimento comune per entrambe le sonde, ma dove vado a prenderlo?

No, quando si devono fare misure con l'oscilloscopio su segnali non isolati dalla rete bisogna utilizzare una sonda differenziale isolata, per esempio vedi qui.

Ciao,
Pietro.
Generatore codice per articoli:
nomi
Sul forum:
[pigreco]=π
[ohm]=Ω
[quadrato]=²
[cubo]=³
Avatar utente
Foto UtentePietroBaima
90,7k 7 12 13
G.Master EY
G.Master EY
 
Messaggi: 12207
Iscritto il: 12 ago 2012, 1:20
Località: Londra

0
voti

[13] Re: Dimmer per lampada con PIC

Messaggioda Foto Utentericello9 » 14 mag 2014, 16:53

Quindi ci sarà della corrente che, dalla fase, scorrerà verso terra (e anche poca dal neutro) attraverso i diodi, impedendo al fotoaccoppiatore di funzionare correttamente.


Ecco perché ieri sera mentre smanettavo con le sonde mi è saltato un paio di volte il differenziale.

La seconda foto del tuo post [11] ci dice che il circuito sembra funzionare: l'uscita è sempre ad 1 tranne quando si ha lo zero crossing, è proprio il funzionamento negato che volevamo ottenere.

Riesci a fare lo zoom sullo zero crossing e a postare una foto?


Ma correggimi se sbaglio, la seconda foto nel post [11] rappresenta la misura a monte del TLP-550, che risulta negata, mentre quella a valle è la seguente:
imm.jpg

Non è questa che dovrebbe essere negata?

Grazie per l'aiuto
Marcello
Avatar utente
Foto Utentericello9
195 1 3 7
Stabilizzato
Stabilizzato
 
Messaggi: 360
Iscritto il: 16 mar 2009, 0:13

4
voti

[14] Re: Dimmer per lampada con PIC

Messaggioda Foto UtentePaolino » 14 mag 2014, 17:19

Per poterti isolare dalla rete avresti potuto impiegare un trafo. Con un 1:1 avresti ottenuto le tensioni di rete anche al secondario.
Oppure, come dicevo in qualche post fa, con un uscita a 9V ti evitavi anche di dover manovrare il 230.

Ciao.

Paolo.

P.S. Foto UtentePietroBaima, ottima risposta! :ok:
"Houston, Tranquillity Base here. The Eagle has landed." - Neil A.Armstrong

-------------------------------------------------------------

PIC Experience - http://www.picexperience.it
Avatar utente
Foto UtentePaolino
32,6k 8 12 13
G.Master EY
G.Master EY
 
Messaggi: 4226
Iscritto il: 20 gen 2006, 11:42
Località: Vigevano (PV)

2
voti

[15] Re: Dimmer per lampada con PIC

Messaggioda Foto UtentePietroBaima » 14 mag 2014, 17:21

sì, scusa, ho confuso le foto!! Sono proprio rimba...

La forma d'onda che tira fuori quel circuito è questa: (ho rubato a Foto UtentePaolino il disegno, speriamo che non gli serva :D )



Quello che succede è che quando la tensione di rete arriva in prossimità dello 0V il led interno al fotoaccoppiatore si spegne, il transistor si interdice e la tensione di uscita sale.
Il massimo si ha quando la tensione di rete è praticamente nulla.
Quando la tensione di rete si sposta dallo zero (andando sopra lo zero o sotto non importa perché c'è un ponte di diodi) il led si riaccende gradualmente e fa saturare il transistor, quindi la tensione di uscita scende.

In pratica, per essere sicuri di avere un interrupt dopo l'attraversamento dello zero conviene triggerare l'interrupt sul fronte in discesa.
Il piccolo ritardo tra il massimo e il trigger non dovrebbe essere un problema.
I programmatori più raffinati, per eliminarlo, triggerano invece sul fronte in salita, inserendo poi un ritardo fisso (essendo la frequenza di rete sempre 50Hz) per essere sicuri di riportarsi dopo lo zero crossing.
Con questo stratagemma eliminano anche il piccolo ritardo di trigger, in modo da estrarre dalla lampada il massimo della luminosità.
Molto spesso la differenza è trascurabile.

Ciao,
Pietro.
Generatore codice per articoli:
nomi
Sul forum:
[pigreco]=π
[ohm]=Ω
[quadrato]=²
[cubo]=³
Avatar utente
Foto UtentePietroBaima
90,7k 7 12 13
G.Master EY
G.Master EY
 
Messaggi: 12207
Iscritto il: 12 ago 2012, 1:20
Località: Londra

0
voti

[16] Re: Dimmer per lampada con PIC

Messaggioda Foto UtentePietroBaima » 14 mag 2014, 17:25

Paolino ha scritto:P.S. Foto UtentePietroBaima, ottima risposta! :ok:

Grazie! :D
Generatore codice per articoli:
nomi
Sul forum:
[pigreco]=π
[ohm]=Ω
[quadrato]=²
[cubo]=³
Avatar utente
Foto UtentePietroBaima
90,7k 7 12 13
G.Master EY
G.Master EY
 
Messaggi: 12207
Iscritto il: 12 ago 2012, 1:20
Località: Londra

0
voti

[17] Re: Dimmer per lampada con PIC

Messaggioda Foto Utentericello9 » 14 mag 2014, 22:10

Ottima spiegazione PietroBaima.
FIno a questo punto ci sono, sono riuscito a ricavare lo zero crossing per poi rielaborarlo per darlo in pasto al PIC.
Ho utilizzato un PIC18f26K22 e con questo codice
Codice: Seleziona tutto

  if(INTCONbits.INT0IF==1)    //interrupt generato da RB0
  {
      LED_1=LED_1^1;
      INTCONbits.INT0IF =0; //reset del flag dell'interrupt
   }

ho verificato che la funzione di interrupt sul fronte di discesa del pin RB0 funzionasse.
Questo è il risultato misurato ai capi del LED_1
NewFile0.jpg
NewFile0.jpg (101.12 KiB) Osservato 8694 volte


Fin qua sembra tutto ok.

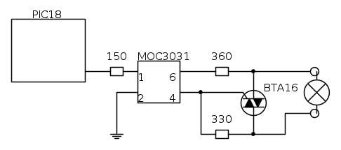
Adesso per pilotare la mia lampada ho pensato ad un circuito del genere:

E' corretto?

Per poterti isolare dalla rete avresti potuto impiegare un trafo. Con un 1:1 avresti ottenuto le tensioni di rete anche al secondario.
Oppure, come dicevo in qualche post fa, con un uscita a 9V ti evitavi anche di dover manovrare il 230.


Nel progetto finale seguirò il tuo consiglio nell'utilizzare un trafo da 9V per evitare problemi.

Grazie
Marcello
Avatar utente
Foto Utentericello9
195 1 3 7
Stabilizzato
Stabilizzato
 
Messaggi: 360
Iscritto il: 16 mar 2009, 0:13

0
voti

[18] Re: Dimmer per lampada con PIC

Messaggioda Foto UtentePietroBaima » 14 mag 2014, 22:40

Ti ringrazio.
Non utilizzare un fototriac con ZCD interno che non va molto bene.
Utilizza un MOC3020 che è OC di tipo "plain".
Qui hai il datasheet e, a pagina 4, in figura 5, hai il circuito che devi utilizzare per il tuo scopo.
RL è la lampada e la resistenza Rin (per accendere il led del fotoaccoppiatore) può essere 390\Omega.
Ho notato, se ho visto bene dalle foto che hai postato, che il trigger di interrupt è circa 1.5ms dallo zero crossing, questo significa che perderai circa (se non ho fatto errori di conto) l'8% della luminosità massima (ho considerato la resistenza della lampada costante rispetto alla tensione applicata, che non è vero, ma mi interessava un dato spannometrico).
Dovrebbe essere ok, comunque, se la cosa non ti soddisferà potremo triggerare sul fronte in salita con ritardo fisso. Prima però proviamo così.

Non va bene, invece, l'impulso che generi. Non generare un impulso lungo ben tutto il semiperiodo, è sufficiente un piccolo impuso di 0.5ms o anche meno ogni volta che si ha uno zero crossing.
Dovrai poi inserire un ritardo per diminuire la potenza della lampada, ma prima prova così: la lampada dovrebbe accendersi a luminosità massima o quasi.

Ciao,
Pietro.
Generatore codice per articoli:
nomi
Sul forum:
[pigreco]=π
[ohm]=Ω
[quadrato]=²
[cubo]=³
Avatar utente
Foto UtentePietroBaima
90,7k 7 12 13
G.Master EY
G.Master EY
 
Messaggi: 12207
Iscritto il: 12 ago 2012, 1:20
Località: Londra

0
voti

[19] Re: Dimmer per lampada con PIC

Messaggioda Foto UtentePietroBaima » 14 mag 2014, 23:00

ricello9 ha scritto:Nel progetto finale seguirò il tuo consiglio nell'utilizzare un trafo da 9V per evitare problemi


Magari prima di montare il tutto posta lo schema elettrico che ci diamo un'occhiata ;-)

Ciao,
Pietro.
Generatore codice per articoli:
nomi
Sul forum:
[pigreco]=π
[ohm]=Ω
[quadrato]=²
[cubo]=³
Avatar utente
Foto UtentePietroBaima
90,7k 7 12 13
G.Master EY
G.Master EY
 
Messaggi: 12207
Iscritto il: 12 ago 2012, 1:20
Località: Londra

1
voti

[20] Re: Dimmer per lampada con PIC

Messaggioda Foto UtenteGalaxi93 » 14 mag 2014, 23:19

Tempo fa realizzai una centralina per luci di natale a 5 canali con un PIC12F1840 e per generare il segnale di zero-crossing usai questo circuitino che sfrutta il trasformatore usato per alimentare il PIC:



Genera un impulso ad ogni passaggio per lo zero della sinusoide raddrizzata (quindi 100Hz). Se usi un trasformatore per alimentare il PIC mi sembra la via più semplice per avere questo segnale.

Saluti,
Galaxi93.

Visita il mio sito!! E' ancora in costruzione, ma anche tu puoi contribuire a farlo crescere e darmi dei consigli per migliorarlo! Dai prova, provare non costa nulla! Vieni!
Avatar utente
Foto UtenteGalaxi93
3.118 3 7 13
Master
Master
 
Messaggi: 617
Iscritto il: 15 apr 2009, 16:27

PrecedenteProssimo

Torna a Elettronica generale

Chi c’è in linea

Visitano il forum: Nessuno e 148 ospiti