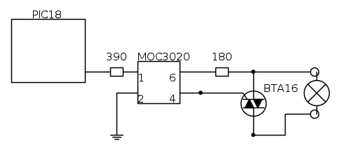
Se è solo per quello allora si potrebbe anche non isolare dalla 230V, in questo modo:
E' un metodo che tutela meno il circuito rispetto a quello con il fotoaccoppiatore (che ha le resistenze divise prima del ponte) ma funziona.
Bisogna tenere anche in conto che il trasformatore introduce un errore di fase tanto meno presente quanto più il suo accoppiamento è perfetto.
Ciao,
Pietro.
Dimmer per lampada con PIC
Moderatori:
carloc,
g.schgor,
BrunoValente,
IsidoroKZ
2
voti
-

PietroBaima
90,7k 7 12 13 - G.Master EY

- Messaggi: 12206
- Iscritto il: 12 ago 2012, 1:20
- Località: Londra
2
voti
Non utilizzare un fototriac con ZCD interno che non va molto bene.
Utilizza un MOC3020 che è OC di tipo "plain".
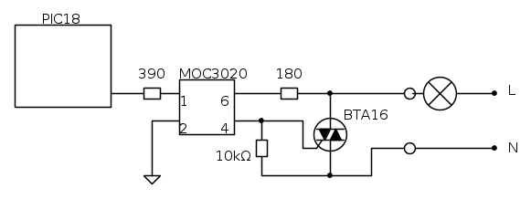
Si hai ragione, ho fatto un errore di battitura. Lo schema finale dovrebbe essere questo:
Ho notato, se ho visto bene dalle foto che hai postato, che il trigger di interrupt è circa 1.5ms dallo zero crossing, questo significa che perderai circa (se non ho fatto errori di conto) l'8% della luminosità massima (ho considerato la resistenza della lampada costante rispetto alla tensione applicata, che non è vero, ma mi interessava un dato spannometrico).
In teoria non dovrebbe essere un problema perdere 8% della luminosità, comunque quando sono a posto con il circuito provo a risolvere anche questo problema come mi hai suggerito tu.
Non va bene, invece, l'impulso che generi. Non generare un impulso lungo ben tutto il semiperiodo, è sufficiente un piccolo impuso di 0.5ms o anche meno ogni volta che si ha uno zero crossing.
Dovrai poi inserire un ritardo per diminuire la potenza della lampada, ma prima prova così: la lampada dovrebbe accendersi a luminosità massima o quasi.
Questa che ti posto è un'altra immagine del segnale generato dalla scheda, il canale 1 rappresenta il comando inviato al moc, gia comprensivo di ritardo, mentre nel canale 2 è mostrato il segnale di zero crossing.
Dal tuo suggeriemtno dovrei risurre a 0,5ms la durata del segnale inviato a l moc?
Ma come fa la lampada a rimanere accesa con un segnale così breve?
Con la modifica alla durata del segnale di comando al moc il risultato non è questo?
Mi sa che mi sfugge qualcosa?
Adesso provo a collegare la lampada e vediamo come funziona.
Grazie
2
voti
PietroBaima ha scritto:Se è solo per quello allora si potrebbe anche non isolare dalla 230V, in questo modo:
Però poi bisogna ricordarsi che in quel modo il circuito non è isolato e quindi diventa necessario l'isolamento meccanico ed evitare di toccare con le mani circuito e piste. La soluzione di alimentazione non isolata offre indubbi vantaggi circa la riduzione degli ingombri, ma introduce la necessità di isolare il circuito per evitare contatti accidentali.
Ciao.
Paolo.
"Houston, Tranquillity Base here. The Eagle has landed." - Neil A.Armstrong
-------------------------------------------------------------
PIC Experience - http://www.picexperience.it
-------------------------------------------------------------
PIC Experience - http://www.picexperience.it
-

Paolino
32,6k 8 12 13 - G.Master EY

- Messaggi: 4226
- Iscritto il: 20 gen 2006, 11:42
- Località: Vigevano (PV)
0
voti
Quoto in pieno
PietroBaima al post [21].
il mio primo circuito a micro è proprio stato questo, per controllare una lampada ad incandescenza, e per il sincronismo ho adottato la resistenza serie su pin-INT; andando ad invertire ad ogni lettura il fronte dell'interrupt ottieni esattamente un INT alll'inizio di ogni semionda; usando la massa comune si può anche omettere l'opto di uscita, con un'impulso di qualche mS la corrente di alimentazione del circuito rimane comunque molto bassa.
l'alimentazione la ho ottenuta con condensatore serie da 0.22Uf, (lasciare resistenza serie da 100ohm è comunque meglio), non scalda ed alimenta come la resistenza.
Ovvio che il circuito rimane a 220 V~, occhio.
mentre non mi piace la soluzione al post [20], prendere il sincronismo dopo trasformatore sicuramente non da sufficiente precisione.
il mio primo circuito a micro è proprio stato questo, per controllare una lampada ad incandescenza, e per il sincronismo ho adottato la resistenza serie su pin-INT; andando ad invertire ad ogni lettura il fronte dell'interrupt ottieni esattamente un INT alll'inizio di ogni semionda; usando la massa comune si può anche omettere l'opto di uscita, con un'impulso di qualche mS la corrente di alimentazione del circuito rimane comunque molto bassa.
l'alimentazione la ho ottenuta con condensatore serie da 0.22Uf, (lasciare resistenza serie da 100ohm è comunque meglio), non scalda ed alimenta come la resistenza.
Ovvio che il circuito rimane a 220 V~, occhio.
mentre non mi piace la soluzione al post [20], prendere il sincronismo dopo trasformatore sicuramente non da sufficiente precisione.
-

lelerelele
4.899 3 7 9 - Master

- Messaggi: 5505
- Iscritto il: 8 giu 2011, 8:57
- Località: Reggio Emilia
1
voti
ricello9 ha scritto:In teoria non dovrebbe essere un problema perdere 8% della luminosità, comunque quando sono a posto con il circuito provo a risolvere anche questo problema come mi hai suggerito tu.
Ok, quando sarai a posto, se non ti soddisferà, ci andrà poco a metterlo a posto.
Mi sta anche venendo una ideuzza per la luminosità, ma ne parliamo poi, ora è prematuro.
ricello9 ha scritto:Dal tuo suggeriemtno dovrei risurre a 0,5ms la durata del segnale inviato a l moc?
Sì
ricello9 ha scritto:Ma come fa la lampada a rimanere accesa con un segnale così breve?
Devi sapere che il TRIAC è un dispositivo "con memoria".
Supponiamo che il TRIAC sia un interruttore comandato dal gate.
Quando gli dai un impulso sul gate l'interruttore si chiude e, nota bene, resta chiuso finché gli scorre corrente attraverso.
Pertanto se, subito dopo lo zero crossing, chiudi l'interruttore dando un impulso sul gate, lui rimarrà chiuso per tutta la prima semionda. Al successivo zero crossing la tensione di rete andrà a zero e, quindi, anche la corrente nel TRIAC che si aprirà. Per farlo chiudere nuovamente servirà un nuovo impulso.
Più l'impulso arriva tardi, dopo lo zero crossing, meno tempo il TRIAC resterà chiuso e quindi la potenza in arrivo alla lampada diminuirà proporzionalmente.
Basta quindi un piccolo impulso al gate per eccitare il TRIAC per tutto il resto della semionda.
ricello9 ha scritto:Con la modifica alla durata del segnale di comando al moc il risultato non è questo?
lo sarà quando avrai implementato un ritardo software da 0 a una decina di ms che "parzializzerà" la potenza alla lampada.
Ciao,
Pietro.
-

PietroBaima
90,7k 7 12 13 - G.Master EY

- Messaggi: 12206
- Iscritto il: 12 ago 2012, 1:20
- Località: Londra
1
voti
Paolino ha scritto:Però poi bisogna ricordarsi che in quel modo il circuito non è isolato e quindi diventa necessario l'isolamento meccanico ed evitare di toccare con le mani circuito e piste.
Assolutamente, concordo in pieno. In generale, dal punto di vista della sicurezza, avere un circuito non isolato dalla rete è sempre una pessima idea.
In genere si fa perché il circuito definitivo è molto più piccolo, ma richiede mani molto esperte.
Bisogna poi, se si intende riprogrammare il micro in corso d'opera o per debug, interporre una scheda di isolamento.
Mai e poi mai collegare il programmatore (collegato a sua volta al PC) ad una scheda non isolata dalla rete!
ok,
Ciao,
Pietro.
-

PietroBaima
90,7k 7 12 13 - G.Master EY

- Messaggi: 12206
- Iscritto il: 12 ago 2012, 1:20
- Località: Londra
0
voti
Grazie.
lelerelele ha scritto:mentre non mi piace la soluzione al post [20], prendere il sincronismo dopo trasformatore sicuramente non da sufficiente precisione.
Se il trasformatore non fa proprio schifo si può fare. La perdita di luminosità non è molto importante.
Comunque la soluzione con fotoaccoppiatore o senza isolamento è senz'altro più precisa.
Il nostro occhio è di bocca buona!
Comunque con carichi diversi da una lampada si può notare anche una differenza importante.
Diventa anche necessario triggerare sul fronte in salita e fare delle stime sugli offset di ritardo ottimi da implementare.
Ciao,
Pietro.
-

PietroBaima
90,7k 7 12 13 - G.Master EY

- Messaggi: 12206
- Iscritto il: 12 ago 2012, 1:20
- Località: Londra
1
voti
Se impieghi un clock sufficientemente veloce (>10MHz) magari con qualche decina di microsecondi riesci a risolvere il tutto. Se riesco faccio delle foto con un circuito che ho sviluppato anni fa (e che usa il trafo)
Ciao.
Paolo.
"Houston, Tranquillity Base here. The Eagle has landed." - Neil A.Armstrong
-------------------------------------------------------------
PIC Experience - http://www.picexperience.it
-------------------------------------------------------------
PIC Experience - http://www.picexperience.it
-

Paolino
32,6k 8 12 13 - G.Master EY

- Messaggi: 4226
- Iscritto il: 20 gen 2006, 11:42
- Località: Vigevano (PV)
0
voti
-

PietroBaima
90,7k 7 12 13 - G.Master EY

- Messaggi: 12206
- Iscritto il: 12 ago 2012, 1:20
- Località: Londra
0
voti
PietroBaima ha scritto:Se il trasformatore non fa proprio schifo si può fare...
Il nostro occhio è di bocca buona!![]()
![]()
Sono d'accordo con te, ma in particolare mi riferivo all'effetto che sarà inutile dal punto di vista pratico, ma bello da vedere per chi ha progettato il circuito, vedere la lampada che al minimo fa la brace rossa.
Paolino ha scritto:c'è un altro aspetto non trascurabile ed è la latenza complessiva.....
io usai ingresso INT per la lettura del sincronismo, con questo andavo ad inserire un valore in un Timer, (che quindi viene calcolato al di fuori del ciclo interrupt, ed all'overflow di questo, tramite interrupt del timer innescavo il triac, il circuito va molto bene;
usato anche con martello pneumatico, trapano, flessibile.
-

lelerelele
4.899 3 7 9 - Master

- Messaggi: 5505
- Iscritto il: 8 giu 2011, 8:57
- Località: Reggio Emilia
Chi c’è in linea
Visitano il forum: Nessuno e 78 ospiti

Elettrotecnica e non solo (admin)
Un gatto tra gli elettroni (IsidoroKZ)
Esperienza e simulazioni (g.schgor)
Moleskine di un idraulico (RenzoDF)
Il Blog di ElectroYou (webmaster)
Idee microcontrollate (TardoFreak)
PICcoli grandi PICMicro (Paolino)
Il blog elettrico di carloc (carloc)
DirtEYblooog (dirtydeeds)
Di tutto... un po' (jordan20)
AK47 (lillo)
Esperienze elettroniche (marco438)
Telecomunicazioni musicali (clavicordo)
Automazione ed Elettronica (gustavo)
Direttive per la sicurezza (ErnestoCappelletti)
EYnfo dall'Alaska (mir)
Apriamo il quadro! (attilio)
H7-25 (asdf)
Passione Elettrica (massimob)
Elettroni a spasso (guidob)
Bloguerra (guerra)
pigreco]=π



