Cos'è ElectroYou | Login Iscriviti

ElectroYou - la comunità dei professionisti del mondo elettrico

Dimmer per lampada con PIC

Elettronica lineare e digitale: didattica ed applicazioni

Moderatori: Foto Utentecarloc, Foto Utenteg.schgor, Foto UtenteBrunoValente, Foto UtenteIsidoroKZ

0
voti

[41] Re: Dimmer per lampada con PIC

Messaggioda Foto Utentericello9 » 20 mag 2014, 23:03

Ho utiizzato un trasformatore con doppio secondario da 0-12V, ho sostituito le due resistenze da 56K con due da 2,7K come mi hai suggerito e questo è il risultato della misura effettuata:
NewFile3.jpg
NewFile3.jpg (37.21 KiB) Osservato 6920 volte


La misura del secondo canale l'ho effettuata sul pin 1 del MOC, ma forse non è corretto perché escludo i ritardi del triac e del moc; giusto?

er la resistenza del fotodiodo prova con 2.7k\Omega, se alimenti a 12 V.
Se alimenti a 24 V mettila da 5.6k\Omega
Puoi calcolarla usando la legge di Ohm.

Pensavo che per le tensioni alternate bisognava usare il valore efficace della tensione.

Grazie per l'aiuto
Avatar utente
Foto Utentericello9
195 1 3 7
Stabilizzato
Stabilizzato
 
Messaggi: 360
Iscritto il: 16 mar 2009, 0:13

0
voti

[42] Re: Dimmer per lampada con PIC

Messaggioda Foto Utentelelerelele » 21 mag 2014, 11:34

devi scusarmi se mi intrometto, non capendo quale sia lo schema usato per questa lettura del sincronismo,

a cosa sarebbe dovuto il ritardo? quali sono i punti di lettura?


il ch2 lo hai prerso sull'anodo del diodo, ed i conti non tornano, come mai non hai la semionda negativa intera?

poi il ch1 deve essere pressapoco in linea con il fornte di salita del ch2 e non della discesa...
l'uscita dell opto sarà collegato direttamente a +V, con pulldown verso massa, sempre che non abbia capito niente di come sono collegati.

perché stai parlando di ritardi dell'ordine di 400usec che sono molti per un componente......secondo me.
Avatar utente
Foto Utentelelerelele
4.899 3 7 9
Master
Master
 
Messaggi: 5505
Iscritto il: 8 giu 2011, 8:57
Località: Reggio Emilia

1
voti

[43] Re: Dimmer per lampada con PIC

Messaggioda Foto UtentePietroBaima » 21 mag 2014, 12:43

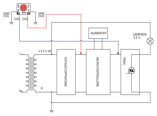
Mi confermi che la misura del secondo canale l'hai presa dal MOC e non dal fotoaccoppiatore di ingresso?


In pratica il setup di misura è questo:



Dovresti vedere una cosa del genere:



La forma d'onda sulla lampada sarà vista in quel modo perché quando il TRIAC chiude porrà a massa il terminale della lampada sotto test. Viceversa, quando sarà aperto, la lampada farà da "pull-up", facendoti vedere la tensione di ingresso.
Dal grafico che ti ho fatto puoi quindi stimare i ritardi reali.

ricello9 ha scritto:Pensavo che per le tensioni alternate bisognava usare il valore efficace della tensione.

No, perché la sinusoide di ingresso viene raddrizzata.
Inoltre il diodo non è lineare, per cui si può soltanto calcolare una corrente minima (zero) e una corrente massima (quella ottenuta utilizzando il valore massimo).
Diverso sarebbe lo stimare la potenza media da lui dissipata.
In ogni caso non sono valori per nulla critici, per cui ho utilizzato il valore efficace, e non quello massimo ;-)

Ciao,
Pietro.
Generatore codice per articoli:
nomi
Sul forum:
[pigreco]=π
[ohm]=Ω
[quadrato]=²
[cubo]=³
Avatar utente
Foto UtentePietroBaima
90,7k 7 12 13
G.Master EY
G.Master EY
 
Messaggi: 12206
Iscritto il: 12 ago 2012, 1:20
Località: Londra

1
voti

[44] Re: Dimmer per lampada con PIC

Messaggioda Foto UtentePietroBaima » 21 mag 2014, 12:51

lelerelele ha scritto:devi scusarmi se mi intrometto, non capendo quale sia lo schema usato per questa lettura del sincronismo,




lelerelele ha scritto:a cosa sarebbe dovuto il ritardo? quali sono i punti di lettura?

Al fatto che il microcontrollore campiona l'evento sul fronte in discesa.
Se lo facesse sul fronte in salita, per come è fatto il circuito, verrebbe generato un INT prima
dello zero crossing, per cui bisognerebbe compensare.
Nel nostro caso non si vuole essere così fini, contando che, per una lampada ad incandescenza, l'errore
introdotto non è nulla di grave.

Ciao,
Pietro.
Generatore codice per articoli:
nomi
Sul forum:
[pigreco]=π
[ohm]=Ω
[quadrato]=²
[cubo]=³
Avatar utente
Foto UtentePietroBaima
90,7k 7 12 13
G.Master EY
G.Master EY
 
Messaggi: 12206
Iscritto il: 12 ago 2012, 1:20
Località: Londra

0
voti

[45] Re: Dimmer per lampada con PIC

Messaggioda Foto Utentericello9 » 21 mag 2014, 13:58

Come pensavo la misura dovevo farla ai capi della lampada come mi hai suggerito tu, questa sera riprovo.

l'immagine che ho postato in precendenza mostra la situazione con i seguenti collegamaneti:


Il canale due mostra l'uscita dal foto accoppiatore, mentra il canale uno mostra l'ingresso del MOC (pin1).

No, perché la sinusoide di ingresso viene raddrizzata.
Inoltre il diodo non è lineare, per cui si può soltanto calcolare una corrente minima (zero) e una corrente massima (quella ottenuta utilizzando il valore massimo).
Diverso sarebbe lo stimare la potenza media da lui dissipata.
In ogni caso non sono valori per nulla critici, per cui ho utilizzato il valore efficace, e non quello massimo

:ok:

Ma dal grafico che mi hai disegnato il sistema ha un comportamento inverso, all'aumentare del delay aumenta di conseguenza anche la luminosità della lampada. Giusto? Ero convinto del contrario!


Grazie
Marcello
Avatar utente
Foto Utentericello9
195 1 3 7
Stabilizzato
Stabilizzato
 
Messaggi: 360
Iscritto il: 16 mar 2009, 0:13

0
voti

[46] Re: Dimmer per lampada con PIC

Messaggioda Foto Utentelelerelele » 21 mag 2014, 14:52

ritengo che una causa delle letture errate dall'oscilloscopio al post4, sia la presenza del ponte, che di fatto determina un collegamento di massa errato tra la lettura dell'oscilloscopio e la massa reale del circuito, dovrebbe essere usato oscilloscopio con ingressi flottanti, ed allora leggendo il segnale reale tra anodo e catodo si ptrebbe risalire ad il reale comportamento dell'opto.
Avatar utente
Foto Utentelelerelele
4.899 3 7 9
Master
Master
 
Messaggi: 5505
Iscritto il: 8 giu 2011, 8:57
Località: Reggio Emilia

0
voti

[47] Re: Dimmer per lampada con PIC

Messaggioda Foto UtentePietroBaima » 21 mag 2014, 14:57

Foto Utentelelerelele, sì, per fortuna quel punto è risolto :ok:
Generatore codice per articoli:
nomi
Sul forum:
[pigreco]=π
[ohm]=Ω
[quadrato]=²
[cubo]=³
Avatar utente
Foto UtentePietroBaima
90,7k 7 12 13
G.Master EY
G.Master EY
 
Messaggi: 12206
Iscritto il: 12 ago 2012, 1:20
Località: Londra

1
voti

[48] Re: Dimmer per lampada con PIC

Messaggioda Foto UtentePietroBaima » 21 mag 2014, 15:00

ricello9 ha scritto:Ma dal grafico che mi hai disegnato il sistema ha un comportamento inverso, all'aumentare del delay aumenta di conseguenza anche la luminosità della lampada. Giusto? Ero convinto del contrario!


Grazie
Marcello


No, eri convinto bene.
Infatti, quando la lampada è spenta, sull'oscilloscopio vedrai tutta la sinusoide, poiché non essendo quel punto a massa, non ci sarà tensione sulla lampada e quindi sostanzialmente vedrai la tensione di alimentazione.
Quando invece il TRIAC si chiude porta a massa l'ingresso dell'oscilloscopio e la lampada si accende.

Ti trovi?
Generatore codice per articoli:
nomi
Sul forum:
[pigreco]=π
[ohm]=Ω
[quadrato]=²
[cubo]=³
Avatar utente
Foto UtentePietroBaima
90,7k 7 12 13
G.Master EY
G.Master EY
 
Messaggi: 12206
Iscritto il: 12 ago 2012, 1:20
Località: Londra

0
voti

[49] Re: Dimmer per lampada con PIC

Messaggioda Foto Utentericello9 » 21 mag 2014, 16:21

No, eri convinto bene.
Infatti, quando la lampada è spenta, sull'oscilloscopio vedrai tutta la sinusoide, poiché non essendo quel punto a massa, non ci sarà tensione sulla lampada e quindi sostanzialmente vedrai la tensione di alimentazione.
Quando invece il TRIAC si chiude porta a massa l'ingresso dell'oscilloscopio e la lampada si accende.

Ti trovi?


Ok, adesso ci sono.
Per essere precisi se ho capito bene il diagramma dovrebbe essere così:


Calcolando che il segnale generato dal TLP-550 coincide con lo zero crossing e il micro aspetta il fronte di discesa per gestire il delay. Giusto?
Avatar utente
Foto Utentericello9
195 1 3 7
Stabilizzato
Stabilizzato
 
Messaggi: 360
Iscritto il: 16 mar 2009, 0:13

1
voti

[50] Re: Dimmer per lampada con PIC

Messaggioda Foto UtentePietroBaima » 21 mag 2014, 17:17

ricello9 ha scritto:Calcolando che il segnale generato dal TLP-550 coincide con lo zero crossing e il micro aspetta il fronte di discesa per gestire il delay. Giusto?

Io prenderei come riferimento il centro della sommità del trapezio (o il vertice del triangolo, a seconda di cosa ho).
Infatti la tensione di uscita del fotoaccoppiatore comincia a salire prima di arrivare allo zero crossing (perché la sinusoide di rete sta scendendo ma non è ancora arrivata a zero, e la tensione ai capi del led comincia a diventare insufficiente per tenerlo acceso) , poi resta ad un massimo per un po' di tempo (tutto il tempo durante il quale la tensione di rete è insufficiente ad accendere il led) ed infine scende, perché la tensione di rete ha attraversato lo zero ed è diventata nuovamente sufficiente ad accendere il led.
Quindi lo zero crossing si ha al centro del trapezio.
Dovendo fare una misura precisa (8% era solo una stima) io misurerei il ritardo minimo e quello massimo partendo dallo zero crossing reale, cioè appunto dal centro del trapezio.
Per la lampada e il triac è l'unico dato che risulta essere importante.
Generatore codice per articoli:
nomi
Sul forum:
[pigreco]=π
[ohm]=Ω
[quadrato]=²
[cubo]=³
Avatar utente
Foto UtentePietroBaima
90,7k 7 12 13
G.Master EY
G.Master EY
 
Messaggi: 12206
Iscritto il: 12 ago 2012, 1:20
Località: Londra

PrecedenteProssimo

Torna a Elettronica generale

Chi c’è in linea

Visitano il forum: Nessuno e 155 ospiti