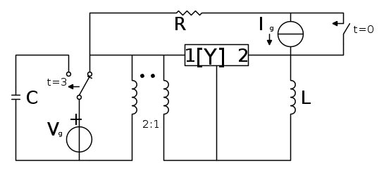
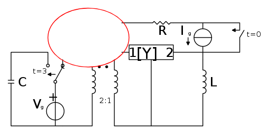
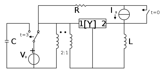
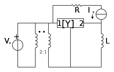
Ne viene chiesta un'analisi a t<0 dicendo che la rete è a regime. E poi a t>0 determinate le condizioni iniziali. Vedendo la soluzione mi sono accorto che il ramo sopra il trasformatore ideale viene fatto 'traslare' e collegato dopo 2 giunzioni più a destra. Mi sembra strana una cosa del genere. Sicuro che sia giusto?? Qualcuno può spiegarmi il perché? Questo è il circuito trasformato a t<0 (secondo il libro).
Grazie ancora per il vostro aiuto.


Elettrotecnica e non solo (admin)
Un gatto tra gli elettroni (IsidoroKZ)
Esperienza e simulazioni (g.schgor)
Moleskine di un idraulico (RenzoDF)
Il Blog di ElectroYou (webmaster)
Idee microcontrollate (TardoFreak)
PICcoli grandi PICMicro (Paolino)
Il blog elettrico di carloc (carloc)
DirtEYblooog (dirtydeeds)
Di tutto... un po' (jordan20)
AK47 (lillo)
Esperienze elettroniche (marco438)
Telecomunicazioni musicali (clavicordo)
Automazione ed Elettronica (gustavo)
Direttive per la sicurezza (ErnestoCappelletti)
EYnfo dall'Alaska (mir)
Apriamo il quadro! (attilio)
H7-25 (asdf)
Passione Elettrica (massimob)
Elettroni a spasso (guidob)
Bloguerra (guerra)






