Ho bisogno di simulare un inverter alimentato con una cella fotovoltaica, tutto cioè che sta a valle della cella è provato e funzionante (spero), ora però devo modellare il comportamento della cella stessa.
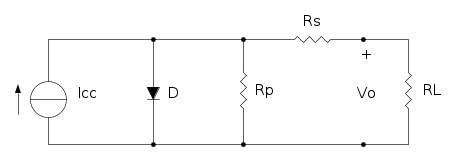
Ho provato a simulare il seguente circuito
io però vorrei avere questa caratteristica corrente tensione in uscita dalla cella (nelle ordinate sono volt e nelle ascisse ampere)
e non saprei come giocarmi i vari parametri del circuito equivalente.
C'è un modo semplice per farlo senza dover impostare un circuito equivalente così "sofisticato" per il pannello? Praticamente vorrei ottenere un bipolo attivo (un generatore) con quella caratteristica corrente tensione, mi era stato suggerito di usare un componente pwl ma su quelli posso solo impostare una corrente o una tensione in funzione del tempo.
Per simulare uso simetrix ma carico modelli spice.
Grazie


Elettrotecnica e non solo (admin)
Un gatto tra gli elettroni (IsidoroKZ)
Esperienza e simulazioni (g.schgor)
Moleskine di un idraulico (RenzoDF)
Il Blog di ElectroYou (webmaster)
Idee microcontrollate (TardoFreak)
PICcoli grandi PICMicro (Paolino)
Il blog elettrico di carloc (carloc)
DirtEYblooog (dirtydeeds)
Di tutto... un po' (jordan20)
AK47 (lillo)
Esperienze elettroniche (marco438)
Telecomunicazioni musicali (clavicordo)
Automazione ed Elettronica (gustavo)
Direttive per la sicurezza (ErnestoCappelletti)
EYnfo dall'Alaska (mir)
Apriamo il quadro! (attilio)
H7-25 (asdf)
Passione Elettrica (massimob)
Elettroni a spasso (guidob)
Bloguerra (guerra)




