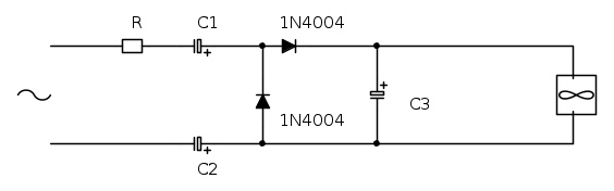
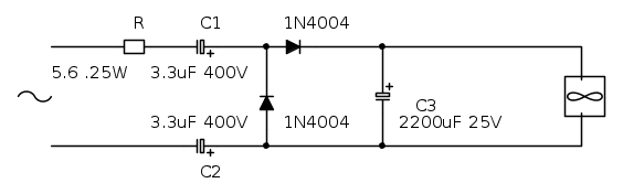
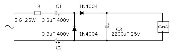
Lo schema è questo:
A regime sulla ventola ci sono circa 8V con una corrente di poco superiore a 52mA.
Dopo circa un'ora di funzionamento, C2 è caldino (circa 35°C), mentre C1 non si può toccare (ho misurato almeno 48°C).
C3 invece è a temperatura ambiente.
Ammesso che io stia tirando un po il collo ai condensatori, perché solo C1 scalda così tanto?
Misurandolo la sua capacità è molto vicina a quella nominale. E' possibile che sia difettato?
Grazie,
Luca.
P.S.: Le misure di temperatura "a dito" le ho fatte dopo aver tolto l'alimentazione

Elettrotecnica e non solo (admin)
Un gatto tra gli elettroni (IsidoroKZ)
Esperienza e simulazioni (g.schgor)
Moleskine di un idraulico (RenzoDF)
Il Blog di ElectroYou (webmaster)
Idee microcontrollate (TardoFreak)
PICcoli grandi PICMicro (Paolino)
Il blog elettrico di carloc (carloc)
DirtEYblooog (dirtydeeds)
Di tutto... un po' (jordan20)
AK47 (lillo)
Esperienze elettroniche (marco438)
Telecomunicazioni musicali (clavicordo)
Automazione ed Elettronica (gustavo)
Direttive per la sicurezza (ErnestoCappelletti)
EYnfo dall'Alaska (mir)
Apriamo il quadro! (attilio)
H7-25 (asdf)
Passione Elettrica (massimob)
Elettroni a spasso (guidob)
Bloguerra (guerra)











