ho 19 anni sono diplomato in elettronica e telecomunicazioni all'industriale!sono un grande appasionato di elettronica e sopratutto (guarda caso) di Hi Fi, penso di stare appena agli inizzi nel comprendere e sapere di questo settore altamente specializato dell'elettronica!
spero davvero di apprendere tanto dal sapere collettivo e nel mio piccolo (ma piccolissimo) mettere a disposizione la mia espereinza, che aldila dell'elettronica analogica e molto più radicata nell'elettronica digitale!
la decisione di partecipare insieme a voi a questo forum deriva da una mia ulteriore sifida con me stesso nella costruzzione di un nuovo amplificatore, e di farlo al meglio seguendo i consigli di chi sa piu di me!
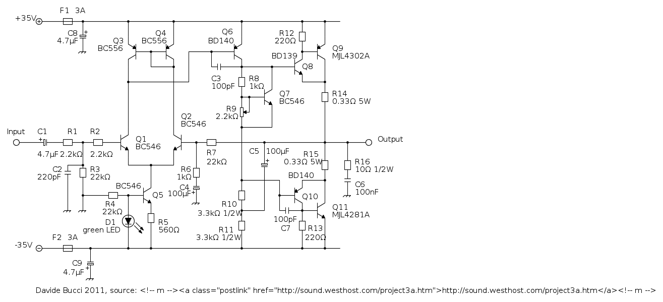
veniamo al dunque, vorrei realizare il progetto qui descritto: http://sound.westhost.com/project3a.htm
ma ho dei dubbi a riguardo, in quando il sito dichiara un unsita di 60 watt su 8ohm, (penso siano di picco vero?)
quindi una potenza di 30 watt RMS, ma mi chiedevo come fosse possibile una tele potenza se poi R13 ed R14 entrambi rispettivamente da 0.33 ohm, sono da soli 5W!
in oltre penso che sia molto buono come amplificatore, mi darete conferma!
grazie a tutti per l'attenzione!

Elettrotecnica e non solo (admin)
Un gatto tra gli elettroni (IsidoroKZ)
Esperienza e simulazioni (g.schgor)
Moleskine di un idraulico (RenzoDF)
Il Blog di ElectroYou (webmaster)
Idee microcontrollate (TardoFreak)
PICcoli grandi PICMicro (Paolino)
Il blog elettrico di carloc (carloc)
DirtEYblooog (dirtydeeds)
Di tutto... un po' (jordan20)
AK47 (lillo)
Esperienze elettroniche (marco438)
Telecomunicazioni musicali (clavicordo)
Automazione ed Elettronica (gustavo)
Direttive per la sicurezza (ErnestoCappelletti)
EYnfo dall'Alaska (mir)
Apriamo il quadro! (attilio)
H7-25 (asdf)
Passione Elettrica (massimob)
Elettroni a spasso (guidob)
Bloguerra (guerra)







