Cos'è ElectroYou | Login Iscriviti

ElectroYou - la comunità dei professionisti del mondo elettrico

Funzione di trasferimento Vo/Vi con AO

Elettronica lineare e digitale: didattica ed applicazioni

Moderatori: Foto Utentecarloc, Foto Utenteg.schgor, Foto UtenteBrunoValente, Foto UtenteIsidoroKZ

0
voti

[1] Funzione di trasferimento Vo/Vi con AO

Messaggioda Foto UtenteNetfrog » 23 giu 2014, 18:11



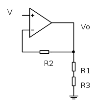
Ho il circuito qui riportato e devo trovare Vo/Vi= H(s). Chiamando con x il nodo tra C, R3 e R1 facendo il bilancio ai nodi ho:

\frac{Vo-Vx}{R1}+\frac{Vo-Vi}{R2}= \frac{Vx}{R3}

Ora per trovare Vx ho che Vx è Vi meno la caduta su C quindi:
Vx= Vi-\frac{1}{SC}*\frac{Vo-Vi}{R2}

Ora però svolgendo i passaggi e ponendo frequenza =0 per trovare il guadagno in continua non ottengo il guadagno che ottengo se apro C.

Cosa sbaglio ?

Grazie, ciao
Avatar utente
Foto UtenteNetfrog
15 2
 
Messaggi: 13
Iscritto il: 1 nov 2013, 11:52

1
voti

[2] Re: Funzione di trasferimento Vo/Vi con AO

Messaggioda Foto Utentegill90 » 23 giu 2014, 20:16

Puoi postare i calcoli relativi alla f.d.t. \frac{V_o}{V_i}? Secondo me sbagli qualcosa lì.
Avatar utente
Foto Utentegill90
4.146 3 7 12
G.Master EY
G.Master EY
 
Messaggi: 1134
Iscritto il: 1 set 2011, 16:18

0
voti

[3] Re: Funzione di trasferimento Vo/Vi con AO

Messaggioda Foto UtenteNetfrog » 24 giu 2014, 12:32

\frac{Vo}{R1}+\frac{Vo}{R2}=\frac{Vx}{R1}+\frac{Vx}{R3}+\frac{Vi}{R2}

\frac{Vo(R1+R2)}{R1R2}=\frac{Vi(R1+R3)}{R1R3}-\frac{(Vo-Vi)(R1+R3)}{sCR1R2R3}+\frac{Vi}{R2}

\frac{Vo(sCR1R3+sCR2R3+R1+R3)}{sCR1R2R3}=\frac{Vi(R1+R3+sCR1R2+sCR2R3+sCR1R3)}{sCR1R2R3}


Se faccio Vo/Vi e metto s=0 ho 1 invece dovrebbe essere uguale al guadagno in continua:
1+\frac{R2}{R1+R3}
Avatar utente
Foto UtenteNetfrog
15 2
 
Messaggi: 13
Iscritto il: 1 nov 2013, 11:52

2
voti

[4] Re: Funzione di trasferimento Vo/Vi con AO

Messaggioda Foto Utentegill90 » 24 giu 2014, 12:38

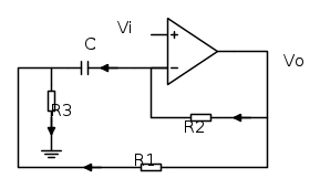
Per frequenza \omega \rightarrow 0 il condensatore è un aperto, quindi non c'è retotrazione e l'uscita è disaccoppiata con l'ingresso. Il circuito diventa quindi



In cui se l'OPAMP è ideale e il piedino invertente non ha assorbimento di corrente, allora tutto ciò non sarà altro che un buffer di tensione, quindi con guadagno 1! :-)
Avatar utente
Foto Utentegill90
4.146 3 7 12
G.Master EY
G.Master EY
 
Messaggi: 1134
Iscritto il: 1 set 2011, 16:18

0
voti

[5] Re: Funzione di trasferimento Vo/Vi con AO

Messaggioda Foto UtenteNetfrog » 24 giu 2014, 12:47

Ecco cosa sbagliavo !!!!

Mettevo il ramo di R1 e R3 attaccato al meno dell'operazionale quindi vedevo l'AO come un non invertente....
Che cavolata !
Spero il profe sia buono


Grazie mille
Avatar utente
Foto UtenteNetfrog
15 2
 
Messaggi: 13
Iscritto il: 1 nov 2013, 11:52

0
voti

[6] Re: Funzione di trasferimento Vo/Vi con AO

Messaggioda Foto Utentegill90 » 24 giu 2014, 13:44

Infatti immaginavo fosse quello il problema perché i conti erano tutti giusti! :ok:
Avatar utente
Foto Utentegill90
4.146 3 7 12
G.Master EY
G.Master EY
 
Messaggi: 1134
Iscritto il: 1 set 2011, 16:18


Torna a Elettronica generale

Chi c’è in linea

Visitano il forum: Nessuno e 53 ospiti