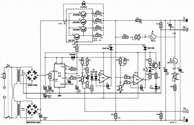
Stavo sperimentando alcune modifiche su un vecchio progetto di alimentatore di Elektor quando mi è venuta un'idea (magari malsana) : sostituire i BJT serie con dei mosfet.
Giusto per una prova estemporanea stacco il blocco driver / potenza a BJT, collego con 3 fili volanti un IRF230 che avevo in giro e -provato fino a 0.5A- funziona regolarmente
In condizioni di carico statico il ripple è simile alla versione con BJT, in più posso risparmiare il transistor driver con relativo montaggio sul dissipatore e le resistenze di equalizzazione sugli emitter.
Ora il dubbio: sarà un'idea peregrina? Quali possibili controindicazioni ci potrebbero essere?
Il circuito:
Grazie per i vostri commenti

Elettrotecnica e non solo (admin)
Un gatto tra gli elettroni (IsidoroKZ)
Esperienza e simulazioni (g.schgor)
Moleskine di un idraulico (RenzoDF)
Il Blog di ElectroYou (webmaster)
Idee microcontrollate (TardoFreak)
PICcoli grandi PICMicro (Paolino)
Il blog elettrico di carloc (carloc)
DirtEYblooog (dirtydeeds)
Di tutto... un po' (jordan20)
AK47 (lillo)
Esperienze elettroniche (marco438)
Telecomunicazioni musicali (clavicordo)
Automazione ed Elettronica (gustavo)
Direttive per la sicurezza (ErnestoCappelletti)
EYnfo dall'Alaska (mir)
Apriamo il quadro! (attilio)
H7-25 (asdf)
Passione Elettrica (massimob)
Elettroni a spasso (guidob)
Bloguerra (guerra)





