Ciao a tutti,
Di professione faccio il tecnico e mi è capitato di smontare una macchina con un motore stepper. Non sono molto afferrato su questi motori però mi sembra di avere un motore multipolare. I fili che vedo sono:
- due rossi collegati assieme con una resistenza di potenza (25 ohm 1% 25W);
- giallo
- marrone
- arancio
- nero
per un totale di 6 fili. Il codice riportato sul retro è: L92221-p2 AIRPAX. Il problema è che se provo a girare il perno uscente in plastica non gira manco se lo prendi a martellate. E' anche molto strano come perno perché è in plastica ed è bucato al centro (riesco a guardarci attraverso). Cercando un po su internet ho trovato questo: http://www.ece.mtu.edu/labs/EElabs/EE2304/EE2304_website_2008/Stepper%20Motor%20Resources/Airpax_Catalog_Idx.pdf
- Voi che ne dite di questo motore? Può andare bene se lo utilizzassi per una futura CNC?
- Come lo posso testare se tutto funziona correttamente?
Saluti
lcua31989
Motore stepper info
Moderatori:
SandroCalligaro,
mario_maggi,
fpalone
15 messaggi
• Pagina 1 di 2 • 1, 2
0
voti
Ciao
lcua31989, per questo ...
facendo riferimento, per esempio, allo stesso documento (vedi pag.7) del quale hai riportato il link, potresti provare a misurare i valori di resistenza ai capi dei fili (a proposito, hanno tutti la stessa sezione ?).
Se non lo hai ancora fatto, recuperi informazioni utili alla "definizione" dell'oggetto.
Se puoi, fai anche una foto ed inseriscila in un Post, sarebbe d'aiuto alla risoluzione dell'enigma.
Certamente qualcuno ti potrà fornire delle indicazioni utili.
Saluti
...lcua31989 ha scritto:mi sembra di avere un motore multipolare
...lcua31989 ha scritto:Come lo posso testare se tutto funziona correttamente?
facendo riferimento, per esempio, allo stesso documento (vedi pag.7) del quale hai riportato il link, potresti provare a misurare i valori di resistenza ai capi dei fili (a proposito, hanno tutti la stessa sezione ?).
Se non lo hai ancora fatto, recuperi informazioni utili alla "definizione" dell'oggetto.
... potrebbe avere un problema meccanico ma se così non è spero che la martellata fosse solo "figurativa", altrimenti potresti avere peggiorato la situazione.lcua31989 ha scritto:Il problema è che se provo a girare il perno uscente in plastica non gira manco se lo prendi a martellate.
Se puoi, fai anche una foto ed inseriscila in un Post, sarebbe d'aiuto alla risoluzione dell'enigma.
Certamente qualcuno ti potrà fornire delle indicazioni utili.
Saluti
W - U.H.F.
-

WALTERmwp
30,2k 4 8 13 - G.Master EY

- Messaggi: 8986
- Iscritto il: 17 lug 2010, 18:42
- Località: le 4 del mattino
0
voti
Ciao,
purtroppo le resistenze delle bobine interne non posso misurarle perché ho i puntali del tester fuori uso. Nel frattempo allego delle foto del motore con la speranza di avere qualche aiutino
Saluti
lcua31989
purtroppo le resistenze delle bobine interne non posso misurarle perché ho i puntali del tester fuori uso. Nel frattempo allego delle foto del motore con la speranza di avere qualche aiutino
Saluti
lcua31989
Ultima modifica di
lcua31989 il 13 lug 2014, 19:34, modificato 1 volta in totale.
0
voti
@lcua31989, per l'inserimento delle foto fai riferimento a "Help" -> "Guida all'uso del Forum": questo è un articolo (di @DonJ) che ti spiega bene come fare (sezione "Immagini").
Saluti
Saluti
W - U.H.F.
-

WALTERmwp
30,2k 4 8 13 - G.Master EY

- Messaggi: 8986
- Iscritto il: 17 lug 2010, 18:42
- Località: le 4 del mattino
0
voti
Dalle scritte sul motorino sembra che si debba alimentare a 12V.
Dal documento che hai linkato hai in fig 14 (pag 7) l'indicazione della sequenza dei cavi da alimentare per portare un movimento a scatti regolari sempre nello stesso senso.
Se i colori non tornano, poco male, ci sara' solo da intuire qual è il corretto ordine mettendo in pratica piu' tentativi.
Infine lo schema in fig 15 a pag 8 forse spiega il motivo della resistenza che vedi collegata a 2 fili, e il motivo per cui partendo da 6 fili al motorino te ne ritrovi solo 5 al terminale.... ovvero io farei le prove collegando quel terminale sempre al polo - della batteria e collegando il polo + via via agli altri 4 terminali cercando di capire la sequenza corretta.
Dal documento che hai linkato hai in fig 14 (pag 7) l'indicazione della sequenza dei cavi da alimentare per portare un movimento a scatti regolari sempre nello stesso senso.
Se i colori non tornano, poco male, ci sara' solo da intuire qual è il corretto ordine mettendo in pratica piu' tentativi.
Infine lo schema in fig 15 a pag 8 forse spiega il motivo della resistenza che vedi collegata a 2 fili, e il motivo per cui partendo da 6 fili al motorino te ne ritrovi solo 5 al terminale.... ovvero io farei le prove collegando quel terminale sempre al polo - della batteria e collegando il polo + via via agli altri 4 terminali cercando di capire la sequenza corretta.
0
voti
Ciao,
Mi sono documentato e volevo fare una scheda test per motori stepper e ho alcune domande:
1) per regolare la velocità di un motore stepper si possono fare due cose:
a) aumentare la resistenza di ogni spira collegandola in serie;
b) fare una regolazione PWM. Sarei propenso più per questa proposta ma nel documento ho
letto che questa opzione è valida solo per i motori bipolari.
- potete spiegarmi il perché?
- se la applico anche prr i motori unipolari cosa siccede?
2) se volessi eliminare l'andamento a scatti, uno dei mifliori e completi versi sarebbe quello di
regolare il verso della corrente per ogni spira. Siccome sono curioso come è possibile farlo?
3) lo stesso documento dice che uno degli svantaggi di questo motore sono le basse velocità
raggiungibili. beh io non sono d'accordo perché recentemente ho sostituito un motore di uno
spinner che raggiungeva i 15000 RPM.
4) Non ho capito bene quali sono i vantaggi di usare un motore bipolare puttosto che uno
unipolare.
ciao e grazie
lcua31989
Mi sono documentato e volevo fare una scheda test per motori stepper e ho alcune domande:
1) per regolare la velocità di un motore stepper si possono fare due cose:
a) aumentare la resistenza di ogni spira collegandola in serie;
b) fare una regolazione PWM. Sarei propenso più per questa proposta ma nel documento ho
letto che questa opzione è valida solo per i motori bipolari.
- potete spiegarmi il perché?
- se la applico anche prr i motori unipolari cosa siccede?
2) se volessi eliminare l'andamento a scatti, uno dei mifliori e completi versi sarebbe quello di
regolare il verso della corrente per ogni spira. Siccome sono curioso come è possibile farlo?
3) lo stesso documento dice che uno degli svantaggi di questo motore sono le basse velocità
raggiungibili. beh io non sono d'accordo perché recentemente ho sostituito un motore di uno
spinner che raggiungeva i 15000 RPM.
4) Non ho capito bene quali sono i vantaggi di usare un motore bipolare puttosto che uno
unipolare.
ciao e grazie
lcua31989
0
voti
guarda che il motore stepper non è fatto per girare tanto veloce, ma anzi per fare movimenti precisi di entità controllata
riguardo al controllo delle rotazione eliminando gli scatti hai gia' trovato le risposte
infatti se alimenti una singola spira il motore fara' uno scatto
MA se alimenti contemporaneamente 2 spire adiacenti calando lentamente la corrente in una spira e aumentandola lentamente nell'altra sposterai il "baricentro" lentamente da una posizione all'altra eliminando lo scatto.
Puoi fare questo con una PWM o con un controllo in corrente, fai te, dipende da come implementi il tuo driver di controllo
Comunque ci sono dei limiti, non puoi sperare di riuscire a dividere lo scatto in 1.000.000 di sottolivelli... ma se ti accontenti di 10 sottodivisioni del singolo scatto credo si possa fare abbastanza facilmente
Al limite se ti vuoi muovere con piu' precisione servirà un sistema ad ingranaggi che ti dia una riduzione dei giri e quindi un aumento della precisione nel controllo
ad ogni modo tutto questo casino per farlo girare a 15000 giri/min è inutile perche' non avrebbe senso, ma tanto per una macchina CNC comunque non servirebbe andare cosi' veloce.
riguardo al controllo delle rotazione eliminando gli scatti hai gia' trovato le risposte
infatti se alimenti una singola spira il motore fara' uno scatto
MA se alimenti contemporaneamente 2 spire adiacenti calando lentamente la corrente in una spira e aumentandola lentamente nell'altra sposterai il "baricentro" lentamente da una posizione all'altra eliminando lo scatto.
Puoi fare questo con una PWM o con un controllo in corrente, fai te, dipende da come implementi il tuo driver di controllo
Comunque ci sono dei limiti, non puoi sperare di riuscire a dividere lo scatto in 1.000.000 di sottolivelli... ma se ti accontenti di 10 sottodivisioni del singolo scatto credo si possa fare abbastanza facilmente
Al limite se ti vuoi muovere con piu' precisione servirà un sistema ad ingranaggi che ti dia una riduzione dei giri e quindi un aumento della precisione nel controllo
ad ogni modo tutto questo casino per farlo girare a 15000 giri/min è inutile perche' non avrebbe senso, ma tanto per una macchina CNC comunque non servirebbe andare cosi' veloce.
0
voti
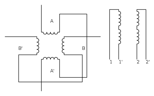
In motore a passo unipolare puoi riconoscere sostanzialmente quattro fasi:
Generalmente per evitare di far uscire troppi fili (2n) si tende ad accorpare il comune e dare in uscita un filo per ogni fase + comune (n+1). Il bipolare invece ha le fase accoppiate a due a due, quindi:
Ovviamente puoi ridurre un motore unipolare a motore bipolare collegando opportunamente le fasi. La principale differenza è che per gestirela rotazione nel bipolare devi per forza invertire il verso di percorrenza della corrente, e dunque devi poter invertire la polarità della tensione. Nell'unipolare invece basta alimentare le varie fasi sequenzialmente, però ha meno densità di coppia della sua controparte.
Per le caratteristiche costruttive questa tipologia di motori non è adatta ad alte velocità, specie se ci metti un carico all'albero. Le prove a coppia di carico nulla possono essere un indice fuorviante perché ogni motore a passo ha la sua caratteristica coppia-velocità. Generalmente se l'obiettivo è il raggiungimento di alte velocità è preferibile ricorrere ad altre tipologie di motori.
Piuttosto non capisco cosa intendi nel passo seguente:
Generalmente per evitare di far uscire troppi fili (2n) si tende ad accorpare il comune e dare in uscita un filo per ogni fase + comune (n+1). Il bipolare invece ha le fase accoppiate a due a due, quindi:
Ovviamente puoi ridurre un motore unipolare a motore bipolare collegando opportunamente le fasi. La principale differenza è che per gestirela rotazione nel bipolare devi per forza invertire il verso di percorrenza della corrente, e dunque devi poter invertire la polarità della tensione. Nell'unipolare invece basta alimentare le varie fasi sequenzialmente, però ha meno densità di coppia della sua controparte.
Per le caratteristiche costruttive questa tipologia di motori non è adatta ad alte velocità, specie se ci metti un carico all'albero. Le prove a coppia di carico nulla possono essere un indice fuorviante perché ogni motore a passo ha la sua caratteristica coppia-velocità. Generalmente se l'obiettivo è il raggiungimento di alte velocità è preferibile ricorrere ad altre tipologie di motori.
Piuttosto non capisco cosa intendi nel passo seguente:
lcua31989 ha scritto:a) aumentare la resistenza di ogni spira collegandola in serie;
0
voti
Ciao,
mettere in serie agli avvolgimenti una resistenza.
Visto che in questi giorni mi sono documentato parecchio, vorrei farmi un driver per motori stepper bipolari in modalità microstepping. Ho visto in rete che c'è l'integrato LMD18245 ma non riesco a capire alcune cose anche se sto rileggendo il datasheet per l'ennesima volta ( http://www.vincenzov.net/datasheet/DS011878.pdf ).
Nonostante ciò ho alcune domande:
1) Il pin directon, serve per determinare il verso della corrente, ma in che politica lo metto 1 o 0 ?
2) Per far muovere il motore, dovrei per prima cosa mettere a 0 il in brake (freno) e poi usare una sequenza di
uni e zeri in base alla modalità di utilizzo: o one phase on full step drvie o two phase on full step drvie. Ma a
lato pratico cosa cambia tra le due modalità?
3) A pagina 10, lo schema rappresenta 6 ingressi per i driver A e 6 ingressi per i driver B di cui solo 4 a testa
sono gli infressi del DAC. Ho capito che A determina il flusso di corrente positivo e che A* determina il flusso
di corrente negativo. Se volessi scrivere la sequenza della modalità one phase on full step drvie
(A→B→A*→B*→A→...) è giusta la tabella sotto riportata?
ciao saluti,
lcua31989
mettere in serie agli avvolgimenti una resistenza.
Visto che in questi giorni mi sono documentato parecchio, vorrei farmi un driver per motori stepper bipolari in modalità microstepping. Ho visto in rete che c'è l'integrato LMD18245 ma non riesco a capire alcune cose anche se sto rileggendo il datasheet per l'ennesima volta ( http://www.vincenzov.net/datasheet/DS011878.pdf ).
Nonostante ciò ho alcune domande:
1) Il pin directon, serve per determinare il verso della corrente, ma in che politica lo metto 1 o 0 ?
2) Per far muovere il motore, dovrei per prima cosa mettere a 0 il in brake (freno) e poi usare una sequenza di
uni e zeri in base alla modalità di utilizzo: o one phase on full step drvie o two phase on full step drvie. Ma a
lato pratico cosa cambia tra le due modalità?
3) A pagina 10, lo schema rappresenta 6 ingressi per i driver A e 6 ingressi per i driver B di cui solo 4 a testa
sono gli infressi del DAC. Ho capito che A determina il flusso di corrente positivo e che A* determina il flusso
di corrente negativo. Se volessi scrivere la sequenza della modalità one phase on full step drvie
(A→B→A*→B*→A→...) è giusta la tabella sotto riportata?
- Codice: Seleziona tutto
| DIR A | M4 A | M3 A | M2 A | M1 A || DIR B | M4 B | M3 B | M2 B | M1 B |
1 1 0 0 0 0 0 0 0 0
0 0 0 0 0 1 1 0 0 0
1 0 1 0 0 0 0 0 0 0
0 0 0 0 0 1 0 1 0 0
1 0 0 1 0 0 0 0 0 0
0 0 0 0 0 1 0 0 1 0
1 0 0 0 1 0 0 0 0 0
0 0 0 0 0 0 1 0 0 1
ciao saluti,
lcua31989
0
voti
Ma in che modo una resistenza dovrebbe modificare la velocità del motore? Uno stepper si muove per passi, cioè per variazione della fasi di alimentazione, non segue un pattern continuo ma una sequenza discreta.
Prima che tu decida di intraprendere il tuo progetto, è bene che tu abbia ben chiaro ciò che devi fare: il microstepping è una tecnica usata per ridurre il più possibile le oscillazioni meccaniche del motore a passo e richiede più complessità computazionale delle tecniche base (full step o half step), ma di contro con i microstepping riduci la coppia di spunto. Il full step invece è la più semplice, richiede solo un passaggio discreto di fasi in termini di ON/OFF, ma ovviamente di contro ha più oscillazioni meccaniche di assestamento. L'half step invece è un buon compromesso, richiede cambi di fasi di alimentazione anch'essi discreti come con il full step ma stavolta l'oscillazione meccanica è ridotta, questo poiché durante i passaggi di fase formi una maglia elettrica che tende a bilanciare di suo le correnti, quindi con costanti di tempo elettriche che, come noto, sono inferiori a quelle meccaniche. Per questo sarebbe meglio che tu indicassi anche quel è l'applicazione usata nel tuo caso, onde evitare di usare ad esempio un microstepping per muovere le lancette di un orologio, che è totalmente sprecato.
Per il resto:
1) I pin Direction servono a imporre la sequenza alle varie fasi, a seconda del tipo di modulazione che vuoi usare occorre attivare sequenzialmente la corrente prima in un verso e poi nell'altro, imponendo il pin Direction a 0 e 1.
2) Leggi sopra, sostanzialmente l'attivazione di più fasi contemporanee riduce maggiormente le oscillazioni meccaniche.
3) Mi sa che fai confusione tra i pin di controllo: Direction e Brake determinano rispettivamente la direzione della corrente e l'enable per consentirne il flusso. I pin del DAC invece servono solo per il superamento del limite di corrente: detto in soldoni, creano un riferimento che, se superato, attiva un monostabile che fa da chopper per la corrente circolante così da evitare di raggiungere valori troppo alti. Ma in questo caso non credo abbiano particolare rilevanza, a te interessa solo far girare il motore per passi senza preoccuparti troppo dei limiti.
Prima che tu decida di intraprendere il tuo progetto, è bene che tu abbia ben chiaro ciò che devi fare: il microstepping è una tecnica usata per ridurre il più possibile le oscillazioni meccaniche del motore a passo e richiede più complessità computazionale delle tecniche base (full step o half step), ma di contro con i microstepping riduci la coppia di spunto. Il full step invece è la più semplice, richiede solo un passaggio discreto di fasi in termini di ON/OFF, ma ovviamente di contro ha più oscillazioni meccaniche di assestamento. L'half step invece è un buon compromesso, richiede cambi di fasi di alimentazione anch'essi discreti come con il full step ma stavolta l'oscillazione meccanica è ridotta, questo poiché durante i passaggi di fase formi una maglia elettrica che tende a bilanciare di suo le correnti, quindi con costanti di tempo elettriche che, come noto, sono inferiori a quelle meccaniche. Per questo sarebbe meglio che tu indicassi anche quel è l'applicazione usata nel tuo caso, onde evitare di usare ad esempio un microstepping per muovere le lancette di un orologio, che è totalmente sprecato.
Per il resto:
1) I pin Direction servono a imporre la sequenza alle varie fasi, a seconda del tipo di modulazione che vuoi usare occorre attivare sequenzialmente la corrente prima in un verso e poi nell'altro, imponendo il pin Direction a 0 e 1.
2) Leggi sopra, sostanzialmente l'attivazione di più fasi contemporanee riduce maggiormente le oscillazioni meccaniche.
3) Mi sa che fai confusione tra i pin di controllo: Direction e Brake determinano rispettivamente la direzione della corrente e l'enable per consentirne il flusso. I pin del DAC invece servono solo per il superamento del limite di corrente: detto in soldoni, creano un riferimento che, se superato, attiva un monostabile che fa da chopper per la corrente circolante così da evitare di raggiungere valori troppo alti. Ma in questo caso non credo abbiano particolare rilevanza, a te interessa solo far girare il motore per passi senza preoccuparti troppo dei limiti.
15 messaggi
• Pagina 1 di 2 • 1, 2
Chi c’è in linea
Visitano il forum: Nessuno e 44 ospiti

Elettrotecnica e non solo (admin)
Un gatto tra gli elettroni (IsidoroKZ)
Esperienza e simulazioni (g.schgor)
Moleskine di un idraulico (RenzoDF)
Il Blog di ElectroYou (webmaster)
Idee microcontrollate (TardoFreak)
PICcoli grandi PICMicro (Paolino)
Il blog elettrico di carloc (carloc)
DirtEYblooog (dirtydeeds)
Di tutto... un po' (jordan20)
AK47 (lillo)
Esperienze elettroniche (marco438)
Telecomunicazioni musicali (clavicordo)
Automazione ed Elettronica (gustavo)
Direttive per la sicurezza (ErnestoCappelletti)
EYnfo dall'Alaska (mir)
Apriamo il quadro! (attilio)
H7-25 (asdf)
Passione Elettrica (massimob)
Elettroni a spasso (guidob)
Bloguerra (guerra)





