Salve a tutti ragazzi, ciò vorrei realizzare è un interruttore magnetico; mi spiego meglio.
Ho un cassettino all'interno del quale monterò una striscia di led alimentata a 12V da una batteria al piombo; vorrei far sì che una volta aperto il cassetto la striscia si accenda e richiudendolo si spenga.
Come potrei fare? Avevo pensato a qualcosa di magnetico, ma qualsiasi altra soluzione è ben accetta :)
Grazie!
Interruttore magnetico
31 messaggi
• Pagina 1 di 4 • 1, 2, 3, 4
0
voti
Ultima modifica di
lillo il 17 lug 2014, 12:19, modificato 1 volta in totale.
Motivazione: Argomento spostato in Costruzione, montaggio e riparazione.
Motivazione: Argomento spostato in Costruzione, montaggio e riparazione.
-

peppescagliola
0 2 - Messaggi: 26
- Iscritto il: 14 lug 2014, 16:24
0
voti
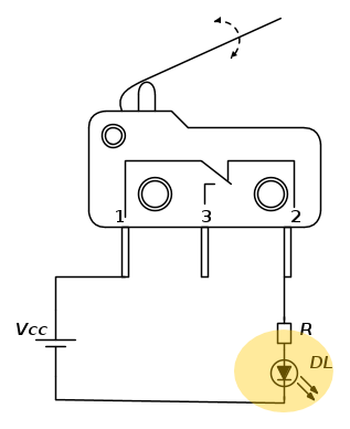
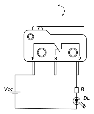
se non hai problemi di spazio-difficoltà di installazione, e ti necessita luce solo quando è aperto,puoi utilizzare un interruttore microswitch di questo tipo, anche perché un interruttore (micro) magnetico non supporta molta intensità di corrente. 
0
voti
Ma quindi chiuderebbe il circuito quando il cassetto è chiuso?
-

peppescagliola
0 2 - Messaggi: 26
- Iscritto il: 14 lug 2014, 16:24
0
voti
dipende da quale contatto utilizzi,il microswitch ha un comune ed un contatto NO ed un contatto NC, fra i tre terminali che vedi raffigurati.
pertanto se utilizzi il contatto NC ovvero normalmente chiuso, quando la levetta è libera, quindi il cassetto estratto si avrà alimentazione ovvero diodi led alimentati quindi accesi, quando il cassetto verrà chiuso questi impegnerà la levetta metallica facendo cambiare stato al contatto che da NC diverrà NO ed aprirà l'alimentazione quindi i diodi led disalimentati si spengeranno.
comunque quando avrai disponibile il microswitch, puoi verificare con un multimetro in portata per ohm il funzionamento dei due contatti in funzione della condizione della levetta, questo anche perché potrei a memoria aver invertito il funzionamento della levetta, ma poco male si verifica e si risolve.
pertanto se utilizzi il contatto NC ovvero normalmente chiuso, quando la levetta è libera, quindi il cassetto estratto si avrà alimentazione ovvero diodi led alimentati quindi accesi, quando il cassetto verrà chiuso questi impegnerà la levetta metallica facendo cambiare stato al contatto che da NC diverrà NO ed aprirà l'alimentazione quindi i diodi led disalimentati si spengeranno.
comunque quando avrai disponibile il microswitch, puoi verificare con un multimetro in portata per ohm il funzionamento dei due contatti in funzione della condizione della levetta, questo anche perché potrei a memoria aver invertito il funzionamento della levetta, ma poco male si verifica e si risolve.
0
voti
Perfetto, il contatto NC è quello centrale? O dovrò scoprirlo provando?
-

peppescagliola
0 2 - Messaggi: 26
- Iscritto il: 14 lug 2014, 16:24
1
voti
dovrebbe essere il laterale il num 2, ma forse provarlo prima è meglio
a cassetto estratto ...
a cassetto chiuso
a cassetto estratto ...
a cassetto chiuso
0
voti
Ho capito. Potresti spiegarmi perché nello schema è presente una resistenza?
-

peppescagliola
0 2 - Messaggi: 26
- Iscritto il: 14 lug 2014, 16:24
0
voti
peppescagliola ha scritto: Potresti spiegarmi perché nello schema è presente una resistenza?
perché un diodo led viene alimentato ha bisogno di un resistore che limiti l'intensità di corrente al suo valore nominale come indicato nelle sue caratteristiche, pertanto il resistore deve esserci sempre.
in questo articolo La resistenza di un led l'argomento è meglio illustrato.
0
voti
Ah, ma in questo caso non è necessario in quanto è già presente sulla serie di led che ho acquistato :) Pensavo ne servisse ancora uno. Grazie mille
Un'ultima domanda: se per caso quell'interruttore non dovesse andar bene potresti suggerirmi altre soluzioni?
Un'ultima domanda: se per caso quell'interruttore non dovesse andar bene potresti suggerirmi altre soluzioni?
-

peppescagliola
0 2 - Messaggi: 26
- Iscritto il: 14 lug 2014, 16:24
31 messaggi
• Pagina 1 di 4 • 1, 2, 3, 4
Torna a Costruzione, riparazione, riutilizzo
Chi c’è in linea
Visitano il forum: Nessuno e 7 ospiti

Elettrotecnica e non solo (admin)
Un gatto tra gli elettroni (IsidoroKZ)
Esperienza e simulazioni (g.schgor)
Moleskine di un idraulico (RenzoDF)
Il Blog di ElectroYou (webmaster)
Idee microcontrollate (TardoFreak)
PICcoli grandi PICMicro (Paolino)
Il blog elettrico di carloc (carloc)
DirtEYblooog (dirtydeeds)
Di tutto... un po' (jordan20)
AK47 (lillo)
Esperienze elettroniche (marco438)
Telecomunicazioni musicali (clavicordo)
Automazione ed Elettronica (gustavo)
Direttive per la sicurezza (ErnestoCappelletti)
EYnfo dall'Alaska (mir)
Apriamo il quadro! (attilio)
H7-25 (asdf)
Passione Elettrica (massimob)
Elettroni a spasso (guidob)
Bloguerra (guerra)


