mir ha scritto:Nel tuo caso mi sembra di capire che si tratta di alimentare dei diodi LED,bisognerebbe capire di che tipo siano e valutarne l'assorbimento complessivo ed il valore di tensione di alimentazione.
La striscia che io ho è identica a questa http://www.hero-ledstore.com/it/ip55-dustproof-8mm-wide-5m-long-300-x-singlechip-led-strip-tape-whitepcb-12v-dc-24-watt-p-3279.html?zenid=bpmirpnnui3ke3q5sluv58kas4 e vorrei farti notare che è possibile tagliarla ogni tre led, dove sono scoperte le piste per poter saldare i fili.
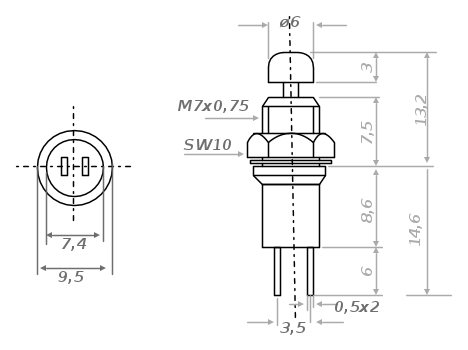
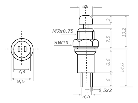
Russell ha scritto:Al di la' delle questioni elettriche mi sento di doverti far notare che un pulsante a forma cilindrica di solito prevede piu' difficoltà per dover essere fissato a destinazione.
Invece a me farebbe comodo quel tipo di pulsante in quanto ha la possibilità di essere fissato avvitando un dado ecco il motivo per il quale sto cercando di capire se va bene o meno. Comunque grazie per la dritta :)

Elettrotecnica e non solo (admin)
Un gatto tra gli elettroni (IsidoroKZ)
Esperienza e simulazioni (g.schgor)
Moleskine di un idraulico (RenzoDF)
Il Blog di ElectroYou (webmaster)
Idee microcontrollate (TardoFreak)
PICcoli grandi PICMicro (Paolino)
Il blog elettrico di carloc (carloc)
DirtEYblooog (dirtydeeds)
Di tutto... un po' (jordan20)
AK47 (lillo)
Esperienze elettroniche (marco438)
Telecomunicazioni musicali (clavicordo)
Automazione ed Elettronica (gustavo)
Direttive per la sicurezza (ErnestoCappelletti)
EYnfo dall'Alaska (mir)
Apriamo il quadro! (attilio)
H7-25 (asdf)
Passione Elettrica (massimob)
Elettroni a spasso (guidob)
Bloguerra (guerra)




diodi led pertanto avremo un consumo per diodo led pari a
quindi pari ad un assorbimento per ogni diodo led di
ovvero
, quindi nel caso di utilizzo dei tre diodi led l'assorbimento sarà pari a
circa
, largamente supportati dalla portata di
del pulsante in questione.