Salve a tutti,
mi sono appena iscritto in questo sito interessante per poter chiedere aiuto a persone molto più esperte di me e per chiedere consigli vari.
Ho un dubbio per quanto riguarda un trasformatore. Ho un trasformatore toroidale parecchio grosso, peserà un 2 kg, al primario ci sono i due cavi da collegare alla rete, e al secondario... Ci sono 3 cavi in uscita. Nell'etichetta del Tr c'è scritto: 32+32 V / 5,4 A, colori rosso-giallo-rosso.
Dalle mie conoscenze intuisco che il cavo giallo sia il neutro e i due rossi le uscite a 32 V.
Il mio dubbio è:
da questo trasformatore posso otttenere una tensione di 64 V, o una corrente di 10,8 A? Non riesco a immaginare eventuali collegamenti al resto del circuito.
Vi ringrazio in anticipo. Saluti.
Trasformatore toroidale e uscite
38 messaggi
• Pagina 1 di 4 • 1, 2, 3, 4
1
voti
Graficamente, da quello che hai scritto, il tuo trasformatore dovrebbe presentarsi cosi':
Puoi facilmente accertare le varie tensioni con un tester in portata VAC, misurando con un puntale sullo zero e con l'altro su uno dei due poli, ripetendo la manovra con l'altro.
Se entrambe le misurazioni danno valori intorno ai 32V, misurando con i due puntali sui collegamenti estremi dovresti ottenere circa 64V.
Per quanto riguarda la potenza, credo che quella indicata sia quella complessiva e, quindi, restera' tale.
Puoi facilmente accertare le varie tensioni con un tester in portata VAC, misurando con un puntale sullo zero e con l'altro su uno dei due poli, ripetendo la manovra con l'altro.
Se entrambe le misurazioni danno valori intorno ai 32V, misurando con i due puntali sui collegamenti estremi dovresti ottenere circa 64V.
Per quanto riguarda la potenza, credo che quella indicata sia quella complessiva e, quindi, restera' tale.
marco
0
voti
Esatto,
marco438, il grafico che hai disegnato è corretto, è proprio così. Non ho detto che ha una potenza di 350 VA.
Supponendo di aver già effettuato i test col multimetro come li hai descritti tu (e ricordo di averli fatti non molto tempo fa) come posso ottenere 64 V o 10,8 A?
Se il trasfo avesse avuto due neutri e due 32 V non avrei avuto problemi nei collegamenti. Comunque ti ringrazio per avermi risposto
Supponendo di aver già effettuato i test col multimetro come li hai descritti tu (e ricordo di averli fatti non molto tempo fa) come posso ottenere 64 V o 10,8 A?
Se il trasfo avesse avuto due neutri e due 32 V non avrei avuto problemi nei collegamenti. Comunque ti ringrazio per avermi risposto
-

LiquidShark
38 2 - Messaggi: 36
- Iscritto il: 11 ago 2014, 15:54
0
voti
350VA, e' il risultato di volt x Ampere; quindi 350/64= 5.4A.
I dieci ampere dimenticali.
Mi pareva di averlo gia' detto, per quanto riguarda la tensione i 64V li ottieni prelevando la tensione dai due collegamenti estremi tralasciando lo zero; per i 10.8A vedi sopra.
I dieci ampere dimenticali.
Mi pareva di averlo gia' detto, per quanto riguarda la tensione i 64V li ottieni prelevando la tensione dai due collegamenti estremi tralasciando lo zero; per i 10.8A vedi sopra.
marco
0
voti
Scusami
marco438, io non voglio fare il saputello e nulla di simile, ma 32 V x 10,8 A = 345,6 W. Rientro sempre nei limiti di potenza.
-

LiquidShark
38 2 - Messaggi: 36
- Iscritto il: 11 ago 2014, 15:54
0
voti
Hai ragione, scusami, non ho scritto chiarissimo. La questione è: 32 V/10,8 A e 64 V/5,4 A.
-

LiquidShark
38 2 - Messaggi: 36
- Iscritto il: 11 ago 2014, 15:54
0
voti
controlla se sono accessibili i due capi che sono uniti al filo centrale se si puoi separarli e collegarli in parallelo e quindi ottenere 32 v. 10,8 a. non sono attrezzato per inviarti lo schema ma usando lo schema che è stato postato numeriamo i capi degli avvolgimenti a partire dall'alto con 1-2-3-4-,i capi 2-3- sono collegati insieme. se riesci a scollegarli, unisci il capo1 col 3 e il 2 col 4 e avrai i due avvolgimenti in parallelo che ti forniranno 32 v 10,4 a. Questo se i due avvolgimenti sono perfettamente uguali. per controllare ciò ,dovresti prima collegare i capi 1-3 , dare tensione al primario e controllare se fra i capi 2 e 4 lasciati per ora separati esiste una tensione , se la tensione è zero, o molto piccola ,sotto 0,5 v.Dopo aver tolto tensione :puoi collegare i capi 2-4, e voilà, hai un trasformatore da 32v. 10,4 a. saluti
-

archimede45
143 1 1 4 - New entry

- Messaggi: 66
- Iscritto il: 3 nov 2013, 11:33
- Località: prato
1
voti
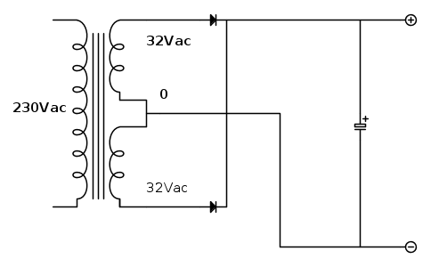
Se ti serve la corrente alternata per alimentare, ad esempio, dei carichi resistivi vale quanto detto da
archimede45; se lo scopo del gioco è realizzare un alimentatore in corrente continua allora puoi unire le due metà del secondario in questo modo:
ed avrai la tua alimentazione dalle parti dei 44V raddrizzati e filtrati ma, per motivi già sviscerati più volte sul forum, non potrai prelevare 10.8A ma qualcosa come 8A o forse anche meno.
ed avrai la tua alimentazione dalle parti dei 44V raddrizzati e filtrati ma, per motivi già sviscerati più volte sul forum, non potrai prelevare 10.8A ma qualcosa come 8A o forse anche meno.
Dalle vigenti norme:
Non costruire, compra!
Non riparare, ricompra!
Non costruire, compra!
Non riparare, ricompra!
0
voti
Se non è richiesto in fase di progetto, tutti i trasformatori con più avvolgimenti secondari danno la massima potenza come somma delle potenze dei singoli avvolgimenti. Se al secondario ci sono due avvolgimenti, hanno potenza pari a metà della nominale.
-

Candy
32,5k 7 10 13 - CRU - Account cancellato su Richiesta utente
- Messaggi: 10123
- Iscritto il: 14 giu 2010, 22:54
38 messaggi
• Pagina 1 di 4 • 1, 2, 3, 4
Torna a Costruzione, riparazione, riutilizzo
Chi c’è in linea
Visitano il forum: Nessuno e 10 ospiti

Elettrotecnica e non solo (admin)
Un gatto tra gli elettroni (IsidoroKZ)
Esperienza e simulazioni (g.schgor)
Moleskine di un idraulico (RenzoDF)
Il Blog di ElectroYou (webmaster)
Idee microcontrollate (TardoFreak)
PICcoli grandi PICMicro (Paolino)
Il blog elettrico di carloc (carloc)
DirtEYblooog (dirtydeeds)
Di tutto... un po' (jordan20)
AK47 (lillo)
Esperienze elettroniche (marco438)
Telecomunicazioni musicali (clavicordo)
Automazione ed Elettronica (gustavo)
Direttive per la sicurezza (ErnestoCappelletti)
EYnfo dall'Alaska (mir)
Apriamo il quadro! (attilio)
H7-25 (asdf)
Passione Elettrica (massimob)
Elettroni a spasso (guidob)
Bloguerra (guerra)




