Ciao a tutti.
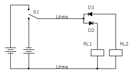
Come si possono eliminare i diodi? Esistevano, prima dell'avvento dei diodi, dei dispositivi elettromecccanici che permettevano con un solo filo ed un deviatore di azionare prima e poi l'latro relè?.
Eliminare i diodi.
Moderatori:
carloc,
g.schgor,
BrunoValente,
IsidoroKZ
13 messaggi
• Pagina 1 di 2 • 1, 2
0
voti
Polarizzati come?
La polarizzazione del nucleo centrale dipende dal verso di avvolgitura delle spire...ma l'ancora metallica è indifferente a questo: essa viene attratta comunque...o l'ancora del relè è un magnete?
La polarizzazione del nucleo centrale dipende dal verso di avvolgitura delle spire...ma l'ancora metallica è indifferente a questo: essa viene attratta comunque...o l'ancora del relè è un magnete?
0
voti
non so se mauro intendeva polarizzati magneticamente con l'ancorina tenuta in centro da dei magneti con entrambi i contatti aperti.ho alcuni esemplari della SIEMENS degli anni 57-60 bellissimi e con una meccanica di precisione , lavora come un deviatore con comune centrale normalmente aperto.ricordo che si riescie ad eccitare con il tester. io lo ho usato al contrario utilizzando la sola parte meccanica per fare un BUG monopaletta usato per trasmettere in morse assieme ad un generatore di punti e linee dove spostando il comune da una parte si inviano punti mentre dall'altra si inviano linee.se interessa posterò foto del relè.
0
voti
La foto non aiuta molto e da'altro canto non è facile riportare lo schema meccanico, però è quel che cerco, cerco in senso teorico perché di fatto non mi serve.
0
voti
se è per curiosità erano usati in telefonia o automatismi particolari , quello che mi ha sempre fatto impressione è che lavoravano alla velocità supersonica di 800 Hz .altro non so.
a.... costavano come uno stipendio.
a.... costavano come uno stipendio.
0
voti
Se il ha un ancora mobile polarizzata, evidentemente, in base alla direzione della corrente in bobina, l'ancora si puo avvicinare od allontanare. Che esistano o meno non lo so, mi sono limitato a dire la mia sua una soluzione alternativa all'uso del diodo, oggi comune, ma forse un tempo molto meno.
-

Candy
32,5k 7 10 13 - CRU - Account cancellato su Richiesta utente
- Messaggi: 10123
- Iscritto il: 14 giu 2010, 22:54
1
voti
Che io sappia agli albori del calcolo a relè si utilizzavano dei relè "polarizzati" per fare delle porte logiche.
Erano costruiti utilizzando un'ancora magnetizzata, per cui una polarità l'attraeva, chiudendo il contatto, e una la respingeva, senza effetto.
La differenza rispetto al relè col diodo in serie è che, questa ultima soluzione, se collegata in modo inverso, non assorbe alcuna corrente, mentre l'altra assorbe corrente in entrambi i modi di collegamento.
Questo faceva sì che convenisse collegare i relè polarizzati in serie, mentre i relè con il diodo vanno collegati in parallelo.
Si costruivano macchine immense, dove il 50% della potenza era impiegato a comandare relè che non funzionavano
All'epoca, però, non si avevano altre soluzioni.
Ciao,
Pietro.
Erano costruiti utilizzando un'ancora magnetizzata, per cui una polarità l'attraeva, chiudendo il contatto, e una la respingeva, senza effetto.
La differenza rispetto al relè col diodo in serie è che, questa ultima soluzione, se collegata in modo inverso, non assorbe alcuna corrente, mentre l'altra assorbe corrente in entrambi i modi di collegamento.
Questo faceva sì che convenisse collegare i relè polarizzati in serie, mentre i relè con il diodo vanno collegati in parallelo.
Si costruivano macchine immense, dove il 50% della potenza era impiegato a comandare relè che non funzionavano
All'epoca, però, non si avevano altre soluzioni.
Ciao,
Pietro.
-

PietroBaima
90,7k 7 12 13 - G.Master EY

- Messaggi: 12206
- Iscritto il: 12 ago 2012, 1:20
- Località: Londra
13 messaggi
• Pagina 1 di 2 • 1, 2
Chi c’è in linea
Visitano il forum: Nessuno e 51 ospiti

Elettrotecnica e non solo (admin)
Un gatto tra gli elettroni (IsidoroKZ)
Esperienza e simulazioni (g.schgor)
Moleskine di un idraulico (RenzoDF)
Il Blog di ElectroYou (webmaster)
Idee microcontrollate (TardoFreak)
PICcoli grandi PICMicro (Paolino)
Il blog elettrico di carloc (carloc)
DirtEYblooog (dirtydeeds)
Di tutto... un po' (jordan20)
AK47 (lillo)
Esperienze elettroniche (marco438)
Telecomunicazioni musicali (clavicordo)
Automazione ed Elettronica (gustavo)
Direttive per la sicurezza (ErnestoCappelletti)
EYnfo dall'Alaska (mir)
Apriamo il quadro! (attilio)
H7-25 (asdf)
Passione Elettrica (massimob)
Elettroni a spasso (guidob)
Bloguerra (guerra)





pigreco]=π