
Moderatori:
carloc,
g.schgor,
BrunoValente,
IsidoroKZ
FedericoSibona ha scritto:Hai provato con due multimetri... e quindi? Che prove hai fatto? Succede questo..... cosa?
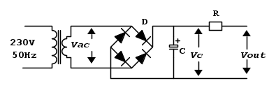
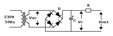
grazie mille ragazzi in anticipodiego2020 ha scritto: ho risolto costruendomi un raddrizzatore con i diodi posti a forma di diamante e un condensatore.

la tensione ai capi del secondario del trasformatore, ed 1,4 la caduta di tensione che inserisce il ponte raddrizzamento,pertanto conoscendo il valore di tensione in uscita dal secondario del trasformatore si conoscerà quello in continua ai capi del condensatore,quello che hai misurato è il valore di tensione a vuoto,ovvero senza carico;diego2020 ha scritto:quale resistore dovrei usare per portare la tensione a 12 volt

e quella che mi occorre in uscita dal resistore
:
) ma mi occorre conoscere il valore di intensità di corrente
che il carico richiede,
, ma si può sconsigliare questa soluzione, e al contempo non si può consigliare una alternativa perche non si conosce la destinazione di uso di questo alimentatorino. diego2020 ha scritto:grazie mille mir![]()
Visitano il forum: Nessuno e 55 ospiti