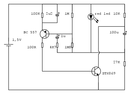
Con 3mA probalmente la luce emessa non si vede neppure nel buio più assoluto.
Non è vero, con quella corrente si vede molto bene di solito.
Moderatori:
carloc,
g.schgor,
BrunoValente,
IsidoroKZ
Con 3mA probalmente la luce emessa non si vede neppure nel buio più assoluto.


cabestano ha scritto: ...Lo schema è da schifo....ma questo passa il convento...



Antonino ha scritto:Sono po' confuso. La tensione di caratteristica di un diodo LED da 5 mm è di 1,5 V......
Antonino ha scritto:La corrente ideale che deve attraversare il LED deve essere di 10 mA-12 MA ma..........
mi chiedo che calcoli tu abbia fatto in proposito
Visitano il forum: Nessuno e 266 ospiti