Salve a tutti
sono nuovo del forum e mi sono iscritto per sapere un vostro, sicuramente utile, consiglio sul calcolo delle resistenze da applicare in serie ai led e poi ogni coppia in parallelo. Il mio dubbio sta nell'intensità di corrente perché userò led di diverse dimensioni per un fatto di struttura della luce da bici che sto modificando (da una lampada ad incandescenza a dei led ultra luminosi). Sulle specifiche della luce dice che bisogna inserire una lampadina da 6v e 400mA però facendo la somma dei mA dei led arrivo appena a 120. Succede qualcosa se l'intensità è molto inferiore rispetto a quella richiesta ? Vi allego uno schizzo si come voglio sistemare il tutto ... un'altra cosa insieme all'interruttore c'è un PCB con un sistema di segnamento della carica delle pile, influisce in qualcosa ? Grazie per le risposte che mi darete
P.s. qualche dritta sul calcolo delle resistenze ?
Grazie mille
Immagine raster rimossa. Esistono i CAD e, nello specifico, FidocadJ per realizzare schemini elettrici
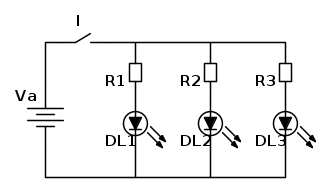
Circuito Led in parallelo
Moderatori:
carloc,
g.schgor,
BrunoValente,
IsidoroKZ
1
voti
Ciao,
la formula per calcolare la resistenza limitatrice di un led:

dove la Vcc è la tensione di alimentazione, Vd è la tensione di funzionamento del diodo e Id è la corrente richiesta.
la formula per calcolare la resistenza limitatrice di un led:

dove la Vcc è la tensione di alimentazione, Vd è la tensione di funzionamento del diodo e Id è la corrente richiesta.
-

LiquidShark
38 2 - Messaggi: 36
- Iscritto il: 11 ago 2014, 15:54
1
voti
ciao electro,
il tuo quesito è poco chiaro, comunque ci provo.
Non capisco cosa intendi per LED diversi, sicuramente non puoi mettere led diversi nella stessa serie.
Quindi avrai per ogni serie un solo tipo di LED (o al limite un solo LED) e una opportuna R di caduta.
E' giusto che l'assorbimento sia minore che con lampadine a incandescenza, e questo non dovrebbe dare problemi visto che probabilmente la tensione della batteria andava direttamente alla lampadina.
Però devi dare anche altri dati, es che tipo di batterie e in che configurazione sono, le caratteristiche dei LED scelti. Se hai le classiche 4 stilo in serie potresti non riuscire a pilotare i led in serie da 2, e allora molta della potenza (quasi la metà) la dissiperesti sulla R di caduta, e il rendimento finale sarebbe abbastanza penoso...
il tuo quesito è poco chiaro, comunque ci provo.
Non capisco cosa intendi per LED diversi, sicuramente non puoi mettere led diversi nella stessa serie.
Quindi avrai per ogni serie un solo tipo di LED (o al limite un solo LED) e una opportuna R di caduta.
E' giusto che l'assorbimento sia minore che con lampadine a incandescenza, e questo non dovrebbe dare problemi visto che probabilmente la tensione della batteria andava direttamente alla lampadina.
Però devi dare anche altri dati, es che tipo di batterie e in che configurazione sono, le caratteristiche dei LED scelti. Se hai le classiche 4 stilo in serie potresti non riuscire a pilotare i led in serie da 2, e allora molta della potenza (quasi la metà) la dissiperesti sulla R di caduta, e il rendimento finale sarebbe abbastanza penoso...
-1
voti
Scusate se non ho usato un FidocadJ per fare il disegno però purtroppo non ne dispongo e non mi andava di scaricarlo solo per questa volta ... allora per led diversi intendo che assorbono correnti diverse in pratica vorrei mettere 2 led da 5mm bianchi con tensione tra i 3.0-3.6v e assorbono 20mA poi un altro led da 10mm sempre bianco con stessa tensione ma assorbe 80mA. Pel le pile ho le 4 stilo AA in serie e la lampadina era direttamente attaccata con il relativo interruttore.
il circuito che volevo disegnare era come quello di LiquidShark
il mio quesito era :
1-calcolo delle resistenze e se andava bene la normale legge di Ohm o devo fare qualche calcolo preliminare
2-se la corrente fornita è di 400mA e il led ne vogliono solo 120mA cosa succede? assorbe tutto l'accesso la resistenza riscaldandosi ?
il circuito che volevo disegnare era come quello di LiquidShark
il mio quesito era :
1-calcolo delle resistenze e se andava bene la normale legge di Ohm o devo fare qualche calcolo preliminare
2-se la corrente fornita è di 400mA e il led ne vogliono solo 120mA cosa succede? assorbe tutto l'accesso la resistenza riscaldandosi ?
-

ElectroProvetto
36 2 - Messaggi: 28
- Iscritto il: 22 ago 2014, 22:48
-1
voti
i dati tecnici dei led gli avevo scritti nell'orribile disegno che mi hanno rimosso
Ultima modifica di
marco438 il 23 ago 2014, 19:53, modificato 1 volta in totale.
Motivazione: Eliminato quoting inutile. Usa il tasti rispondi.
Motivazione: Eliminato quoting inutile. Usa il tasti rispondi.
-

ElectroProvetto
36 2 - Messaggi: 28
- Iscritto il: 22 ago 2014, 22:48
-1
voti
Ho fatto il disegno con fidocadj e questo è il imo progetto
(i dati tecnici gli ho detti prima)
edit
mir: una volta realizzato il disegno o schema con fidocadj, il codice sorgente va incollato fra i tag [fcd],come sopra.in questo articolotutte le info necessarie.
(i dati tecnici gli ho detti prima)
edit
-

ElectroProvetto
36 2 - Messaggi: 28
- Iscritto il: 22 ago 2014, 22:48
1
voti
Electro, nel 2o post ti hanno perfino scritto la formuletta.
Devi usarla per ogni ramo, opitizzando che la tensione non scenda ma resti pari a quella massima delle pile.
Considera una tensione intermedia per i LED, es 3,3V, e per le pile 1,5Vx$=6V se usi le alcaline e fai i conti...
Devi usarla per ogni ramo, opitizzando che la tensione non scenda ma resti pari a quella massima delle pile.
Considera una tensione intermedia per i LED, es 3,3V, e per le pile 1,5Vx$=6V se usi le alcaline e fai i conti...
3
voti
Quando ci si iscrive ad un forum se ne rispettano le regole e, quanto meno, si leggono.
Tu non hai fatto niente di tutto cio' e lo dimostra che dopo due solleciti, hai postato un'immagine di uno pseudo schema, che non puo' essere corretto.
La formula per il calcolo delle resistenze da porre in serie ai led ti e' gia' stata detta al punto 2; quindi non ti resta che fare i conti.
4 stilo in serie dureranno ben poco.
Tu non hai fatto niente di tutto cio' e lo dimostra che dopo due solleciti, hai postato un'immagine di uno pseudo schema, che non puo' essere corretto.
La formula per il calcolo delle resistenze da porre in serie ai led ti e' gia' stata detta al punto 2; quindi non ti resta che fare i conti.
4 stilo in serie dureranno ben poco.
marco
-1
voti
so che c'è un regolamento ma non lo trovo ... comunque come ho disegnato io va bene ?
per la formula ok devo solo calcolare e per la dissipazione del calore delle resistenze come si fa? che resistenze devo prendere da 1/2,1/4 o 1/8 W ? scusate se sono assillante però vorrei fare una cosa ben riuscita
comunque le regole mettetele più in evidenza perché io non le ho trovate
per la formula ok devo solo calcolare e per la dissipazione del calore delle resistenze come si fa? che resistenze devo prendere da 1/2,1/4 o 1/8 W ? scusate se sono assillante però vorrei fare una cosa ben riuscita
comunque le regole mettetele più in evidenza perché io non le ho trovate
-

ElectroProvetto
36 2 - Messaggi: 28
- Iscritto il: 22 ago 2014, 22:48
Chi c’è in linea
Visitano il forum: Nessuno e 55 ospiti

Elettrotecnica e non solo (admin)
Un gatto tra gli elettroni (IsidoroKZ)
Esperienza e simulazioni (g.schgor)
Moleskine di un idraulico (RenzoDF)
Il Blog di ElectroYou (webmaster)
Idee microcontrollate (TardoFreak)
PICcoli grandi PICMicro (Paolino)
Il blog elettrico di carloc (carloc)
DirtEYblooog (dirtydeeds)
Di tutto... un po' (jordan20)
AK47 (lillo)
Esperienze elettroniche (marco438)
Telecomunicazioni musicali (clavicordo)
Automazione ed Elettronica (gustavo)
Direttive per la sicurezza (ErnestoCappelletti)
EYnfo dall'Alaska (mir)
Apriamo il quadro! (attilio)
H7-25 (asdf)
Passione Elettrica (massimob)
Elettroni a spasso (guidob)
Bloguerra (guerra)



