C'e' una bella fascia rosa sopra i messaggi ed in altre parti del forum in cui e' scritto: "Regole del Forum". Inoltre c'e' anche in home page la scritta Help in cui puoi trovare ogni informazione.
Per le resistenze vedi tu.

Moderatori:
carloc,
g.schgor,
BrunoValente,
IsidoroKZ





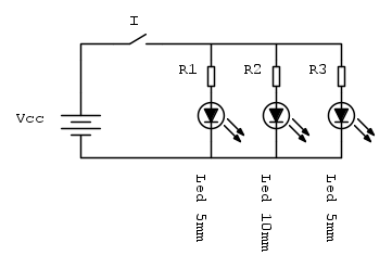
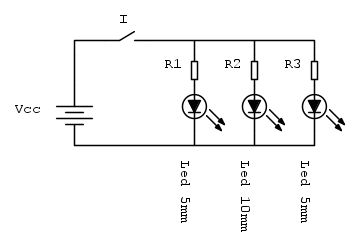
grazie per la formulaLiquidShark ha scritto:La formula per calcolare quanto dissipano i resistori:
(comunque non vi sprecate a mettere voti Ah)

ElectroProvetto ha scritto:comunque grazie per i calcoli ... tu dici che da 1/4W bastano per dissipare il calore dovuto all'assorbimento di 280mA ?
ElectroProvetto ha scritto: tu dici che da 1/4W bastano per dissipare il calore dovuto all'assorbimento di 280mA ?





,
, 


Visitano il forum: Nessuno e 142 ospiti