Salve a tutti.
Vorrei porre alcune domande da neofita.
Nel mio appartamento ho una linea di potenza (sotto MT 15A) per le prese e un linea luce (sotto MT 10A) che viene condivisa con prese 10A. L'impianto è stato rifatto nel 2009 ma volevo capirne di più e se c'è qualche anomalia.
Domande:
1-Tutti gli interruttori sono cablati con fase interrotta e neutro diretto ai punti luce (lampadari, applique,...). Questa è una soluzione migliore per la sicurezza (il fatto di avere l'interruzione di fase), o oggigiorno si usa più l'interruzione del neutro?
2- Ho notato che per la linea 10A il neutro è condiviso tra prese e punti luce (lampadari), è corretto o è un'anomalia? Ovviamente la linea 15A ha un neutro dedicato.
3- su molti ambienti dove c'è un lampadario e 3 interruttori è stato usato il cablaggio Deviatore-Invertitore-Deviatore. Se volessi cambiare è inserire un Relè Dimmer (oggetto principale del mio post e posto di avere lamapdari con lampade alogene o comunque dimmerabili) dovrei sostituire deviatori e invertitore con 3 pulsanti. Quello che mi chiedo è: se volessi usare il relè con lo schema di collegamento che richiede il neutro sia sui pulsanti che sul relè, da dove prendo il neutro? Posso prendere il neutro dalla linea 10A anche da una presa 10A?
Grazie (e scusate in anticipo se ho scritto delle sciocchezze) :)
Installazione relè dimmer
Moderatori:
sebago,
MASSIMO-G,
lillo,
Mike
4 messaggi
• Pagina 1 di 1
0
voti
Salve mickel75 e Buonasera a tutto il Forum
....è un pezzetto che non scrivo
1-No. Si interrompe sempre la fase per motivi di sicurezza.
2-La linea da 10A può essere usata sia per i punti luce che per le prese ed è normale trovare il "neutro condiviso".
3-Si devi sostituire i deviatori/invertitori con i pulsanti e ricorda che i relè dimmerabili vanno scelti in base alla potenza e al tipo di carico.
3bis- Si puoi tranquillamente prendere il neutro da una presa poiché prese e luce in questione facciano parte della stessa linea (da verificare).
....è un pezzetto che non scrivo
mickel75 ha scritto:1-Tutti gli interruttori sono cablati con fase interrotta e neutro diretto ai punti luce (lampadari, applique,...). Questa è una soluzione migliore per la sicurezza (il fatto di avere l'interruzione di fase), o oggigiorno si usa più l'interruzione del neutro?
1-No. Si interrompe sempre la fase per motivi di sicurezza.
mickel75 ha scritto:2- Ho notato che per la linea 10A il neutro è condiviso tra prese e punti luce (lampadari), è corretto o è un'anomalia? Ovviamente la linea 15A ha un neutro dedicato.
2-La linea da 10A può essere usata sia per i punti luce che per le prese ed è normale trovare il "neutro condiviso".
mickel75 ha scritto:3- su molti ambienti dove c'è un lampadario e 3 interruttori è stato usato il cablaggio Deviatore-Invertitore-Deviatore. Se volessi cambiare è inserire un Relè Dimmer (oggetto principale del mio post e posto di avere lamapdari con lampade alogene o comunque dimmerabili) dovrei sostituire deviatori e invertitore con 3 pulsanti.
3-Si devi sostituire i deviatori/invertitori con i pulsanti e ricorda che i relè dimmerabili vanno scelti in base alla potenza e al tipo di carico.
mickel75 ha scritto:Quello che mi chiedo è: se volessi usare il relè con lo schema di collegamento che richiede il neutro sia sui pulsanti che sul relè, da dove prendo il neutro? Posso prendere il neutro dalla linea 10A anche da una presa 10A?
3bis- Si puoi tranquillamente prendere il neutro da una presa poiché prese e luce in questione facciano parte della stessa linea (da verificare).
...e come diceva sempre mio nonno: "Nessuno nasce imparato"
0
voti
mickel75 ha scritto:se volessi usare il relè con lo schema di collegamento che richiede il neutro...
Ciao,
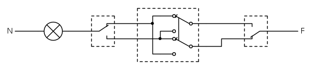
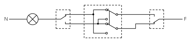
oltre a quello che è già stato detto, se la tua situazione attuale è questa (2 deviatori e un invertitore)
Forse ti conviene usare un relè elettronico comandato dalla fase. Così ricicli i cavi che ci sono già e cambi solamente i frutti. Alla fine verrebbe una cosa del genere:
Io farei così fossi in te, meno lavoro!
"Computers, operating systems, networks are a hot mess. They're barely manageable, even if you know a decent amount about what you're doing. Nine out of ten software engineers agree: it's a miracle anything works at all."
@fasterthanlime
@fasterthanlime
0
voti
Grazie a tutti per le risposte.
Si DonJ, la mia situazione è proprio quella e avevo pensato ad un relè comandato dalla fase. Ma il relè che ho già io vuole solo la configurazione col neutro. Grazie.
Si DonJ, la mia situazione è proprio quella e avevo pensato ad un relè comandato dalla fase. Ma il relè che ho già io vuole solo la configurazione col neutro. Grazie.
Ultima modifica di
marco438 il 26 ago 2014, 18:10, modificato 1 volta in totale.
Motivazione: Eliminato quoting inutile. Usa il tasto rispondi.
Motivazione: Eliminato quoting inutile. Usa il tasto rispondi.
4 messaggi
• Pagina 1 di 1
Torna a Impianti, sicurezza e quadristica
Chi c’è in linea
Visitano il forum: Nessuno e 66 ospiti

Elettrotecnica e non solo (admin)
Un gatto tra gli elettroni (IsidoroKZ)
Esperienza e simulazioni (g.schgor)
Moleskine di un idraulico (RenzoDF)
Il Blog di ElectroYou (webmaster)
Idee microcontrollate (TardoFreak)
PICcoli grandi PICMicro (Paolino)
Il blog elettrico di carloc (carloc)
DirtEYblooog (dirtydeeds)
Di tutto... un po' (jordan20)
AK47 (lillo)
Esperienze elettroniche (marco438)
Telecomunicazioni musicali (clavicordo)
Automazione ed Elettronica (gustavo)
Direttive per la sicurezza (ErnestoCappelletti)
EYnfo dall'Alaska (mir)
Apriamo il quadro! (attilio)
H7-25 (asdf)
Passione Elettrica (massimob)
Elettroni a spasso (guidob)
Bloguerra (guerra)





