Cos'è ElectroYou | Login Iscriviti

ElectroYou - la comunità dei professionisti del mondo elettrico

Relè che continua a scattare

Elettronica lineare e digitale: didattica ed applicazioni

Moderatori: Foto Utentecarloc, Foto Utenteg.schgor, Foto UtenteBrunoValente, Foto UtenteIsidoroKZ

0
voti

[1] Relè che continua a scattare

Messaggioda Foto UtenteDidyMond » 28 ago 2014, 19:36

Buona sera a tutti!
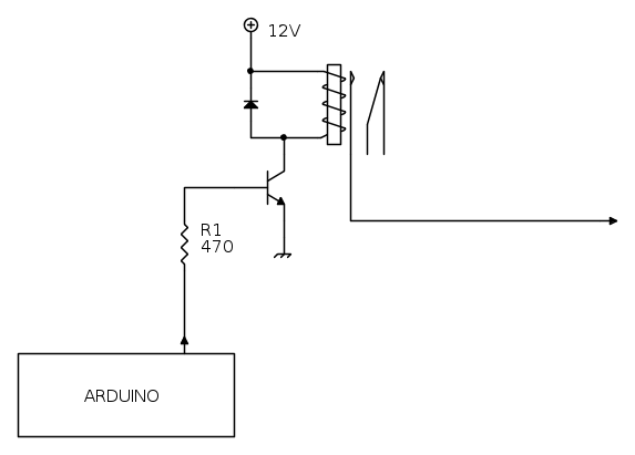
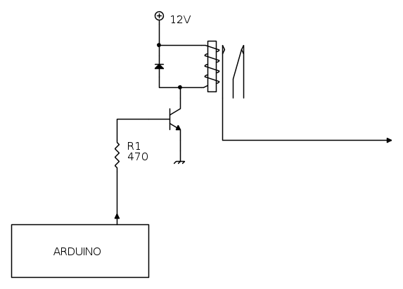
Ho un relè da 12V 16A ad uno scambio che continua attaccare/distaccare aprire-ciudere il contatto di carico; viene pilotato tramite Arduino con un transistor e a questo punto mi viene il dubbio che la resistenza di base si stata calcolata male. Vi posto il procedimento che ho eseguito:

-Relè 12V, 16A modello: RP310012
-Resistenza della bobina: 270 \Omega
Quindi la corrente minima sulla bobina per far scattare il relè è di: I_{min} = \frac {12V} {270\Omega} = 44.4 mA.
Il transistor utilizzato è un 2N2222A con hfe di 150 misurato tramite tester.
La corrente massima che Arduino può erogare in uscita da uno dei suoi pin è di 40mA, ma per sicurezza ho volutamente fatto i calcoli con una I_{base max} = 20mA
Questo mi porta a dire che la corrente di base minima deve essere: I_{base min} = \frac {44.4mA} {150} = 0.29 mA che per sicurezza ho moltiplicato per 3 -> I_{base min} = 0.89mA

Poi ho proceduto così:
R_{minima} = \frac {5V - 0.7V} {20mA} = 215\Omega
R_{massima} = \frac {5V - 0.7V} {0.89mA} = 4.8K\Omega

Avevo già a portata di mano una resistenza da 470\Omega ma, pur avendo l'uscita bassa di arduino il relè a volte attacca-stacca eccita-diseccita, oppure rimane direttamente attaccato eccitato.

Il guaio è che ora il circuito è già su mille fori in quanto avevo eseguito i test con un relè 12V 10A (modello: Omron G2R-1 con una bobina da 275\Omega, quindi essenzialmente i calcoli non variano di molto) e prima funzionava correttamente....
Sbaglio io i calcoli o c'è qualcos'altro che mi sfugge?

Il circuito è proprio base:
Avatar utente
Foto UtenteDidyMond
5 3
 
Messaggi: 25
Iscritto il: 25 lug 2014, 14:14

0
voti

[2] Re: Relè che continua a scattare

Messaggioda Foto UtenteCandy » 29 ago 2014, 0:01

Una resistena di 470 ohm è inutilmente bassa. Portala, magari a 2k2.
Per la vibrazione, correggi il progetto od il programma.

Se togli il micro e metti una tensione di +5 V alla resistenza, cosa fa il relè?
Qualndo il relè si accita cosa fa l'alimentazione? E cosa fa il reset del micro?
Il micro è a 5 V od a 3.3 V?

Diciamo che ti sei perso sull'hfe del transistor, che è per ora l'ultimo degli ultimi problemi.
Avatar utente
Foto UtenteCandy
32,5k 7 10 13
CRU - Account cancellato su Richiesta utente
 
Messaggi: 10123
Iscritto il: 14 giu 2010, 22:54

0
voti

[3] Re: Relè che continua a scattare

Messaggioda Foto UtenteDidyMond » 29 ago 2014, 0:13

Candy ha scritto:Se togli il micro e metti una tensione di +5 V alla resistenza, cosa fa il relè?

Mettendo una tensione da 5V sulla resistenza il relè attacca eccita e rimane attaccato. eccitato ...
Mentre se applico la massa, quindi 0V sulla resistenza il relè rimane distaccato


Candy ha scritto:Qualndo il relè si eccita cosa fa l'alimentazione? E cosa fa il reset del micro?
Il micro è a 5 V od a 3.3 V?

Quando si eccita non ho controllato cosa fa, ma il relè è alimentato a parte con 12V, il micro è alimentato a 5V tramite LM7805 prendendoli derivati dai 12V, quindi il micro ha la sua tensione stabile è alimentato ...
Avatar utente
Foto UtenteDidyMond
5 3
 
Messaggi: 25
Iscritto il: 25 lug 2014, 14:14

0
voti

[4] Re: Relè che continua a scattare

Messaggioda Foto UtenteCandy » 29 ago 2014, 0:54

Stabile per definizione. Piango.
Avatar utente
Foto UtenteCandy
32,5k 7 10 13
CRU - Account cancellato su Richiesta utente
 
Messaggi: 10123
Iscritto il: 14 giu 2010, 22:54

0
voti

[5] Re: Relè che continua a scattare

Messaggioda Foto Utenteobiuan » 29 ago 2014, 10:01

Candy ha scritto:Stabile per definizione. Piango.


e io mi unisco allo conforto.

Foto UtenteDidyMond, se applicando alla base 5V il relè si eccita stabilmente, e mettendo 0V si diseccita stabilmente, non sarà che il problema è che l'Arduino non mette 5V stabili? ritengo che concentrandoti sulla sezione transistor+relè tu stia perdendo tempo.

Direi che le cose più probabili sono un baco nel software o un problema sulle alimentazioni che ti resetta il micro o che pur non resettandolo fa scendere la corrente al di sotto della hold del relè (più probabile).
_______________________________________________________
Gli oscillatori non oscillano mai, gli amplificatori invece sempre

Io HO i poteri della supermucca, e ne vado fiero!
Avatar utente
Foto Utenteobiuan
5.894 3 10 13
Master
Master
 
Messaggi: 980
Iscritto il: 23 set 2013, 23:45

0
voti

[6] Re: Relè che continua a scattare

Messaggioda Foto UtenteDidyMond » 29 ago 2014, 11:02

Candy ha scritto:Stabile per definizione. Piango.

Scusa, ma da datasheet dell'LM7805 in uscita dichiara una tensione che varia da un minimo di 4.80V ad un massimo di 5.20V, indipendentemente dalla tensione di ingresso(stando nei parametri di massimo e minimo), queste fluttuazioni (se ce ne sono) non portano al reset del micro.


obiuan ha scritto:non sarà che il problema è che l'Arduino non mette 5 V stabili?

L'uscita HIGH dell'Arduino è di 4.71V.

obiuan ha scritto:Direi che le cose più probabili sono un baco nel software o un problema sulle alimentazioni che ti resetta il micro o che pur non resettandolo fa scendere la corrente al di sotto della hold del relè (più probabile).

Baco nel software non credo....Adesso è caricato per tenere solamente a LOW l'uscita a cui è collegato il gruppo transistor+relè. La tensione di uscita dal PIN digitale del micro è di 0.033V.

Non capisco perché dite che il problema sia dell'alimentazione che fa resettare il micro...
La tensione che arriva in ingresso al micro è di 4.85V sia quando il relè è eccitato sia quando non lo è, quindi sufficiente per tenerlo attivo...
Avatar utente
Foto UtenteDidyMond
5 3
 
Messaggi: 25
Iscritto il: 25 lug 2014, 14:14

1
voti

[7] Re: Relè che continua a scattare

Messaggioda Foto Utenteobiuan » 29 ago 2014, 11:09

Quello che diciamo è che i valori vanno misurati, se sulle specifiche c'è scritta una cosa ma tu sbagli per esempio il montaggio, pensi che valgano lo stesso?

Con "l'arduino non mette 5V stabili" non ti chiedevo di cercare la tensione minima d'uscita del pin dell'arduino, ma di verificare con qualche strumento che diavolo succede su quel pin quando tu pensi che ci siano i 5V stabili.

Bene, allora supponiamo che il micro non si resetti...quel relè che necessita di 40mA per commutare, necessiterà poi anche di una corrente per restare eccitato. Questa corrente si chiama "holding current" sulle specifiche e di solito è metà o poco più della corrente di eccitazione. Questo significa che se alla commutazione del relè la 12V ti scende diciamo a 6V, il relè si diseccita, la 12V risale, il relè si rieccita e così via.
_______________________________________________________
Gli oscillatori non oscillano mai, gli amplificatori invece sempre

Io HO i poteri della supermucca, e ne vado fiero!
Avatar utente
Foto Utenteobiuan
5.894 3 10 13
Master
Master
 
Messaggi: 980
Iscritto il: 23 set 2013, 23:45

0
voti

[8] Re: Relè che continua a scattare

Messaggioda Foto UtenteDidyMond » 29 ago 2014, 11:24

obiuan ha scritto:Con "l'arduino non mette 5 V stabili" non ti chiedevo di cercare la tensione minima d'uscita del pin dell'arduino, ma di verificare con qualche strumento che diavolo succede su quel pin quando tu pensi che ci siano i 5 V stabili.

Con uscita ad HIGH tensione di 4.71V
Con uscita a LOW tensione di 0.033V
Sono valori misurati....non presi dal datasheet.
E il micro, adesso, è programmato per tenere sempre bassa l'uscita a cui è collegato il gruppo transistor+relè

obiuan ha scritto:del relè la 12 V ti scende diciamo a 6V, il relè si diseccita, la 12 V risale, il relè si rieccita e così via.

I 12V sono presi da un alimentatore da banco....Precisamente un alimentatore da PC e all'uscita dei 12V misuro 11.91V quando il relè non è eccitato e 11.88V quando è eccitato....

Proverò a cambiare la resistenza di base mettendone una da 3.3k.
Avatar utente
Foto UtenteDidyMond
5 3
 
Messaggi: 25
Iscritto il: 25 lug 2014, 14:14

0
voti

[9] Re: Relè che continua a scattare

Messaggioda Foto Utenteobiuan » 29 ago 2014, 11:29

DidyMond ha scritto:Sono valori misurati....non presi dal datasheet.


ho capito, era un discorso generale partito dal tuo "stabile per definizione"...e comunque, se una tensione è instabile per esempio un bel PWM rapidino a duty cycle 90% perché c'è un baco nel software, col il tester leggi una tensione continua ma il relè commuta...

DidyMond ha scritto:Proverò a cambiare la resistenza di base mettendone una da 3.3k.


tentativo che ritengo assolutamente inutile, dagli inidizi che ci hai dato. Ma scusa c'è una cosa che non ho capito: il relè a che frequenza si eccita/diseccita? e che significa che ogni tanto "rimane direttamente eccitato"? c'è una condizione in cui misuri 0V sul pin del micro e il relè resta eccitato? hai provato a misurare la Vbe del transistor?
_______________________________________________________
Gli oscillatori non oscillano mai, gli amplificatori invece sempre

Io HO i poteri della supermucca, e ne vado fiero!
Avatar utente
Foto Utenteobiuan
5.894 3 10 13
Master
Master
 
Messaggi: 980
Iscritto il: 23 set 2013, 23:45

0
voti

[10] Re: Relè che continua a scattare

Messaggioda Foto UtenteDidyMond » 29 ago 2014, 11:44

obiuan ha scritto:il relè a che frequenza si eccita/diseccita?


Ad esempio appena accendo l'alimentatore il relè si eccita subito e rimane eccitato, pur misurando l'uscita del PIN del micro a 0.033V.
A volte invece parte che non è eccitato ma dopo qualche secondo si eccita/diseccita molto rapidamente e rimane eccitato.

obiuan ha scritto:e che significa che ogni tanto "rimane direttamente eccitato"?

Che commuta il contatto di scambio....Esattamente come quando il relè viene eccitato.
obiuan ha scritto:c'è una condizione in cui misuri 0V sul pin del micro e il relè resta eccitato?

Praticamente ogni volta che rimane eccitato....dato che il micro è programmato per tenere bassa tale uscita.
Prima della resistenza (quindi l'uscita del micro) la tensione è di 0.033V
Dopo la resistenza (quindi V_{be}) la tensione è di 0.7V
Avatar utente
Foto UtenteDidyMond
5 3
 
Messaggi: 25
Iscritto il: 25 lug 2014, 14:14

Prossimo

Torna a Elettronica generale

Chi c’è in linea

Visitano il forum: Nessuno e 120 ospiti