Buonasera Forum,
riguardando il mio libro di elettronica, nella parta riguardante i BJT ho letto che talvolta, in casi molto particolari e particolari configurazioni, sono utilizzati in polarizzazione BE inversa.
Il mio libro poi glissa su questa parte, e continua a parlare della polarizzazione diretta.
Sono però rimasto molto incuriosito. Quali circuiti utilizzano un BJT con polarizzazione inversa?
BJT polarizzati inversamente
Moderatori:
carloc,
g.schgor,
BrunoValente,
IsidoroKZ
14 messaggi
• Pagina 1 di 2 • 1, 2
11
voti
Quello che tu intendi si chiama inverted mode (o reversed mode) e sostanzialmente consiste nell'invertire i terminali di collettore ed emettitore.
Teoricamente non vi dovrebbe essere differenza se il BJT fosse costruito con una serie di layer simmetrici. Di fatto però la geometria realizzativa fa sì che il funzionamento non sia simmetrico in ambo i modi.
In reversed mode i valori di
e
sono molto minori, cosicché non vi sarebbe un vantaggio evidente nell'utilizzare tale configurazione.
In realtà esistevano applicazioni dei BJT in reversed mode che sfruttavano una peculiarità, ovvero che quando un BJT è spinto fortemente in saturazione, la tensione collettore-emettitore di saturazione è differente per i due modi di funzionamento, diretto e inverso.
Senza addentrarci in particolari, nel funzionamento diretto la
assume valori che possono raggiungere un minimo di soli 60 mV.
In funzionamento inverso, la
può assumere valori molto più piccoli, compresi tra 0.25 e 2.5 mV.
Questo rendeva il BJT ideale per realizzare switch analogici per sample/hold, charge pump eccetera. Parliamo degli anni '50- '60 del secolo scorso, prima che i JFET prima e i MOSFET poi divenissero la scelta ovvia per la realizzazione di tali switch.
Il modo di funzionamento inverso balza subito all'occhio se si è in possesso di un tracciacurve in grado di visualizzare sia il primo che il terzo quadrante contemporaneamente delle caratteristiche di uscita dei BJT.
In tal modo si vedrebbe che, oltre alla famiglia di curve Ic-Vce che usualmente risiedono nel primo quadrante (Ic e Vce positive, per i BJT NPN) apparirebbero anche delle curve simili, ma meno evidenti e con spaziatura molto minore, che risiedono nel terzo quadrante (Ic e Vce negative), che mostrano appunto il BJT in funzionamento inverso.
Se si vuole sperimentare con i BJT in reverse mode, occorre ricordarsi però della tensione massima di reverse breakdown della
, che notoriamente si aggira su pochi volt: 6V circa per il 2N3904, 5V per il BC548. Quindi occhio... 
Teoricamente non vi dovrebbe essere differenza se il BJT fosse costruito con una serie di layer simmetrici. Di fatto però la geometria realizzativa fa sì che il funzionamento non sia simmetrico in ambo i modi.
In reversed mode i valori di
e
sono molto minori, cosicché non vi sarebbe un vantaggio evidente nell'utilizzare tale configurazione.In realtà esistevano applicazioni dei BJT in reversed mode che sfruttavano una peculiarità, ovvero che quando un BJT è spinto fortemente in saturazione, la tensione collettore-emettitore di saturazione è differente per i due modi di funzionamento, diretto e inverso.
Senza addentrarci in particolari, nel funzionamento diretto la
assume valori che possono raggiungere un minimo di soli 60 mV.In funzionamento inverso, la
può assumere valori molto più piccoli, compresi tra 0.25 e 2.5 mV.Questo rendeva il BJT ideale per realizzare switch analogici per sample/hold, charge pump eccetera. Parliamo degli anni '50- '60 del secolo scorso, prima che i JFET prima e i MOSFET poi divenissero la scelta ovvia per la realizzazione di tali switch.
Il modo di funzionamento inverso balza subito all'occhio se si è in possesso di un tracciacurve in grado di visualizzare sia il primo che il terzo quadrante contemporaneamente delle caratteristiche di uscita dei BJT.
In tal modo si vedrebbe che, oltre alla famiglia di curve Ic-Vce che usualmente risiedono nel primo quadrante (Ic e Vce positive, per i BJT NPN) apparirebbero anche delle curve simili, ma meno evidenti e con spaziatura molto minore, che risiedono nel terzo quadrante (Ic e Vce negative), che mostrano appunto il BJT in funzionamento inverso.
Se si vuole sperimentare con i BJT in reverse mode, occorre ricordarsi però della tensione massima di reverse breakdown della
, che notoriamente si aggira su pochi volt: 6V circa per il 2N3904, 5V per il BC548. Quindi occhio... Se funziona quasi bene, è tutto sbagliato. A.Savatteri/M.Mazza
9
voti
StefDrums ha scritto:Quali circuiti utilizzano un BJT con polarizzazione inversa?
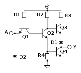
Le porte logiche TTL sono un esempio.
In questo circuito:
Quando sull' emettitore di Q1 si ha lo stato logico alto (5 V), lo stesso transistore lavora in attiva inversa.
0
voti
simo85 ha scritto:StefDrums ha scritto:Quali circuiti utilizzano un BJT con polarizzazione inversa?
Le porte logiche TTL sono un esempio.
Quando sull' emettitore di Q1 si ha lo stato logico alto (5 V), lo stesso transistore lavora in attiva inversa.
E' vero accidenti! Come ho fatto a non ricordarmelo!
In quel modo di funzionamento il transitor Q1, quando in ingresso vi è il livelo logico 1 offre un carico minimo.
Quando Q1 va in saturazione (ingresso a 1) circa il 2% della corrente di base viene fornita dal pilotaggio, il restante 98% dalla resistenza R1.
Se funziona quasi bene, è tutto sbagliato. A.Savatteri/M.Mazza
2
voti
simo85 ha scritto:..Le porte logiche TTL sono un esempio..
Cavolo!! ricordo che da ragazzino mi scervellai a cercare di capire il perché di quel collegamento strampalato di Q1 senza riuscire a spiegarmelo..ora grazie a te, dopo 40 anni, è arrivata la risposta e adesso è ovvia
Grazie
-

BrunoValente
39,6k 7 11 13 - G.Master EY

- Messaggi: 7796
- Iscritto il: 8 mag 2007, 14:48
0
voti

"Non farei mai parte di un club che accettasse la mia iscrizione" (G. Marx)
-

claudiocedrone
21,3k 4 7 9 - Master EY

- Messaggi: 15302
- Iscritto il: 18 gen 2012, 13:36
0
voti
claudiocedrone ha scritto:.. comunque sono certo che la questione del "transistor capovolto" è già stata sommariamente affrontata sul forum.
Sì, ricordo anch'io, fu Isidoro che ci spiegò come funzionava, fu allora che ne sentii parlare per la prima volta, ma non collegai la cosa al transistor di ingresso dei TTL.
-

BrunoValente
39,6k 7 11 13 - G.Master EY

- Messaggi: 7796
- Iscritto il: 8 mag 2007, 14:48
14 messaggi
• Pagina 1 di 2 • 1, 2
Chi c’è in linea
Visitano il forum: Nessuno e 209 ospiti

Elettrotecnica e non solo (admin)
Un gatto tra gli elettroni (IsidoroKZ)
Esperienza e simulazioni (g.schgor)
Moleskine di un idraulico (RenzoDF)
Il Blog di ElectroYou (webmaster)
Idee microcontrollate (TardoFreak)
PICcoli grandi PICMicro (Paolino)
Il blog elettrico di carloc (carloc)
DirtEYblooog (dirtydeeds)
Di tutto... un po' (jordan20)
AK47 (lillo)
Esperienze elettroniche (marco438)
Telecomunicazioni musicali (clavicordo)
Automazione ed Elettronica (gustavo)
Direttive per la sicurezza (ErnestoCappelletti)
EYnfo dall'Alaska (mir)
Apriamo il quadro! (attilio)
H7-25 (asdf)
Passione Elettrica (massimob)
Elettroni a spasso (guidob)
Bloguerra (guerra)




