, qualcuno può aiutarmi? Gli sarò eternamente grato.
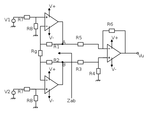
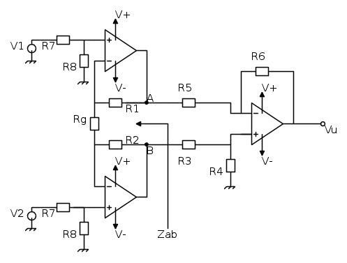
Determinare l’impedenza vista tra i nodi A e B del circuito riportato in figura considerando gli amplificatori
operazionali puramente resistivi. R1 = 15 kΩ, R2 = 12 kΩ, RG = 80 Ω, R3 = R4 = R5 = R6 = 10 kΩ, R7 = 5 kΩ, R8 =20 kΩ, OPAMP: Zin = ∞, Zout = 2 Ω, Avol = 105.

Elettrotecnica e non solo (admin)
Un gatto tra gli elettroni (IsidoroKZ)
Esperienza e simulazioni (g.schgor)
Moleskine di un idraulico (RenzoDF)
Il Blog di ElectroYou (webmaster)
Idee microcontrollate (TardoFreak)
PICcoli grandi PICMicro (Paolino)
Il blog elettrico di carloc (carloc)
DirtEYblooog (dirtydeeds)
Di tutto... un po' (jordan20)
AK47 (lillo)
Esperienze elettroniche (marco438)
Telecomunicazioni musicali (clavicordo)
Automazione ed Elettronica (gustavo)
Direttive per la sicurezza (ErnestoCappelletti)
EYnfo dall'Alaska (mir)
Apriamo il quadro! (attilio)
H7-25 (asdf)
Passione Elettrica (massimob)
Elettroni a spasso (guidob)
Bloguerra (guerra)


