
Come sbrogliare tre deviatori?
Moderatori:
sebago,
MASSIMO-G,
lillo,
Mike
16 messaggi
• Pagina 2 di 2 • 1, 2
0
voti
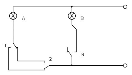
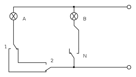
Dobbiamo arrivare a questa soluzione però dipende da come sono passati i fili.
E' per quello che ti ho chiesto di capire quali comandi e quali fili sono collegati.
...e come diceva sempre mio nonno: "Nessuno nasce imparato"
0
voti
Hai un deviatore e un interruttore all'interno di una stessa scatola?
Sono due deviatori e un interruttore?
Hai la possibilitàdi dirci di che colori sono i fili?
Sono due deviatori e un interruttore?
Hai la possibilitàdi dirci di che colori sono i fili?
-

elettroigor
2.063 1 5 12 - Expert free
- Messaggi: 780
- Iscritto il: 22 gen 2011, 0:02
1
voti
caesar753 ha scritto:L'estate sta finendo e ...
.. non ho saputo resistere ...
caesar753 ha scritto:...apro le scatole degli interruttori e vi dico tutto!!
scherzi a parte,credo sia la soluzione corretta, realizzare uno schema della situazione indicando i colori dei conduttori e i giusti riferimenti di fase sulle connessioni dei dispositivi deviatori o interruttori che siano.
0
voti
mir ha scritto:indicando i colori dei conduttori
Io scommetto che tutte le fasi sono dello stesso colore.
Altrimenti bisogna mettersi d'impegno per mischiare le cose in quel modo :)

http://millefori.altervista.org
Tool gratuito per chi sviluppa su millefori.
Tutti sanno che una cosa è impossibile da realizzare, finché arriva uno sprovveduto che non lo sa e la inventa. (A. Einstein)
Se non c'e` un 555 non e` un buon progetto (IsidoroKZ)
Strumento per formule
Tool gratuito per chi sviluppa su millefori.
Tutti sanno che una cosa è impossibile da realizzare, finché arriva uno sprovveduto che non lo sa e la inventa. (A. Einstein)
Se non c'e` un 555 non e` un buon progetto (IsidoroKZ)
Strumento per formule
-

posta10100
5.550 4 10 13 - Master EY

- Messaggi: 4832
- Iscritto il: 5 nov 2006, 0:09
16 messaggi
• Pagina 2 di 2 • 1, 2
Torna a Impianti, sicurezza e quadristica
Chi c’è in linea
Visitano il forum: Nessuno e 200 ospiti

Elettrotecnica e non solo (admin)
Un gatto tra gli elettroni (IsidoroKZ)
Esperienza e simulazioni (g.schgor)
Moleskine di un idraulico (RenzoDF)
Il Blog di ElectroYou (webmaster)
Idee microcontrollate (TardoFreak)
PICcoli grandi PICMicro (Paolino)
Il blog elettrico di carloc (carloc)
DirtEYblooog (dirtydeeds)
Di tutto... un po' (jordan20)
AK47 (lillo)
Esperienze elettroniche (marco438)
Telecomunicazioni musicali (clavicordo)
Automazione ed Elettronica (gustavo)
Direttive per la sicurezza (ErnestoCappelletti)
EYnfo dall'Alaska (mir)
Apriamo il quadro! (attilio)
H7-25 (asdf)
Passione Elettrica (massimob)
Elettroni a spasso (guidob)
Bloguerra (guerra)





