Cos'è ElectroYou | Login Iscriviti

ElectroYou - la comunità dei professionisti del mondo elettrico

Schema collegamento timer luci scale

Elettronica lineare e digitale: didattica ed applicazioni

Moderatori: Foto Utentecarloc, Foto Utenteg.schgor, Foto UtenteBrunoValente, Foto UtenteIsidoroKZ

0
voti

[1] Schema collegamento timer luci scale

Messaggioda Foto Utenteantennae » 29 set 2014, 17:15

Salve!

avrei bisogno del vostro aiuto, dopo oltre 30 anni di onorato servizio il timer delle luci (modello ad ampolla di mercurio, di un imprecisata ditta spagnola) è andato in pensione.

Vista l'impossibilità di reperire un modello identico ho potuto acquistare un modello elettronico come
questo

Immagine

Il manuale dice compatibile con impianti a tre e quattro fili

L'impianto di casa è a tre fili, al precedente timer arrivano solo tre fili, marrone, blu, grigio

Vorrei capire se l'impianto di casa necessita di modifiche per poter collegare il nuovo timer o altro

grazie mille
Avatar utente
Foto Utenteantennae
38 3
New entry
New entry
 
Messaggi: 78
Iscritto il: 18 ago 2008, 13:40

0
voti

[2] Re: Schema collegamento timer luci scale

Messaggioda Foto Utentemir » 29 set 2014, 19:13

in genere questo tipo di timer (T1) per funzionare ha bisogno di un'alimentazione di rete, ovvero di un conduttore di fase (F) ed uno di neutro (N) che rappresentano appunto la tensione di rete di 230 V 50 Hz, ed un conduttore che dia l'impulso per attivare il timer proveniente dai pulsanti (P),questo conduttore in genere fornisce un impulso di fase,e poi c'è un ulteriore conduttore che rappresenta la fase di uscita per le lampade,(L) secondo questo schema generico:

pertanto,credo che dovresti avere ciò che ti serve per poterlo installare,ma per poterti aiutare meglio dovresti postare il modello e la marca del timer che hai a disposizione,o meglio ancora lo schema di collegamento ma ancor prima specificare la funzione di ogni conduttore che hai indicato, o specificare dove erano collegati sul vecchio timer,con un disegno o schema o immagini dettagliate.
qualora decidi di postare schemi o disegni sappi che dovrai farlo con fidocadj disponibile alla voce help del menu a tendina in alto, è un software di disegno semplice ed intuitivo che permetterà a chi interverrà di poter modificare o postare sul disegno da te realizzato. ;-)
Avatar utente
Foto Utentemir
66,0k 9 12 13
G.Master EY
G.Master EY
 
Messaggi: 21870
Iscritto il: 19 ago 2004, 21:10

2
voti

[3] Re: Schema collegamento timer luci scale

Messaggioda Foto Utenteantennae » 29 set 2014, 20:10

Grazie

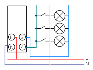
il timer è questo: http://www.perry.it/file/lis/link1/DEITNN008_07-12.pdf

che stando al manuale si collega così



vecchio timer (spero di averlo riportato correttamente):



(premendo il pulsante l'ampolla si sposta, aspettando che la forza di gravità faccia il resto)
e qui sorge il problema, posso collegare L,N ma come mi comporto con 3 e 4 #-o
Avatar utente
Foto Utenteantennae
38 3
New entry
New entry
 
Messaggi: 78
Iscritto il: 18 ago 2008, 13:40

1
voti

[4] Re: Schema collegamento timer luci scale

Messaggioda Foto Utentemir » 29 set 2014, 22:57

ascolta,prova ad identificare i conduttori che hai disponibili,o meglio dovresti avere/verificare in a la fase,in b il ritorno dei pulsanti ed in c il neutro

fammi sapere.
Avatar utente
Foto Utentemir
66,0k 9 12 13
G.Master EY
G.Master EY
 
Messaggi: 21870
Iscritto il: 19 ago 2004, 21:10

0
voti

[5] Re: Schema collegamento timer luci scale

Messaggioda Foto Utenteantennae » 30 set 2014, 8:37

se ricordo bene ho la fase in B
pulsante in C
neutro A

i fili hanno questi colori: marrone, blu, grigio

tra marrone e blu 227v
tra blu e grigio 80v

se stacco la corrente e provo la cantinuità col tester, premendo il pulsante suona sia tra marrone e grigio che tra grigio e blu

le lampade sono del vecchio tipo incandescenza
Avatar utente
Foto Utenteantennae
38 3
New entry
New entry
 
Messaggi: 78
Iscritto il: 18 ago 2008, 13:40

0
voti

[6] Re: Schema collegamento timer luci scale

Messaggioda Foto Utentemir » 30 set 2014, 16:10

antennae ha scritto:se ricordo bene ho la fase in B
pulsante in C
neutro A ....tra marrone e blu 227v

hai tutto ciò che ti occorre, premesso che secondo lo schema che hai postato del timer, dovresti avere tutto per poter collegare l'equivalente timer ...
Avatar utente
Foto Utentemir
66,0k 9 12 13
G.Master EY
G.Master EY
 
Messaggi: 21870
Iscritto il: 19 ago 2004, 21:10

0
voti

[7] Re: Schema collegamento timer luci scale

Messaggioda Foto Utenteantennae » 30 set 2014, 16:15

si lo schema con l'ampolla è proprio il modo in cui era collegato il vecchio

la parte che mi blocca è che non ho da nessuna parte il 4 filo che viene mostrato nel manuale del timer e nello schema che hai gentilmente allegato

quindi tutto quello che posso fare:

filo marrone -> L del timer nuovo
filo blu -> N del timer nuovo
filo grigio -> 3 o 4 del timer nuovo

o devo creare un ponticello che da 3 va a N e collegare il grigio a 4 ?
Avatar utente
Foto Utenteantennae
38 3
New entry
New entry
 
Messaggi: 78
Iscritto il: 18 ago 2008, 13:40

0
voti

[8] Re: Schema collegamento timer luci scale

Messaggioda Foto Utentemir » 30 set 2014, 16:23

hai ragione,provo a fare il punto della situazione.
sul vecchio timer avevi tre conduttori di collegamento ed abbiamo detto essere:
il marrone ed il blu e fra questi hai la tensione di rete di 230 V,e poi hai un terzo conduttore il grigio.
ora la tensione che misuri tr ail marrone ed il grigio è sempre presente o è presente quando premi uno dei pulsanti di comando dell'impianto luce ?
Avatar utente
Foto Utentemir
66,0k 9 12 13
G.Master EY
G.Master EY
 
Messaggi: 21870
Iscritto il: 19 ago 2004, 21:10

0
voti

[9] Re: Schema collegamento timer luci scale

Messaggioda Foto Utenteantennae » 30 set 2014, 16:24

sempre
Avatar utente
Foto Utenteantennae
38 3
New entry
New entry
 
Messaggi: 78
Iscritto il: 18 ago 2008, 13:40

0
voti

[10] Re: Schema collegamento timer luci scale

Messaggioda Foto Utentemir » 30 set 2014, 16:35

edè strano, perché il vecchio timer per poter funzionare aveva bisogno di unconduttore di neutro diretto ed il conduttore di fase che gli veniva portato dai pulsanti, che una volta premuti eccitavano l'elettromagnete che azionava un meccanismo che metteva per un certo tempo l'ampolla in modo da poter condurre e chiudere il contatto portando la fase verso l'altro conduttore, ovvero il grigio.
quindi mi sembra di capire ma andrebbe verificato, che il conduttore marrone sia la fase (L) il conduttore blu sia il neutro (N) ed il grigio quello che porterà la fase alle lampade, in sostanza mancherebbe un neutro sempre presente.
ora si dovrebbero verificare con certezza i conduttori, perché non è possibile avere fissa la tensione di rete,c'è qualcosa che non quadra o mi sfugge,non hai modo di postare il timer vecchio con indicati i collegamenti ?
Avatar utente
Foto Utentemir
66,0k 9 12 13
G.Master EY
G.Master EY
 
Messaggi: 21870
Iscritto il: 19 ago 2004, 21:10

Prossimo

Torna a Elettronica generale

Chi c’è in linea

Visitano il forum: Nessuno e 171 ospiti