Cos'è ElectroYou | Login Iscriviti

ElectroYou - la comunità dei professionisti del mondo elettrico

Schema collegamento timer luci scale

Elettronica lineare e digitale: didattica ed applicazioni

Moderatori: Foto Utentecarloc, Foto Utenteg.schgor, Foto UtenteBrunoValente, Foto UtenteIsidoroKZ

0
voti

[21] Re: Schema collegamento timer luci scale

Messaggioda Foto Utenteantennae » 30 set 2014, 17:29

ok quindi toglierò tutte le lampade dovrei aspettarmi di avere beep solo su una coppia giusta?

se è così e quindi so anche di quale si tratta come vado avanti ?

cioè rimane sempre il problema dei 3 fili #-o

per il momento l'unica cosa certa è che con marrone in L, blu in N e grigio in 3, 4 non connesso, il risultato è esplosione (trattasi della brillante configurazione operata dall'elettricista
Avatar utente
Foto Utenteantennae
38 3
New entry
New entry
 
Messaggi: 78
Iscritto il: 18 ago 2008, 13:40

0
voti

[22] Re: Schema collegamento timer luci scale

Messaggioda Foto Utentemir » 30 set 2014, 18:31

la mia "ipotesi" di rispondenza dei conduttori è:



antennae ha scritto: l'unica cosa certa è che con marrone in L, blu in N e grigio in 3, 4 non connesso, il risultato è esplosione (trattasi della brillante configurazione operata dall'elettricista

certo che ha realizzato il botto, il morsetto 3 è l'uscita attiva verso le lampade, e non per il comando da pulsante ...
prova a verificare la rispondenza dei conduttori come ho ipotizzato.
Avatar utente
Foto Utentemir
66,0k 9 12 13
G.Master EY
G.Master EY
 
Messaggi: 21870
Iscritto il: 19 ago 2004, 21:10

0
voti

[23] Re: Schema collegamento timer luci scale

Messaggioda Foto Utenteantennae » 30 set 2014, 18:33

devo rimandare a domani come minimo per motivi di illuminazione :oops:

e dopo aver verificato ?

O_/
Avatar utente
Foto Utenteantennae
38 3
New entry
New entry
 
Messaggi: 78
Iscritto il: 18 ago 2008, 13:40

0
voti

[24] Re: Schema collegamento timer luci scale

Messaggioda Foto Utentemir » 30 set 2014, 18:34

ok.
Avatar utente
Foto Utentemir
66,0k 9 12 13
G.Master EY
G.Master EY
 
Messaggi: 21870
Iscritto il: 19 ago 2004, 21:10

2
voti

[25] Re: Schema collegamento timer luci scale

Messaggioda Foto Utentemir » 30 set 2014, 21:10

il funzionamento del relè a tempo per luci scale con ampolla al mercurio,è costituito da un elettromagnete funzionante alla tensione di rete allora 220 V 50 Hz, che una volta eccitato comanda il movimento di un'ampola contente il mercurio che realizza a sua volta l'apertura di un contatto e la chiusura di un secondo contatto,che chiuderà così il circuito esterno che alimenta le lampade.
secondo lo schema di principio,chiudendo il pulsante si eccita l'elettromagnete attraverso il contatto NC (k') in serie alla stessa bobina, così facendo si chiuderà il contatto NO (K") che andrà a chiudere il circuito di alimentazione della lampada L che si accenderà fin tanto che il leverismo nonriporterà nella condizione di riposo l'ampola di mercurio che aprirà il contatto NO togliendo alimentazione alla lampada e chiudeà il contatto NC predisponendo il relè per un ulteriore comando; il tempo di chiusura-apertura dei contatti è determinato dallo smorzamento dello stantuffo all'interno della camera dove si regola lo sfiato attraverso una semplice rotellina in basso.

il disegno del relè è molto rappresentativo. ;-)
----
ora riprendendo il discorso del relè a tempo vintage che Foto Utenteantennae ha scollegato,ammesso di conoscere o ricordare la posizione dei conduttori nella morsettiera sul vecchio relè a tempo, si dovrà avere (disegno sopra riportato) a sinistra il conduttore che va alle lampade, al centro il conduttore che viene dai pulsanti ed a destra il neutro; ovviamente essendo un impianto datato ed altrettanto vale per il relè vien da se che sono corrispondenze da verificare. ;-)
Avatar utente
Foto Utentemir
66,0k 9 12 13
G.Master EY
G.Master EY
 
Messaggi: 21870
Iscritto il: 19 ago 2004, 21:10

1
voti

[26] Re: Schema collegamento timer luci scale

Messaggioda Foto UtenteZG84 » 30 set 2014, 21:27

Ciao a tutti,
stavo leggendo e volevo precisare che in ogni caso devi avere i quattro fili sul relè elettronico.
Il cablaggio 3/4 fili non è riferito al relè ma alla tipologia dell'impianto.
Premettendo che non conoscevo l'esistenza di relè al mercurio :mrgreen: e fino all'ultimo post di mir ne avevo solo intuito il funzionamento...
direi che per fare scoppiare il relè elettronico (non so se in senso letterale o figurato) e guardando lo schema del manuale....
Cattura.JPG

avendo collegato il marrone sulla L (Fase), il blu sulla N (ipotetico neutro) e il grigio sul 3 (ritorno lampade?)...
direi che la fase è corretta (marrone) i pulsanti penso siano in grigio (se l'esplosione è avvenuta alla pressione) e sono cablati col neutro mentre il blu potrebbe essere il ritorno delle lampade...
Fila o mi sono perso qualcosa? ;-)

EDIT
Il cablaggio 3/4 fili non è riferito al relè ma alla tipologia dell'impianto.

è facile "confondere" le due cose se immaginiamo il classico relè meccanico bistabile con bobina e contatto separati dove con un ponte possiamo modificare il cablaggio da 3 a 4 fili.
...e come diceva sempre mio nonno: "Nessuno nasce imparato"
Avatar utente
Foto UtenteZG84
1.710 3 8 12
Expert EY
Expert EY
 
Messaggi: 908
Iscritto il: 11 nov 2013, 17:06

0
voti

[27] Re: Schema collegamento timer luci scale

Messaggioda Foto Utenteantennae » 1 ott 2014, 0:15

grazie a tutti e due :ok:

bho domani vediamo per il momento ho capito che l'unico modo per salvare la vita del povero timer è una soluzione del genere

Avatar utente
Foto Utenteantennae
38 3
New entry
New entry
 
Messaggi: 78
Iscritto il: 18 ago 2008, 13:40

2
voti

[28] Re: Schema collegamento timer luci scale

Messaggioda Foto UtenteZG84 » 1 ott 2014, 21:57

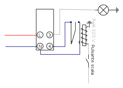
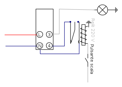
Da quello che si è capito tu hai questa situazione


Tu devi portare il conduttore di neutro fino al nuovo relè luci scale.

è facile "confondere" le due cose se immaginiamo il classico relè meccanico bistabile con bobina e contatto separati dove con un ponte possiamo modificare il cablaggio da 3 a 4 fili.


Mi riferivo al fatto che nel cablaggio da tre a quattro fili dell'impianto con relè sopracitato hai visivamente il relè che passa da 4 a 3 fili.

...e come diceva sempre mio nonno: "Nessuno nasce imparato"
Avatar utente
Foto UtenteZG84
1.710 3 8 12
Expert EY
Expert EY
 
Messaggi: 908
Iscritto il: 11 nov 2013, 17:06

1
voti

[29] Re: Schema collegamento timer luci scale

Messaggioda Foto Utentemir » 1 ott 2014, 22:08

ZG84 ha scritto:Tu devi portare il conduttore di neutro fino al nuovo relè luci scale.

infatti sembra di capire da quanto esposto da antennae, egli abbia disponibile il conduttore di fase, il conduttore verso le lampade e quello di ritorno dei pulsanti, ma gli manca il conduttore di neutro; vedremo se dopo aver verificato ci aggiornerà la situazione. ;-)
Avatar utente
Foto Utentemir
66,0k 9 12 13
G.Master EY
G.Master EY
 
Messaggi: 21870
Iscritto il: 19 ago 2004, 21:10

Precedente

Torna a Elettronica generale

Chi c’è in linea

Visitano il forum: Google [Bot] e 197 ospiti