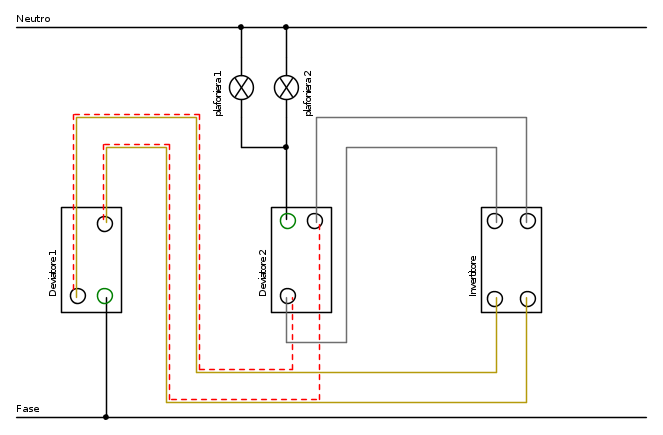
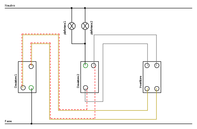
, ora.... in casa stanno accantonando l'idea del sistema crepuscolare-presenza anche perché ho il vicino di casa che appunto entra dove entra la mia famiglia che ha chiesto se poteva aggiungere un interruttore da casa sua per poter spegnere la luce quando entra in casa propria, ora io ho letto in rete che dovrebbe andare bene un invertitore, mi confermate questa cosa??riassumendo:
entrata in comune dall'esterno dove in testa c'è il punto luce 1(lo chiamo cosi io) e li c'è il deviatore 1
poi si passa per circa 10/12 metri e li all'altro ingresso,cioè dove c'è la porta di casa mia c'è il punto luce due con all'interno il deviatore 2, il vicino si trova a circa 2/3 metri dal mio ingresso di lato e vorrebbe mettersi dentro casa un interruttore da collegare al punto luce 1 cosi da poter accende il punto luce 1 quando è buio e spegnerlo da casa propria.
Spero di aver spiegato bene, ma ora mi sorge un dubbio... se ho letto bene e il vicino deve utilizzare l'invertitore... deve collegare ad esso entrambi i deviatori 1 e 2?

Elettrotecnica e non solo (admin)
Un gatto tra gli elettroni (IsidoroKZ)
Esperienza e simulazioni (g.schgor)
Moleskine di un idraulico (RenzoDF)
Il Blog di ElectroYou (webmaster)
Idee microcontrollate (TardoFreak)
PICcoli grandi PICMicro (Paolino)
Il blog elettrico di carloc (carloc)
DirtEYblooog (dirtydeeds)
Di tutto... un po' (jordan20)
AK47 (lillo)
Esperienze elettroniche (marco438)
Telecomunicazioni musicali (clavicordo)
Automazione ed Elettronica (gustavo)
Direttive per la sicurezza (ErnestoCappelletti)
EYnfo dall'Alaska (mir)
Apriamo il quadro! (attilio)
H7-25 (asdf)
Passione Elettrica (massimob)
Elettroni a spasso (guidob)
Bloguerra (guerra)






