Cos'è ElectroYou | Login Iscriviti

ElectroYou - la comunità dei professionisti del mondo elettrico

Test batterie

Elettronica lineare e digitale: didattica ed applicazioni

Moderatori: Foto Utentecarloc, Foto Utenteg.schgor, Foto UtenteBrunoValente, Foto UtenteIsidoroKZ

0
voti

[1] Test batterie

Messaggioda Foto Utentetemuccio » 4 ott 2014, 18:37

Salve,
ho la necessità di costruite in tester per le batterie al piombo/gel.
In particolare lavoro con batterie che vanno da 2Ah a massimo 24Ah.
Stavo pensando di fare un scatolotto con un selettore che scarichi le batterie fino ad un minimo di 10V (dai datasheet sconsigliano di scendere sotto questa tensione) su un carico che procuri una corrente di scarica di circa 5 volte la capacità delle batterie.
In commercio ho trovato dei power meter che misurano tensione, corrente e potenza. Come faccio però a creare dei carichi capaci di creare una corrente massima di 50A (il power meter non supporta correnti maggiori)
Grazie
Avatar utente
Foto Utentetemuccio
0 2
 
Messaggi: 17
Iscritto il: 7 gen 2010, 17:24

0
voti

[2] Re: Test batterie

Messaggioda Foto UtenteFedericoSibona » 4 ott 2014, 18:55

Salvo batterie per impieghi particolari è vivamente sconsigliato applicare alle batterie piombo-gel dei carichi che assorbano correnti superiori ad 1C (dove C è la capacità della batteria).
Un sistema per testare tali batterie potrebbe essere:
- verificare la tensione ai morsetti dopo una carica. Tale tensione dovrà essere intorno ai 13V. Questo per verificare che non ci siano elementi in corto circuito.
- applicare un carico di 0,5C e verificare che la tensione non si abbassi eccessivamente. Questo per verificare che la batteria non sia solfatata o comunque giunta a fine vita.
Per tali prove sarebbe bene avere una batteria sicuramente in buone condizione ed effettuare prove comparative.
Avatar utente
Foto UtenteFedericoSibona
5.022 3 5 8
Master
Master
 
Messaggi: 3951
Iscritto il: 19 mar 2013, 11:43

0
voti

[3] Re: Test batterie

Messaggioda Foto Utentetemuccio » 4 ott 2014, 22:29

Forse ho sbagliato a leggere sul datasheet 5C confondendo con 0.5C.
In ogni modo sono comunque correnti importanti, che carico potrei inserire? Un carico puramente resistivo credo sia un problema perché la residenza in gioco è bassa ma la potenza che dovrebbe dissipare è alta...
Avatar utente
Foto Utentetemuccio
0 2
 
Messaggi: 17
Iscritto il: 7 gen 2010, 17:24

0
voti

[4] Re: Test batterie

Messaggioda Foto UtenteGuidoB » 6 ott 2014, 2:16

Io avevo visto che con un carico (in A) pari a 1/7 della capacità (in Ah), dopo 2 minuti le batterie avariate presentavano una tensione inferiore a 10,8 V (il 90% della tensione nominale di 12 V).
Vedi anche la seconda metà di questo intervento.

Comunque consiglierei di aumentare il carico a circa 1/4 C per abbreviare i tempi di prova, o addirittura a 1/2 C come suggerisce Foto UtenteFedericoSibona, visto che ancora non dovrebbe far danni.

Quanto al carico, delle resistenze sono una opzione sufficientemente buona. Però scaldano un bel po', specialmente se assorbi forti correnti. Per evitare di usare ventole di raffreddamento, vista la brevità della prova, potresti usare robuste resistenze a filo, e magari inserirle in un bagno d'olio (da motore) per aumentare la capacità termica del sistema.

Una alternativa economica alle resistenze potrebbero essere delle lampadine alogene da 12 V (tipo quelle delle auto). Vietato metterle in bagno d'olio o toccarle con le dita: la minima quantità di grasso sul vetro ne abbrevia la vita.
Però le lampadine, a freddo, hanno una resistenza molto bassa, intorno al 10% della resistenza a caldo, quando cioè sono completamente accese. Quando invecchiano la resistenza cambia un po'. Non sono proprio un carico ideale. E poi ogni tanto si bruciano e vanno sostituite. Insomma, non le userei su uno strumento professionale.

Per evitare di inserire un commutatore che debba portare alte correnti, io userei più ingressi, ognuno adatto a un tipo di batteria. Dipendendo dal circuito, bisognerà fare attenzione a non cortocircuitare gli ingressi non usati, oppure inserire diodi di protezione.

Potresti inserire per comodità:
1) un circuito comparatore, alimentato dalla stessa batteria in prova, che ti accenda un LED verde o rosso a seconda che il livello di tensione sia superiore o inferiore a una certa soglia (es. 10,8 V) (così non sei obbligato a tenere il tester collegato alla batteria e non devi ricordarti la tensione di soglia);
2) un circuito che faccia suonare un cicalino dopo un tempo fisso (es. un minuto) e nel caso in cui la tensione scenda anzitempo sotto la soglia (così non devi stare attento all'orologio e alla tensione durante lo svolgimento della prova).

Per fare scena, con pochi euro in più potresti aggiungere anche un volt-amperometro digitale a LED (si trovano anche su ebay, non mi sembrano però troppo precisi).
Big fan of ƎlectroYou!       Ausili per disabili e anziani su ƎlectroYou
Caratteri utili: À È É Ì Ò Ó Ù α β γ δ ε η θ λ μ π ρ σ τ φ ω Ω º ª ² ³ √ ∛ ∜ ₀ ₁ ₂ ₃ ₄ ₅ ₆ ∃ ∄ ∆ ∈ ∉ ± ∓ ∾ ≃ ≈ ≠ ≤ ≥
Avatar utente
Foto UtenteGuidoB
17,8k 7 12 13
G.Master EY
G.Master EY
 
Messaggi: 2809
Iscritto il: 3 mar 2011, 16:48
Località: Madrid

0
voti

[5] Re: Test batterie

Messaggioda Foto Utenterichiurci » 6 ott 2014, 9:26

ciao,

io me lo sono costruito tempo fa per celel al Litio, per ora metto il link a altro forum:
http://www.energeticambiente.it/pile-e- ... zione.html

Oltre che l'intensità di scarica, che comunque dipende dal tipo di batterie al Pb (gel, AGM, da avviamento cioè ad acido libero ecc) la solfatazione viene innescata anche (forse soprattutto, ma non ne sono sicuro) dalle scariche profonde.
Avatar utente
Foto Utenterichiurci
32,6k 7 11 13
G.Master EY
G.Master EY
 
Messaggi: 8800
Iscritto il: 2 apr 2013, 16:08

0
voti

[6] Re: Test batterie

Messaggioda Foto UtenteFedericoSibona » 6 ott 2014, 10:48

Prima ho dimenticato una cosa.
Attenzione che mettere sotto carica batterie con uno o più elementi in corto può essere pericoloso (surriscaldamento e, al limite esplosione), specie se il caricabatteria non è un po' sofisticato.
È da tenere sotto controllo la temperatura batteria!
Avatar utente
Foto UtenteFedericoSibona
5.022 3 5 8
Master
Master
 
Messaggi: 3951
Iscritto il: 19 mar 2013, 11:43

1
voti

[7] Re: Test batterie

Messaggioda Foto Utenterichiurci » 6 ott 2014, 13:12

riguardo le modalità del test, se come credo l'intento è misurare la capacità effettiva (Ah) delle batterie, non è possibile utilizzare carichi generici come delle lampadin, a meno di monitorare accuratamente la corrente di scarica.

Precisato che ovviamente qualunque sia il metodo usato l'energia accumulata viene convertita in calore, io avevo usato tanti rami parallelo di regolatori di corrente (soliti LM) + resistenze corazzate in serie.

Con un opportuno dimensionamento si ripartisce il calore su tutti gli elementi, e si ottiene anche "gratis" uno stop in caso di sovratemperatura.

Il circuito è opportuno che preveda una tensione di stop scarica, che di solito è fornita nei data sheet e dipende dalla corrente di scarica, e voltmetro e amperometro permettono di monitorare anche visivamente l'andamento della scarica
Avatar utente
Foto Utenterichiurci
32,6k 7 11 13
G.Master EY
G.Master EY
 
Messaggi: 8800
Iscritto il: 2 apr 2013, 16:08

1
voti

[8] Re: Test batterie

Messaggioda Foto UtenteTITAN » 6 ott 2014, 14:17

valuta l'uso di transistor usati come carico variabile. io ne ho costruito uno da 500 W con 6 2n3055 di recupero pilotati da un darlington in to3 e con un potenziometro regolo la corrente assorbita da zero fino a 20 A max . non ho montato circuiti di controllo x l'interruzione del circuito x cui mi tocca monitorare costantemente il tutto. è molto meglio delle lampade che come ti hanno detto danno problemi di bassa resistenza a freddo ed inoltre ti costringono a lavorare a (gradini) senza avere una corrente regolabile in continuità. credo che se cerchi in rete troverai quanto ti ho scritto. e se vuoi fare qualcosa di veramente figo dovresti aggiungere un comparatore dove tarare la min. V di batteria e rendere il tutto automatico.se aggiungi un conta tempo conoscendo la corrente impostata avrai una buona misura della capacità.
Avatar utente
Foto UtenteTITAN
1.041 2 4 5
Sostenitore
Sostenitore
 
Messaggi: 1463
Iscritto il: 31 dic 2012, 20:22

1
voti

[9] Re: Test batterie

Messaggioda Foto Utenterichiurci » 6 ott 2014, 16:30

Bravo Titan, avevo dimenticato di dire che anche io avevo messo un semplice timer per non dover star li a controllare il fine carica, o implementare un circuito di misura complesso.

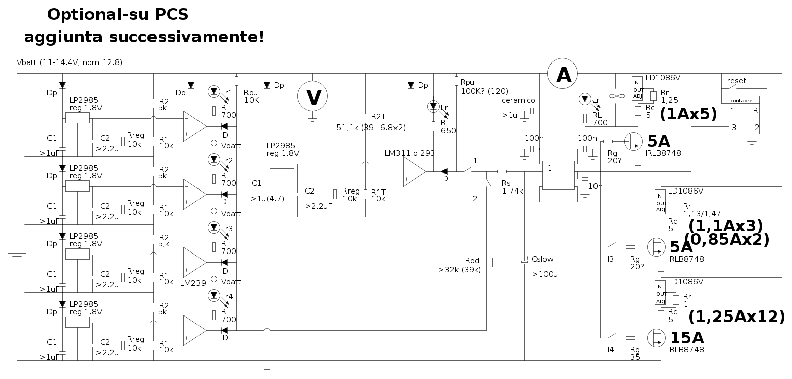
Ho ritrovato lo schema del mio "scariccatore", eccolo qui:


Prima o poi ci scrivero un 3d o un semplice articolo. Comunque da sinistra:
- 4 circuiti di soglia perché avevo ipotizzato inizialmente di monitorare e testare contemporaneamente una intera batteria litio da 12V (4 celle in serie)
- 1 circuito di soglia per batteria litio 12V (valori eventualmente da rivedere per il Pb
-driver
- 1 mosfet che pilota 5 rami da 1A (scarica minima 5A) e l'accensione di ventola e contaore
- altri 2 mosfet che pilotano ulteriori 5 e 15A inseribili per ottenere scariche a 5, 10, 20 o 25A.

Con questo marchingegno ci ho testato accuratamente le mie preziose batterie LiFeYPO4!
Avatar utente
Foto Utenterichiurci
32,6k 7 11 13
G.Master EY
G.Master EY
 
Messaggi: 8800
Iscritto il: 2 apr 2013, 16:08


Torna a Elettronica generale

Chi c’è in linea

Visitano il forum: Nessuno e 42 ospiti