Vediamo se ho capito bene, in pratica io ho un clock (ormai il famoso 555), che emette un segnale ad una certa frequenza, questo entrando nel contatore (che per restare in tema del mio progetto dovrebbe essere il 4017, secondo il progetto trovato sul forum), viene suddiviso in più segnali con frequenze più piccole che ho a disposizione a mio piacimento, quindi ad esempio se io ho la necessità di avere un lampeggio di 2" on e 2" off teoricamente, se non usassi un contatore, dovrei usare un clock che mi dia un segnale da 4Hz ed uno che mi dia un segnale da 0.25Hz (prendo i dati che hai inserito tu), mentre con il contatore ho entrambe le frequenze con un solo clock, o ancora meglio, se ho capito bene, entrando nel contatore 4Hz avrò alla sua uscita massimo 2Hz, quindi dovrei prendere il segnale da 4Hz direttamente dal clock e quello da 0.25Hz dal contatore.
Alla fine un contatore è solo un "duplicatore" di clock, in concreto lui non fa nulla, si limita solo a contare i cicli dei clock ed a dividerli in più segnali con frequenze minori.
Ho capito bene?
Una domanda completamente estranea alla discussione, ma inerente al mio progetto, conosci un sito in cui possa comprare led da 1,8 mm ad alta luminosità o led micro sempre ad alta luminosità, oltre a fibra ottica in pmma che poi è quella che si usa nei presepi ad esempio per fare i cieli stellati.
Barra lampeggiante polizia e ambulanza a LED
Moderatori:
carloc,
g.schgor,
BrunoValente,
IsidoroKZ
0
voti
Per le fibre ottiche vedi per esempio qui. Hanno anche LED, ma credo che il diametro minimo che hanno sia 3 mm.
Per il circuito, credo che potresti utilizzare (al posto del 555 + contatore + porte a diodi) un 4060 (è un oscillatore seguito da una catena di divisori per 2) + un 4001 (4 porte NOR a 2 ingressi) per ottenere i due flash blu e i due lampeggianti arancioni. Servono anche 4 transistor per amplificare la corrente di pilotaggio dei LED.
Se più avanti ho tempo (e ti interessa), ti disegno il circuito.
Che tensione di alimentazione pensi di usare?
Per il circuito, credo che potresti utilizzare (al posto del 555 + contatore + porte a diodi) un 4060 (è un oscillatore seguito da una catena di divisori per 2) + un 4001 (4 porte NOR a 2 ingressi) per ottenere i due flash blu e i due lampeggianti arancioni. Servono anche 4 transistor per amplificare la corrente di pilotaggio dei LED.
Se più avanti ho tempo (e ti interessa), ti disegno il circuito.
Che tensione di alimentazione pensi di usare?
Big fan of ⋮ƎlectroYou! Ausili per disabili e anziani su ⋮ƎlectroYou
Caratteri utili: À È É Ì Ò Ó Ù α β γ δ ε η θ λ μ π ρ σ τ φ ω Ω º ª ² ³ √ ∛ ∜ ₀ ₁ ₂ ₃ ₄ ₅ ₆ ∃ ∄ ∆ ∈ ∉ ± ∓ ∾ ≃ ≈ ≠ ≤ ≥
Caratteri utili: À È É Ì Ò Ó Ù α β γ δ ε η θ λ μ π ρ σ τ φ ω Ω º ª ² ³ √ ∛ ∜ ₀ ₁ ₂ ₃ ₄ ₅ ₆ ∃ ∄ ∆ ∈ ∉ ± ∓ ∾ ≃ ≈ ≠ ≤ ≥
0
voti
Macelettronic ha scritto:Vediamo se ho capito bene..
Si ok, hai capito tutto
In pratica hai tanti clock multipli, e sincronizzati tra loro.
Questo ti permette con un po' di logica AND/OR di ottenere quello che vuoi
Macelettronic ha scritto:dovrebbe essere il 4017
Ehm, qui ti correggo: ti ho segnalato il 4020, che è un puro contatore binario
Invece il 4017 è un contatore di decadi, non riduce il clock, ma lo ritarda per cui te lo ritrovi traslato sui vari piedini di uscita. Per altri contensti (tipo semaforo) è molto utile, ecco qui un breve tutorial (vedi la seconda figura)
http://www.electroyou.it/g.schgor/wiki/articolo30
Anche questo approccio puo' essere in effetti un altro comodo ed economico modo per azionare il lampeggio su diversi gruppi di LED, ma hai al massimo 10 intervalli temporali (ovviamente ti serve il clock a monte, e nuovamente gruppi AND/OR a valle del contatore, a cui fai arrivare anche il clock base)
Guardati bene l'articolo precedente, in pratica ha molti punti in comune all'approccio che ti ho segnalato
0
voti
Se non ti scoccia un disegno di un circuito non mi dispiacerebbe,
Per i siti che mi hai indicato, più tardi guardo anche quelli, devo farlo con calma e per adesso non ho tempo, grazie per avermeli indicati.
-

Macelettronic
55 2 6 - Frequentatore

- Messaggi: 212
- Iscritto il: 1 feb 2012, 11:08
1
voti
Ho disegnato questo schema, che fa uso di due integrati CMOS (4001 e 4060):
I LED gialli lampeggiano alternativamente, così come anche i blu, sincronizzati con i gialli.
I lampeggianti blu emettono 4 brevi lampi ciascuno (effetto stroboscopico) per ogni ciclo di accensione.
Visto che il 4060 genera "gratis" altre temporizzazioni che per ora non usiamo, si potrebbero sfruttare per variare ciclicamente il tipo di lampeggio.
Per esempio, i led blu potrebbero restare accesi fissi mentre i gialli lampeggiano alternativamente, oppure i blu potrebbero lampeggiare come i gialli (senza effetto strobo), oppure restare spenti mentre lampeggiano solo i gialli, ecc.
Se ti interessa, si tratterebbe di aggiungere un po' di resistenze e 2 transistor al circuito.
Fammi sapere.
I LED gialli lampeggiano alternativamente, così come anche i blu, sincronizzati con i gialli.
I lampeggianti blu emettono 4 brevi lampi ciascuno (effetto stroboscopico) per ogni ciclo di accensione.
Visto che il 4060 genera "gratis" altre temporizzazioni che per ora non usiamo, si potrebbero sfruttare per variare ciclicamente il tipo di lampeggio.
Per esempio, i led blu potrebbero restare accesi fissi mentre i gialli lampeggiano alternativamente, oppure i blu potrebbero lampeggiare come i gialli (senza effetto strobo), oppure restare spenti mentre lampeggiano solo i gialli, ecc.
Se ti interessa, si tratterebbe di aggiungere un po' di resistenze e 2 transistor al circuito.
Fammi sapere.
Big fan of ⋮ƎlectroYou! Ausili per disabili e anziani su ⋮ƎlectroYou
Caratteri utili: À È É Ì Ò Ó Ù α β γ δ ε η θ λ μ π ρ σ τ φ ω Ω º ª ² ³ √ ∛ ∜ ₀ ₁ ₂ ₃ ₄ ₅ ₆ ∃ ∄ ∆ ∈ ∉ ± ∓ ∾ ≃ ≈ ≠ ≤ ≥
Caratteri utili: À È É Ì Ò Ó Ù α β γ δ ε η θ λ μ π ρ σ τ φ ω Ω º ª ² ³ √ ∛ ∜ ₀ ₁ ₂ ₃ ₄ ₅ ₆ ∃ ∄ ∆ ∈ ∉ ± ∓ ∾ ≃ ≈ ≠ ≤ ≥
1
voti
Russell ha scritto:Correggo il post precedente segnalando che le porte AND non possono essere implementate con dei diodi come ho illustrato.
Così però dovrebbe andare (a parte problemi di carico di corrente nel caso che il Led debba fare tanta luce)
0
voti
Unica cosa che l'esploso del cd4001b, non mi fa capire quali piedini usi
scusa ma sto iniziando a scoprire questi componenti adesso, prima mi limitavo a batteria resistenza led interruttore, tutto il resto era sconosciuto.
Per le auto delle forze dell'ordine mi piacerebbe però che i led gialli e blu fossero indipendenti fra di loro, mi piacerebbe avere per i lampeggianti blu:
Funzione da crociera cioè blu fisso (anche se non capisco il loro utilizzo)
Funzione emergenza, cioè il lampeggio.
Le luci gialle le utilizzano solo in caso di incidente come segnalazione visiva, ed anche questi sono con funzione fissa o lampeggio.
Mi piacerebbe quindi poter avere queste 4 funzioni, si lo so chiedo troppo scusa
Un ultima curiosità ma i due diodi a cosa servono?
l'unica funzione a cui possa pensare io dei diodi in questo caso è come raddrizzatore, ma lavorando a corrente continua, credo che non fungano da raddrizzatore giusto?
un'ultima cosa sapete come si chiamano in italiano questi led? E dove comprarli?
Li ho trovati solo in germania, ma vista la grandezza li potrei utilizzare meglio dei led da 1.8 mm
http://www.ebay.it/itm/10x-ULTRA-MICRO-LED-0401-ROT-Cu-Draht-extremely-tiny-red-LED-0-3x1-mm-wire-/371159362584?pt=DE_Modellbau_Modelleisenbahnen&hash=item566ad26c18
-

Macelettronic
55 2 6 - Frequentatore

- Messaggi: 212
- Iscritto il: 1 feb 2012, 11:08
0
voti
Macelettronic ha scritto:Unica cosa che l'esploso del cd4001b, non mi fa capire quali piedini usi
scusa ma sto iniziando a scoprire questi componenti adesso, prima mi limitavo a batteria resistenza LED interruttore, tutto il resto era sconosciuto.![]()
Beh, il CD4001 contiene 4 porte NOR del tutto equivalenti ed è indifferente usare l'una o l'altra. Inoltre i due ingressi di ogni porta sono anch'essi equivalenti e si possono scambiare. Quindi nello schema preferisco non mettere vincoli.
Gli effettivi piedini da collegare potrai deciderli in funzione di come ti è più comodo realizzare il layout del circuito stampato o il cablaggio su millefori.
Per conoscere la piedinatura del CD4001 basta guardare il suo datasheet.
Te la riporto comunque anche qui. L'integrato è visto dall'alto, cioè dal lato delle scritte. Il piedino 1 è indicato da un piccolo incavo circolare sull'involucro. Inoltre tra il piedino 1 e il 14 è presente una tacca semicircolare:
Macelettronic ha scritto:Per le auto delle forze dell'ordine mi piacerebbe però che i LED gialli e blu fossero indipendenti fra di loro, mi piacerebbe avere per i lampeggianti blu:
Funzione da crociera cioè blu fisso (anche se non capisco il loro utilizzo)
Funzione emergenza, cioè il lampeggio.
Le luci gialle le utilizzano solo in caso di incidente come segnalazione visiva, ed anche questi sono con funzione fissa o lampeggio.
Mi piacerebbe quindi poter avere queste 4 funzioni, si lo so chiedo troppo scusa![]()
Se li vuoi controllare in manuale (con interruttori che attivano e disattivano le varie funzioni) si può fare abbastanza facilmente.
Se invece vuoi che cambi ciclicamente e in modo automatico tra varie modalità, si può fare ma entro certi limiti. Prova a specificare chiaramente le varie fasi (es:
fase 1: tutto spento,
fase 2: blu lampeggianti con strobo,
fase 3: blu lampeggianti senza strobo,
fase 4: blu accesi fissi,
fase 5: blu lampeggianti con strobo e contemporaneamente gialli lampeggianti...
ecc.).
Sarà difficile rispettare l'ordine delle fasi, comunque qualcosa penso si possa fare. Le fasi potrebbero essere 8 e durare intorno a 18 secondi l'una.
Fammi sapere.
Big fan of ⋮ƎlectroYou! Ausili per disabili e anziani su ⋮ƎlectroYou
Caratteri utili: À È É Ì Ò Ó Ù α β γ δ ε η θ λ μ π ρ σ τ φ ω Ω º ª ² ³ √ ∛ ∜ ₀ ₁ ₂ ₃ ₄ ₅ ₆ ∃ ∄ ∆ ∈ ∉ ± ∓ ∾ ≃ ≈ ≠ ≤ ≥
Caratteri utili: À È É Ì Ò Ó Ù α β γ δ ε η θ λ μ π ρ σ τ φ ω Ω º ª ² ³ √ ∛ ∜ ₀ ₁ ₂ ₃ ₄ ₅ ₆ ∃ ∄ ∆ ∈ ∉ ± ∓ ∾ ≃ ≈ ≠ ≤ ≥
0
voti
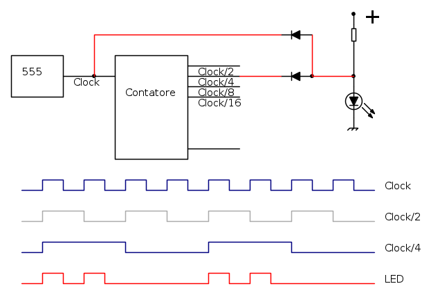
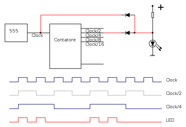
Macelettronic ha scritto:EcoTan sicuramente leggo male lo schema, ma non capisco il funzionamento
E' un modo per fare AND: il led accende se clock e clock/2 sono entrambi alti, altrimenti sta spento.
Mettendo un terzo diodo potremmo fare AND anche con clock/4.
Gli oscillogrammi disegnati sotto lo schema rappresentano un AND fra clock e clock/4 e li ho lasciati così.
Chi c’è in linea
Visitano il forum: Nessuno e 146 ospiti

Elettrotecnica e non solo (admin)
Un gatto tra gli elettroni (IsidoroKZ)
Esperienza e simulazioni (g.schgor)
Moleskine di un idraulico (RenzoDF)
Il Blog di ElectroYou (webmaster)
Idee microcontrollate (TardoFreak)
PICcoli grandi PICMicro (Paolino)
Il blog elettrico di carloc (carloc)
DirtEYblooog (dirtydeeds)
Di tutto... un po' (jordan20)
AK47 (lillo)
Esperienze elettroniche (marco438)
Telecomunicazioni musicali (clavicordo)
Automazione ed Elettronica (gustavo)
Direttive per la sicurezza (ErnestoCappelletti)
EYnfo dall'Alaska (mir)
Apriamo il quadro! (attilio)
H7-25 (asdf)
Passione Elettrica (massimob)
Elettroni a spasso (guidob)
Bloguerra (guerra)







