Ps: per vedere tutto il grafico occorre ingrandire l'immagine.
Dubbio su circuito con amp. operazionali
Moderatori:
carloc,
g.schgor,
BrunoValente,
IsidoroKZ
29 messaggi
• Pagina 1 di 3 • 1, 2, 3
0
voti
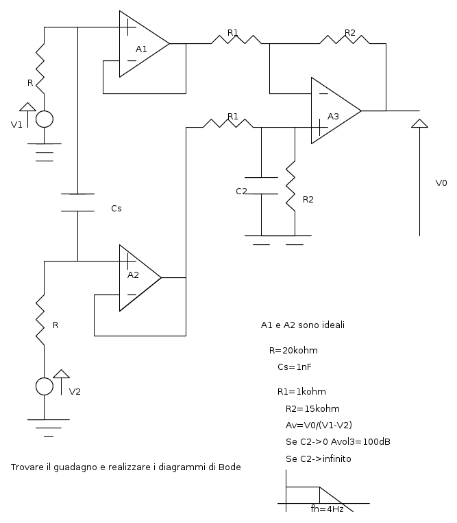
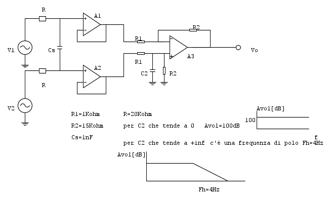
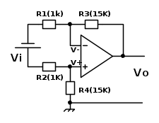
Buonasera a tutti volevo chiedere un chiarimento sul circuito di cui sotto ho rappresentato lo schema con fidocad. In particolare volevo sapere se il diagramma di bode calcolato potrebbe essere corretto. Ringrazio tutti in anticipo per l'aiuto.
Ps: per vedere tutto il grafico occorre ingrandire l'immagine.
Ps: per vedere tutto il grafico occorre ingrandire l'immagine.
-

Electron86
8 3 - Messaggi: 24
- Iscritto il: 29 giu 2012, 21:28
3
voti
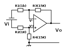
Mi permetto solo un appunto. FidoCadJ contiene i simboli degli amplificatori operazionali ed anche i resistori, nella versione "a zigzag". Si va più veloce. Ridisegno un pezzo del circuito:
Follow me on Mastodon: @davbucci@mastodon.sdf.org
-

DarwinNE
31,0k 7 11 13 - G.Master EY

- Messaggi: 4420
- Iscritto il: 18 apr 2010, 9:32
- Località: Grenoble - France
0
voti
Electron86 ha scritto:In particolare volevo sapere se il diagramma di bode calcolato potrebbe essere corretto.
Ciao,
per rispondere alla tua domanda dovresti riportarmi il guadagno che hai calcolato.
Il circuito contiene due condensatori, C2 non è specificato. Servirebbe conoscerlo per sapere se i poli sono sufficientemente distanti per fare opportune ipotesi semplificative.
Se non lo sono non ti resta che analizzare in toto la funzione risultante.
Per fare ciò ti consiglio la sovrapposizione degli effetti su V1 e V2.
Inoltre considera che ci sono due ingressi, ci saranno quindi due diagrammi di Bode, a meno di non legarli tra loro con delle operazioni algebriche (per esempio mi sembra che in basso tu abbia riportato il guadagno dato dalla differenza tra V1 e V2), cosa possibile se si tratta di amplificatore differenziale.
Ma prima di analizzare questi problemi (osserva C2) mi piacerebbe che tu riportassi in dettaglio le operazioni svolte, commentate e scritte il
in modo da capire meglio i termini del problema e quello di cui hai bisogno.Ciao,
Pietro.
-

PietroBaima
90,7k 7 12 13 - G.Master EY

- Messaggi: 12207
- Iscritto il: 12 ago 2012, 1:20
- Località: Londra
0
voti
Grazie a tutti riporterò al più presto i calcoli fatti
-

Electron86
8 3 - Messaggi: 24
- Iscritto il: 29 giu 2012, 21:28
4
voti
Vedo che i calcoli non arrivano e se i risultati sono quelli
riportati nel disegno del post[1], si può già dire che sono sbagliati.
Suggerirei di iniziare considerando solo la configurazione dell'amplificatore finale, calcolando il guadagno G=Vo/Vi con un segnale Vi in continua.
Puoi farlo?
riportati nel disegno del post[1], si può già dire che sono sbagliati.
Suggerirei di iniziare considerando solo la configurazione dell'amplificatore finale, calcolando il guadagno G=Vo/Vi con un segnale Vi in continua.
Puoi farlo?
4
voti
2
voti
eh, caro
g.schgor, purtroppo io credo che la frase:
vada letta come:
Spero di sbagliarmi.
Ciao,
Pietro.
Electron86 ha scritto:Grazie a tutti riporterò al più presto i calcoli fatti
vada letta come:
Electron86 ha scritto:Grazie a tutti, ma io cercavo qualcuno che risolvesse il problema per me senza dovermi impegnare affatto. Addio.
Spero di sbagliarmi.
Ciao,
Pietro.
-

PietroBaima
90,7k 7 12 13 - G.Master EY

- Messaggi: 12207
- Iscritto il: 12 ago 2012, 1:20
- Località: Londra
1
voti
Inizio col chiedere scusa se per molto tempo non ho più risposto alla domanda ma, ahimè! A questo mondo esistono anche i problemi. Naturalmente non voglio che nessuno mi risolva l'esericizio. Dunque posto i calcoli fatti da me in latex con uno schema di traccia faccia meglio.
Le considerazione da me fatte sono le seguenti spero siano giuste...gli amplificatori 1 e 2 sono ideali e a guadagno unitario perciò sulle relative uscite si ritroverà v1 e v2. Il terzo amplificatore è di tipo differenziale Av= V0/(V2-V1).

Le considerazione da me fatte sono le seguenti spero siano giuste...gli amplificatori 1 e 2 sono ideali e a guadagno unitario perciò sulle relative uscite si ritroverà v1 e v2. Il terzo amplificatore è di tipo differenziale Av= V0/(V2-V1).

-

Electron86
8 3 - Messaggi: 24
- Iscritto il: 29 giu 2012, 21:28
1
voti
QUesto e` solo il guadagno in continua.
Sul secondo stadio c'e` solo il condensatore C2 o ce n'e` un altro uguale in parallelo a R2?
Sul secondo stadio c'e` solo il condensatore C2 o ce n'e` un altro uguale in parallelo a R2?
Per usare proficuamente un simulatore, bisogna sapere molta più elettronica di lui
Plug it in - it works better!
Il 555 sta all'elettronica come Arduino all'informatica! (entrambi loro malgrado)
Se volete risposte rispondete a tutte le mie domande
Plug it in - it works better!
Il 555 sta all'elettronica come Arduino all'informatica! (entrambi loro malgrado)
Se volete risposte rispondete a tutte le mie domande
29 messaggi
• Pagina 1 di 3 • 1, 2, 3
Chi c’è in linea
Visitano il forum: Nessuno e 335 ospiti

Elettrotecnica e non solo (admin)
Un gatto tra gli elettroni (IsidoroKZ)
Esperienza e simulazioni (g.schgor)
Moleskine di un idraulico (RenzoDF)
Il Blog di ElectroYou (webmaster)
Idee microcontrollate (TardoFreak)
PICcoli grandi PICMicro (Paolino)
Il blog elettrico di carloc (carloc)
DirtEYblooog (dirtydeeds)
Di tutto... un po' (jordan20)
AK47 (lillo)
Esperienze elettroniche (marco438)
Telecomunicazioni musicali (clavicordo)
Automazione ed Elettronica (gustavo)
Direttive per la sicurezza (ErnestoCappelletti)
EYnfo dall'Alaska (mir)
Apriamo il quadro! (attilio)
H7-25 (asdf)
Passione Elettrica (massimob)
Elettroni a spasso (guidob)
Bloguerra (guerra)


pigreco]=π

