Invertire la logica di un segnale - Automotive
Moderatori:
carloc,
g.schgor,
BrunoValente,
IsidoroKZ
20 messaggi
• Pagina 2 di 2 • 1, 2
0
voti
sulla breadboar per il reset uso un filo a - tanto e come avere un pulsante normalmente aperto. si voglio usare il segnalatorecome dici tu , al relè ci ho pensato, il problema è lo spazio, ne esistono di piccolissimi
0
voti
in teoria puoi anche usare un transisor, in cofigurazione 'porta not'.
Poi il segnale 0-12V andra' riportato con un partitore a valori 0-3V
Non so' quanto spazio risparmi: serviranno comunque circa 4 resistenze e il trasistor
Poi il segnale 0-12V andra' riportato con un partitore a valori 0-3V
Non so' quanto spazio risparmi: serviranno comunque circa 4 resistenze e il trasistor
0
voti
allora optero' per il relè se non c'è altra soluzione


0
voti
Beh sicuramente occupa meno spazio un BJT TO-92 (p.e. un classico 2N3904) che un relé..
Però non capisco quando
Russell scrive:
No ?
Però non capisco quando
Russell ha scritto:Poi il segnale 0-12V andra' riportato con un partitore a valori 0-3V
No ?
0
voti
simo85 ha scritto:Però non capisco quando Russell scrive...
Si scusa,ignora quella frase del partitore, pensavo di usare il BJT sempre a 12V, e quindi di dover riadattare la tensione a range inferiori con il partitore per far lavorare bene il microcontrollore.
In effetti si puo' alimentare tutto a 5V tranquillamente e si fa' anche prima.
Andavo di fretta, ho gisto buttato li' l'idea, se avessi fatto con calma lo schema mi sarei corretto da solo.... pero' grazie.
0
voti
scusate la mia ignoranza. ho visto lo schema ma non rimane sempre positivo
0
voti
no,
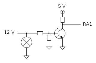
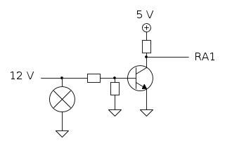
quando la spia non si accende significa che non arrivano 12V a quel terminale (controlla) ... diciamo nell'ultimo disegno manca l'interruttore che ti avevo messo io prima in un altro schema, quindi la base del trasistor va a massa tramite la resistenza ... segue che il transistor va in OFF e RA1 va ALTO
Altrimenti hai corrente nella base, il transistor è ON, e RA1 è BASSO.
ok?
Edit, in toria vedo che puoi anhce evitare di montare la resistenza che dalla base del transistor va a massa. Infatti in pratica hai gia' la spia che è una resistenza verso massa, e si occupera' lei di mandare in OFF il transistor.
quando la spia non si accende significa che non arrivano 12V a quel terminale (controlla) ... diciamo nell'ultimo disegno manca l'interruttore che ti avevo messo io prima in un altro schema, quindi la base del trasistor va a massa tramite la resistenza ... segue che il transistor va in OFF e RA1 va ALTO
Altrimenti hai corrente nella base, il transistor è ON, e RA1 è BASSO.
ok?
Edit, in toria vedo che puoi anhce evitare di montare la resistenza che dalla base del transistor va a massa. Infatti in pratica hai gia' la spia che è una resistenza verso massa, e si occupera' lei di mandare in OFF il transistor.
0
voti
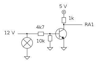
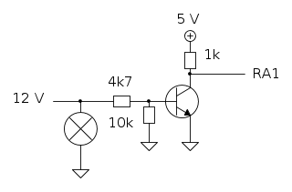
vediamo il transistor npn puo' andare bene il bc 337 ? che lo ho gia' disponibile . e per le resistenze di che valori parliamo ho disponibili 1k 10k 4.7k
0
voti
steorai ha scritto:e per le resistenze di che valori parliamo ho disponibili 1k 10k 4.7k
1
voti
ooooooooooooook ragazzi ho provato e funziona grazie a tutti per il vostro aiuto
io mi arrampicavo

io mi arrampicavo 
20 messaggi
• Pagina 2 di 2 • 1, 2
Chi c’è in linea
Visitano il forum: Nessuno e 95 ospiti

Elettrotecnica e non solo (admin)
Un gatto tra gli elettroni (IsidoroKZ)
Esperienza e simulazioni (g.schgor)
Moleskine di un idraulico (RenzoDF)
Il Blog di ElectroYou (webmaster)
Idee microcontrollate (TardoFreak)
PICcoli grandi PICMicro (Paolino)
Il blog elettrico di carloc (carloc)
DirtEYblooog (dirtydeeds)
Di tutto... un po' (jordan20)
AK47 (lillo)
Esperienze elettroniche (marco438)
Telecomunicazioni musicali (clavicordo)
Automazione ed Elettronica (gustavo)
Direttive per la sicurezza (ErnestoCappelletti)
EYnfo dall'Alaska (mir)
Apriamo il quadro! (attilio)
H7-25 (asdf)
Passione Elettrica (massimob)
Elettroni a spasso (guidob)
Bloguerra (guerra)





