Ciao a tutti,
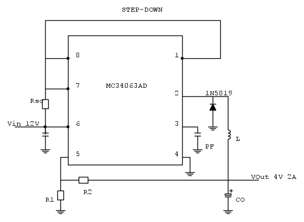
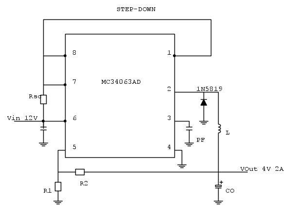
Nel progetto che sto realizzando uso, come stadio di alimentazione, un regolatore switching in configuarazione step down; piu precisamente
il MC33063 A della Texas Instruments.
Quest'ultimo fornisce circa 4Vdc che alimentato un PIC e un modulo gsm sim900.
Di seguito riporto lo schema del circuito di alimentazione con i suoi parametri:
Volevo chiedere se nella realizzazione del PCB devo prendere degli accorgimenti particolari per l'alimentatore switching visto le alte frequenze al quale lavora?
Sul datasheet non trovo niente in proposito.
Grazia per l'aiuto.
Marcello
Giusto layout PCB con switching
Moderatori:
carloc,
g.schgor,
BrunoValente,
IsidoroKZ
9 messaggi
• Pagina 1 di 1
0
voti
Ciao, anche io sto realizzando un progetto con un regolatore switching.
Ti consiglio di dare un'occhiata a questo datasheet. Non fa quello che serve a te, ma sono riportati all'interno un bel po' di consigli e considerazioni su come progetare il PCB in modo efficente.
Ti consiglio di dare un'occhiata a questo datasheet. Non fa quello che serve a te, ma sono riportati all'interno un bel po' di consigli e considerazioni su come progetare il PCB in modo efficente.
- Allegati
-
MAX686.pdf- Datasheet utile
- (198.93 KiB) Scaricato 273 volte
1
voti
Se lo realizzi abbastanza compatto, viste le correnti in gioco, dovrebbe essere assulutamente non critico. Ovvio che bisognerebbe sapere per bene anche cosa c'è dopo, ma credo non incontrerai problemi. Solo una cosa: presta un po' di attenzione ai ritorni di massa e alla connessione del partitore di prelievo.
-

EnChamade
6.498 2 8 12 - G.Master EY

- Messaggi: 588
- Iscritto il: 18 giu 2009, 12:00
- Località: Padova - Feltre
1
voti
Ciao, anche io sto realizzando un progetto con un regolatore switching.
Ti consiglio di dare un'occhiata a questo datasheet. Non fa quello che serve a te, ma sono riportati all'interno un bel po' di consigli e considerazioni su come progetare il PCB in modo efficente.
Grazie,sono molto utili i consigli nella parte finale del datasheets.
presta un po' di attenzione ai ritorni di massa e alla connessione del partitore di prelievo
Scusa la mia ignoranza ma cosa intendi per ritorni di massa?
Mentre per le connessioni del partitore di prelievo devo mantenerle il più vicino possibile al pin di feedback, giusto?
2A? Sicuro?
Non ho motla esperienza in questi tipi di alimentatori e forse 2 a sono un po troppi,
il datasheets mi riporta 1,5A; è corretto?
Grazie a tutti.
1
voti
Non ho molta esperienza con questi tipi di alimentatori e forse 2 A sono un po troppi,
il datasheets mi riporta 1.5 A; è corretto?
Esatto, il datasheet riporta 1.5A, ma questa non è la massima corrente continua disponibile all'uscita.
Quei 1.5A sono la corrente massima che il transistor interno riesce a gestire. Come si traduce questa corrente in massima corrente disponibile al carico? Bisogna studiare attentamente le forme d'onda in gioco.
Supponiamo di aver dimensionato gli elementi di filtro per far lavorare il convertitore nella zona limite CCM/DCM (se non sai di cosa stiamo parlando chiedi pure
Come vedi, tu avevi specificato un valore di corrente media di 2.00A, e il foglio di calcolo ti restituisce un picco di ben 4.00A! Largamente fuori dalla portata del nostro povero controller.
Per erogare una corrente media più elevata, possiamo lavorare in CCM, per esempio aumentando il valore dell'induttanza di filtro. In questo modo, possiamo spingerci fino a 1A e oltre; indubbiamente la corrente media di 1.5A all'uscita si può ottenere solo asintoticamente (ossia con un valore di induttanza infinito
Direi che prima di disegnare il PCB dobbiamo dedicare ancora un po' di tempo allo schema, nonché alla scelta dei componenti (attenzione, non parlo del valore, ma del componente in sé, la sigla specifica!).
Ad esempio, commutando a 100 kHz, io preferirei impiegare un condensatore ceramico all'uscita. Ma dobbiamo fare i conti con la ESR, troppo bassa può far danni!
Un'altra cosa: nel foglio di calcolo (non so come tu l'abbia generato), al di là della corrente esagerata hai specificato un ripple di ben 200 mV. Direi che siamo abbondantemente lontani dalla richiesta di un modulo GSM, ma anche di un microcontrollore qualsiasi. Io starei almeno un ordine di grandezza sotto!

Da dove vuoi cominciare?
Alberto.
0
voti
Iniziamo dal principio...
Non so cosa sono le zone di lavoro CCM e CCD.
Che calcolo devo fare per dimensionare correttamente l'induttanza di filtro per ottenere il massimo in termini di prestazione ma senza creare problemi?
Da neofita mi sono servito di un tool on linecreato per questo intergato:
http://dics.voicecontrol.ro/tutorials/mc34063/
E come al solito hai ragione...
Ho verificato sul datasheet del modulo GSM:
voltage ripple normal condition, power control level for Pout max
@f<200Khz 50mV
@f>200Khz 2mv
correggimi se sbaglio, ma i due valori di ripple indicati per valori di frequenza minori di 200Khz o maggiori di 200Khz si riferiscono alla frequenza di lavoro dello switching?
Se mi dai una mano sono disposto acreare un sezione di alimentazione decente per il mio progetto.
Grazie per l'aiuto
Marcello
Supponiamo di aver dimensionato gli elementi di filtro per far lavorare il convertitore nella zona limite CCM/DCM
Non so cosa sono le zone di lavoro CCM e CCD.
Per erogare una corrente media più elevata, possiamo lavorare in CCM, per esempio aumentando il valore dell'induttanza di filtro. In questo modo, possiamo spingerci fino a 1A e oltre
Che calcolo devo fare per dimensionare correttamente l'induttanza di filtro per ottenere il massimo in termini di prestazione ma senza creare problemi?
Un'altra cosa: nel foglio di calcolo (non so come tu l'abbia generato)
Da neofita mi sono servito di un tool on line
http://dics.voicecontrol.ro/tutorials/mc34063/
al di là della corrente esagerata hai specificato un ripple di ben 200 mV. Direi che siamo abbondantemente lontani dalla richiesta di un modulo GSM, ma anche di un microcontrollore qualsiasi. Io starei almeno un ordine di grandezza sotto!
E come al solito hai ragione...
Ho verificato sul datasheet del modulo GSM:
voltage ripple normal condition, power control level for Pout max
@f<200Khz 50mV
@f>200Khz 2mv
correggimi se sbaglio, ma i due valori di ripple indicati per valori di frequenza minori di 200Khz o maggiori di 200Khz si riferiscono alla frequenza di lavoro dello switching?
Se mi dai una mano sono disposto a
Grazie per l'aiuto
Marcello
9 messaggi
• Pagina 1 di 1
Chi c’è in linea
Visitano il forum: Nessuno e 157 ospiti

Elettrotecnica e non solo (admin)
Un gatto tra gli elettroni (IsidoroKZ)
Esperienza e simulazioni (g.schgor)
Moleskine di un idraulico (RenzoDF)
Il Blog di ElectroYou (webmaster)
Idee microcontrollate (TardoFreak)
PICcoli grandi PICMicro (Paolino)
Il blog elettrico di carloc (carloc)
DirtEYblooog (dirtydeeds)
Di tutto... un po' (jordan20)
AK47 (lillo)
Esperienze elettroniche (marco438)
Telecomunicazioni musicali (clavicordo)
Automazione ed Elettronica (gustavo)
Direttive per la sicurezza (ErnestoCappelletti)
EYnfo dall'Alaska (mir)
Apriamo il quadro! (attilio)
H7-25 (asdf)
Passione Elettrica (massimob)
Elettroni a spasso (guidob)
Bloguerra (guerra)



