Cos'è ElectroYou | Login Iscriviti

ElectroYou - la comunità dei professionisti del mondo elettrico

Barra lampeggiante polizia e ambulanza a LED

Elettronica lineare e digitale: didattica ed applicazioni

Moderatori: Foto Utentecarloc, Foto Utenteg.schgor, Foto UtenteBrunoValente, Foto UtenteIsidoroKZ

0
voti

[21] Re: Lampeggiatore polizia e ambulanza a LED

Messaggioda Foto UtenteRussell » 9 ott 2014, 10:03

Macelettronic ha scritto:non capisco il funzionamento


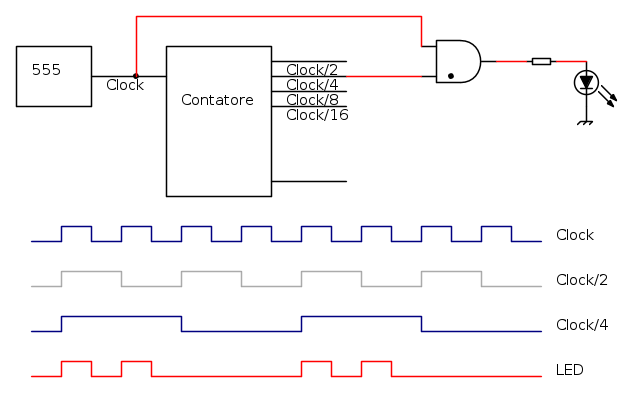
Si tratta di logica digitale, serve un po' di pratica, ma è facile.

Il clock (555), o clock/4 (contatore) è "alto" o "basso".

Quando sono "bassi" il diodo aggiunto va in conduzione perche' tramite la resistenza si va a "+". In tal caso ai capi del diodo è forzata una differenza di potenziale di circa 0.7V. Questi 0.7V quindi sono forzatamente applicati anche ai capi del LED, e in generale non sono sufficienti a farlo accendere (ne serviranno 2 o 3, a seconda del colore).

Quando sono "alti"(ovvero sono virtualmente a '+') il diodo è interdetto, quindi vedilo come un circuito aperto.

Quindi..

Se entrambi i clock sono "alti", togliendo i diodi dal circuito, rimane solo il LED in serie alla sua resistenza di limitazione, con la conseguenza che questo si accenderà.

Se uno, o entrambi i clock, sono "bassi" c'è almeno un diodo in conduzione che forza sul LED 0.7V, ovvero lo tiene spento.

In pratica hai implementato una AND.

Comunque se preferisci evitare questi ragionamenti metti tranquillamente un integrato che implementa la porta logica.

Avatar utente
Foto UtenteRussell
3.373 3 5 9
Master
Master
 
Messaggi: 2193
Iscritto il: 4 ott 2009, 10:25

1
voti

[22] Re: Lampeggiatore polizia e ambulanza a LED

Messaggioda Foto UtenteGuidoB » 10 ott 2014, 13:02

Macelettronic ha scritto:Per le auto delle forze dell'ordine mi piacerebbe però che i LED gialli e blu fossero indipendenti fra di loro, mi piacerebbe avere per i lampeggianti blu:
Funzione da crociera cioè blu fisso (anche se non capisco il loro utilizzo)
Funzione emergenza, cioè il lampeggio.
Le luci gialle le utilizzano solo in caso di incidente come segnalazione visiva, ed anche questi sono con funzione fissa o lampeggio.
Mi piacerebbe quindi poter avere queste 4 funzioni, si lo so chiedo troppo scusa :oops:

Così hai le quattro funzioni controllate manualmente con quattro interruttori:

Macelettronic ha scritto:pensavo di non usare batterie ma un trasformatore alimentatore di questi universali con regolazione massima fino a 12 V.

Questi alimentatori universali di solito non sono stabilizzati. Misura la tensione d'uscita prima di collegarlo al circuito. Spesso è necessario impostare 9 V per ottenere effettivamente 12 V (a vuoto o con piccoli carichi).
Big fan of ƎlectroYou!       Ausili per disabili e anziani su ƎlectroYou
Caratteri utili: À È É Ì Ò Ó Ù α β γ δ ε η θ λ μ π ρ σ τ φ ω Ω º ª ² ³ √ ∛ ∜ ₀ ₁ ₂ ₃ ₄ ₅ ₆ ∃ ∄ ∆ ∈ ∉ ± ∓ ∾ ≃ ≈ ≠ ≤ ≥
Avatar utente
Foto UtenteGuidoB
17,8k 7 12 13
G.Master EY
G.Master EY
 
Messaggi: 2809
Iscritto il: 3 mar 2011, 16:48
Località: Madrid

0
voti

[23] Re: Barra lampeggiante polizia e ambulanza a LED

Messaggioda Foto UtenteMacelettronic » 13 ott 2014, 15:05

Ragazzi non vi ho abbandonato, ma sono stato fuori città quindi non ho avuto modo di controllare il forum.
Vi chiedo scusa per il ritardo quindi. :oops:

Rispondo uno per volta:
Foto UtenteGuidoB per le auto della polizia io pensavo dimettere due interruttori ON-OFF-ON da usare così:
uno per accendere i led blu o fissi oppure con lampeggio, il secondo interruttore per comandare i led gialli, anche questi o rimangono fissi, oppure lampeggiano alternati tra di loro.
Il "gioco" di luci, quindi un effetto flash casuale sarebbe bello usarlo per le ambulanze che hanno nella realtà questi giochi di luce.
Ovviamente se l'interruttore lo imposto su OFF spengo del tutto i led a cui è collegato.
Se ho capito bene il secondo schema in cui hai inserito gli interruttori, funziona come dico io, giusto?
Mentre se volessi creare l'effetto gioco di luci per le ambulanze uso sempre lo stesso schema?
Scusa ma mi sto confondendo sorry
Io prendo come esempio sempre quei due video che avevo postato ad inizio discussione.

Foto UtenteRussell tutto chiaro o quasi, nel senso devo rileggerlo con più calma, ho dato una lettura veloce e credo di aver capito a cosa servono i due diodi dello schema, mi sono solo confuso quando dici che se il clock ed il contatore sono "bassi" i diodi mandano 0,7V al led quindi questo si accende, poi sotto mi dici che se uno o entrambi sono "bassi", il diodo in conduzione forzata manda 0,7V al led e lo tiene spento, scusa ma qui mi sono confuso :-?
Avatar utente
Foto UtenteMacelettronic
55 2 6
Frequentatore
Frequentatore
 
Messaggi: 212
Iscritto il: 1 feb 2012, 11:08

0
voti

[24] Re: Barra lampeggiante polizia e ambulanza a LED

Messaggioda Foto UtenteRussell » 13 ott 2014, 15:23

Macelettronic ha scritto:mi sono solo confuso quando dici che se il clock ed il contatore sono "bassi" i diodi mandano 0,7V al LED quindi questo si accende


in tal caso NON si accende, hai letto male :mrgreen:

se hai problemi chiedi pure
Avatar utente
Foto UtenteRussell
3.373 3 5 9
Master
Master
 
Messaggi: 2193
Iscritto il: 4 ott 2009, 10:25

0
voti

[25] Re: Barra lampeggiante polizia e ambulanza a LED

Messaggioda Foto Utenteclaudiocedrone » 13 ott 2014, 17:36

:-) Ciao Foto UtenteMacelettronic; hai scritto che conosci i diodi solo come raddrizzatori... bene, e perché si usano come raddrizzatori ? Perché (entro certi limiti) si lasciano attraversare dalla corrente in un solo verso ;-) ; vedi se ragionando su questo riesci a comprendere meglio la loro funzione nei circuiti che ti sono stati suggeriti. O_/
"Non farei mai parte di un club che accettasse la mia iscrizione" (G. Marx)
Avatar utente
Foto Utenteclaudiocedrone
21,3k 4 7 9
Master EY
Master EY
 
Messaggi: 15302
Iscritto il: 18 gen 2012, 13:36

0
voti

[26] Re: Barra lampeggiante polizia e ambulanza a LED

Messaggioda Foto UtenteMacelettronic » 13 ott 2014, 18:57

Russel scusa ma la stanchezza fa brutti scherzi (:OOO:)
Ora è molto più chiaro :-)

Claudiocedrone, per me i diodi sono come una valvola di non ritorno, per usare un esempio idrico, quindi entro xV il diodo fa passare la corrente solo in un verso ( che se non erro è l'opposto della direzione che indica la freccia), superati questi V, il diodo fa passare la corrente da entrambi i lati, giusto?
Ma io continuo a non capire questo schema postato qualche risposta fa, io vedo il polo negativo collegato direttamente al led, mentre il polo positivo lo vedo che si sdoppia e va al led, al contatore ed al clock, passando dai diodi. Non capisco come possano lampeggiare i led se comunque al led arrivano entrambi i poli (sempre per come lo leggo io), mi viene più logico pensare che i led possano lampeggiare per come lo ha disegnato Russell, perché li vedo un polo negativo che va al led ed il positivo che arriva passando prima dal clock e dal contatore.
Il dubbio su cosa servissero quei diodi mi è nato da qui, pensavo che avessero una funzione diversa. :oops:

Posto lo schema che non capisco e sotto quello di Russell.



Mentre questo è quello di Russell

Avatar utente
Foto UtenteMacelettronic
55 2 6
Frequentatore
Frequentatore
 
Messaggi: 212
Iscritto il: 1 feb 2012, 11:08

0
voti

[27] Re: Barra lampeggiante polizia e ambulanza a LED

Messaggioda Foto Utenteclaudiocedrone » 13 ott 2014, 19:35

:-) Sta tutto nella differenza di tensione di soglia (cioè la minima differenza di potenziale necessaria alla conduzione) tra il diodo (da 0,3 V a 0.7 V ca. a seconda del tipo di diodo) e il diodo LED (minimo 1,6-1,8 V fino a oltre 3 V a seconda del tipo e soprattutto colore dei LED); se rileggi attentamente la spiegazione del circuito che non comprendi è scritto li ;-)... in pratica quando i diodi vanno in conduzione la tensione ai capi del LED c'è ma non è sufficiente ad accenderlo (peraltro i LED si polarizzano inversamente rispetto ai diodi "raddrizzatori") e viceversa. O_/
P.s. Superata una certa tensione i diodi "raddrizzatori" non conducono in entrambi i versi ma vanno in effetto valanga rompendosi ;-)
"Non farei mai parte di un club che accettasse la mia iscrizione" (G. Marx)
Avatar utente
Foto Utenteclaudiocedrone
21,3k 4 7 9
Master EY
Master EY
 
Messaggi: 15302
Iscritto il: 18 gen 2012, 13:36

1
voti

[28] Re: Barra lampeggiante polizia e ambulanza a LED

Messaggioda Foto UtenteGuidoB » 13 ott 2014, 23:38

Macelettronic ha scritto:Il "gioco" di luci, quindi un effetto flash casuale sarebbe bello usarlo per le ambulanze che hanno nella realtà questi giochi di luce.
...
Mentre se volessi creare l'effetto gioco di luci per le ambulanze uso sempre lo stesso schema?
Scusa ma mi sto confondendo sorry
Io prendo come esempio sempre quei due video che avevo postato ad inizio discussione.

Direi che puoi usare lo stesso schema anche per le ambulanze, aggiungendo più diodi LED visto che le ambulanze hanno un mucchio di lucette.

L'effetto di lampeggio in questo circuito non è "casuale", ma anzi cadenzato con molta regolarità, come del resto si vede nel video dell'ambulanza. È una conseguenza dell'uso di un solo oscillatore da cui vengono ricavate varie frequenze con divisori.

Macelettronic ha scritto:Foto UtenteGuidoB per le auto della polizia io pensavo dimettere due interruttori deviatori ON-OFF-ON da usare così:
uno per accendere i LED blu o fissi oppure con lampeggio stroboscopico , il secondo interruttore deviatore per comandare i LED gialli, anche questi o rimangono fissi, oppure lampeggiano alternati tra di loro.
...
Se ho capito bene il secondo schema in cui hai inserito gli interruttori, funziona come dico io, giusto?

Non esattamente. Se vuoi utilizzare i due deviatori che dici, e non i quattro interruttori che avevo inserito io, devi modificare leggermente lo schema e aggiungere due diodi 1N4148 o equivalenti:

Così funziona come dici tu.

In questo schema ho inserito vari LED in serie per evidenziare che se ne possono mettere più di uno (max 4 gialli o 3 blu in serie con questa tensione), a patto di usare una tensione di 12 V ben stabilizzata e una resistenza di caduta su ogni ramo di valore ben calcolato.

È anche possibile inserire più rami in parallelo, come ho evidenziato nel caso dei LED blu (fino a un massimo di 4 rami per transistor, altrimenti bisogna operare altre modifiche).

O_/
Big fan of ƎlectroYou!       Ausili per disabili e anziani su ƎlectroYou
Caratteri utili: À È É Ì Ò Ó Ù α β γ δ ε η θ λ μ π ρ σ τ φ ω Ω º ª ² ³ √ ∛ ∜ ₀ ₁ ₂ ₃ ₄ ₅ ₆ ∃ ∄ ∆ ∈ ∉ ± ∓ ∾ ≃ ≈ ≠ ≤ ≥
Avatar utente
Foto UtenteGuidoB
17,8k 7 12 13
G.Master EY
G.Master EY
 
Messaggi: 2809
Iscritto il: 3 mar 2011, 16:48
Località: Madrid

1
voti

[29] Re: Barra lampeggiante polizia e ambulanza a LED

Messaggioda Foto UtenteMacelettronic » 15 ott 2014, 15:30

Foto UtenteGuidoB grazie sei stato gentilissimo. ^_^
Posso fare quindi l'ordine online con le componenti che hai indicato nello schema?
Qui da me non trovo tutto, quindi devo per forza fare un ordine online con la scocciatura di dover pagare le spese di spedizione incz
Così adesso che arriva il freddo la domenica invece di stare fuori a prendere freddo che alla mia età inizia a fare male, mi dedico al modellismo :mrgreen:

Foto Utenteclaudiocedrone grazie per la spiegazione, inizia a diventare più chiaro lo schema :-)

Qualcuno conosce qualche sito in cui non si pagano le spese di spedizione o non li fa pagare con ordini piccoli? Quelli che conosco io devo fare almeno un ordine di 100€ per non pagare le spese di spedizione :(
Avatar utente
Foto UtenteMacelettronic
55 2 6
Frequentatore
Frequentatore
 
Messaggi: 212
Iscritto il: 1 feb 2012, 11:08

1
voti

[30] Re: Barra lampeggiante polizia e ambulanza a LED

Messaggioda Foto UtenteRussell » 15 ott 2014, 15:34

Macelettronic ha scritto:Qualcuno conosce qualche sito in cui non si pagano le spese di spedizione


Io di solito faccio cosi':

http://www.aliexpress.com/item/Free-Shipping-10PCS-CD4001BE-CD4001-DIP-14/1947463724.html

Puo' passare un mesetto per averlo in mano, quando non hai fretta conviene.
Avatar utente
Foto UtenteRussell
3.373 3 5 9
Master
Master
 
Messaggi: 2193
Iscritto il: 4 ott 2009, 10:25

PrecedenteProssimo

Torna a Elettronica generale

Chi c’è in linea

Visitano il forum: Nessuno e 211 ospiti