LM317 corrente pulsante
Moderatori:
carloc,
g.schgor,
BrunoValente,
IsidoroKZ
2
voti
Le misure sono state fatte prendendo la tensione ai capi di Ri (100 ohm). Su Vin ho un'onda quadra di frequenza 10kHz e ampiezza 1V.
Iout
Fronte di salia
Ritardo della corrente rispetto alla tensione di ingresso
(l'onda che presenta quella notevole sovraelongazione è la quadra in ingresso)
Iout
Fronte di salia
Ritardo della corrente rispetto alla tensione di ingresso
(l'onda che presenta quella notevole sovraelongazione è la quadra in ingresso)
Atlant.
Behind every great man is a woman rolling her eyes.
Behind every great man is a woman rolling her eyes.
2
voti
Le seguenti misure sono state prese nelle stesse condizioni di prima, però a una frequenza di 100kHz
Iout
Fronte di salita
Ritardo della corrente rispetto alla tensione di ingresso
Sembra che si comporti bene, che dite provo a collegare il VCSEL?
Mi sembra che la banda del circuito così com'è sia sufficente per la mia applicazione, però per dimostrarlo in modo rigoroso avrei bisogn del modello di piccolo segnale del VCSEL dico bene?
Iout
Fronte di salita
Ritardo della corrente rispetto alla tensione di ingresso
Sembra che si comporti bene, che dite provo a collegare il VCSEL?
Mi sembra che la banda del circuito così com'è sia sufficente per la mia applicazione, però per dimostrarlo in modo rigoroso avrei bisogn del modello di piccolo segnale del VCSEL dico bene?
Atlant.
Behind every great man is a woman rolling her eyes.
Behind every great man is a woman rolling her eyes.
2
voti
spud ha scritto:Sembra che si comporti bene, che dite provo a collegare il VCSEL?
beh, prima o poi dovrai pur collegarlo...
spud ha scritto:Mi sembra che la banda del circuito così com'è sia sufficente per la mia applicazione, però per dimostrarlo in modo rigoroso avrei bisogn del modello di piccolo segnale del VCSEL dico bene?
Dipende dal grado di accuratezza che richiedi al tuo modello. Se vuoi, se ne può parlare.
-

EnChamade
6.498 2 8 12 - G.Master EY

- Messaggi: 588
- Iscritto il: 18 giu 2009, 12:00
- Località: Padova - Feltre
0
voti
EnChamade ha scritto:beh, prima o poi dovrai pur collegarlo...![]()
Magari, come prima prova, imposta una protezione di corrente dell'alimentatore a un valore di sicurezza e lavora con correnti sotto questo valore.
Eh si non hai torto
EnChamade ha scritto:Dipende dal grado di accuratezza che richiedi al tuo modello. Se vuoi, se ne può parlare.
Diciamo che non ho la pretesa di trasmettere dati a velocità di Gb/s ma mi piacerebbe fare una cosina completa, con lo studio dinamico dell'anello.
Ho cercato qualche articolo su scholar.google.com ma la maggior parte si concentra sulla dinamica dell'emissione luminosa più che del circuito equivalente elettrico.. Dici che potrei riuscire a caratterizzare i parametri del circuito equivalente elettrico in laboratorio?
Atlant.
Behind every great man is a woman rolling her eyes.
Behind every great man is a woman rolling her eyes.
9
voti
spud ha scritto:Diciamo che non ho la pretesa di trasmettere dati a velocità di Gb/s ma mi piacerebbe fare una cosina completa, con lo studio dinamico dell'anello.
Bhè il discorso, come detto, è complesso e dipende dalla banda che ti serve (cosa che, per altro, non ho ancora capito). Comunque direi che qui sei limitato dall'operazionale.
Aggiungo alcune mie considerazioni ed osservazioni sul problema, sperando di non annoiare eccessivamente.
Per fare le cose rigorose, assumiamo questo modello lineare attorno ad un punto di lavoro:
anche se, già qui, stiamo tralasciando eventuali altri parametri parassiti che però dovrebbero essere del tutto trascurabili in questa applicazione.
In questo modello abbiamo che
,
,
,
,
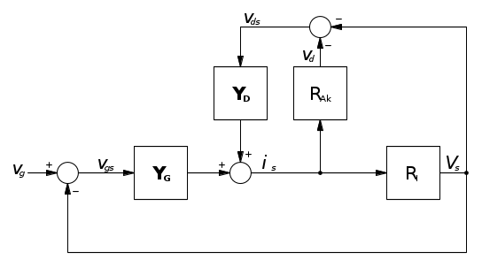
dipendono dal punto di lavoro attorno a cui si opera la linearizzazione. Quindi, bisognerebbe testare la stabilità su ogni possibile punto di lavoro in modo da essere sicuri che il tutto funzioni; tipicamente si può però fare il test su tre punti: il nominale, quello a minor corrente e uno intermedio.Se volessimo fare i conticini per bene, da quel modello tiriamo fuori uno schema a blocchi del mosfet come il seguente:
dove, se non ho sbagliato i conti perché li ho fatti ieri sera prima di andare a letto, hai




dove
.Ora, guardando il datasheet del BS170, i valori delle capacità suggeriscono che, a frequenze fino alla decina di MHz, possiamo assumere
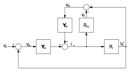
.Per quanto riguarda il tuo laser, non lo conosco e non ci ho pensato molto. Come prima cosa, io proverei a linearizzare localmente in questo modo:
dove la resistenza
è la resistenza differenziale della transcaratteristica,
è la resistenza serie,
è la "capacità di cavità".Poi, vedendo i tempi di commutazioni dichiarati nel datasheet, direi che la "capacità di cavità" possa essere trascurata e quindi il tuo modello diventa una pura resistenza (che varia col punto di lavoro
A questo punto, lo schema a blocchi dello stadio di uscita diventa il seguente
Dove si possono ancora fare delle approssimazioni.
spud ha scritto:Ho cercato qualche articolo su scholar.google.com ma la maggior parte si concentra sulla dinamica dell'emissione luminosa più che del circuito equivalente elettrico..
Solitamente, credo, questi aggeggi sono utilizzati in un regime commutatorio fra due livelli di corrente prestabiliti. Qui si usano tecniche (anche a retroazione positiva) per diminuire i tempi di commutazione ma non c'è un anello da studiare. Tu invece vuoi controllare in modo preciso il livello di corrente che scorre in esso.
-

EnChamade
6.498 2 8 12 - G.Master EY

- Messaggi: 588
- Iscritto il: 18 giu 2009, 12:00
- Località: Padova - Feltre
1
voti
Ciao, ti ringrazio ancora per la mega spiegazione, ne farò tesoro.
Ho bisogno che mi segua bene la tensione di ingresso a 100kHz, di più non mi serve.
Ho fatto qualche calcolo per vedere i punti di lavoro del transistore e ho concluso che siamo sempre in sturazione:
Ad esempio con
avrei:



il datasheet del laser mi da 1.6V a 2.2V @If=7mA, io ho preso la massima supponendo che essendo l'andamento della tensione logaritmico in funzione della corrente, essa non aumenti tanto all'aumentare della corrente.
A questo punto dal grafico del datasheet:
ho
A questo punto riducendo la corrente di source mi si abbassa la tensione sul diodo e sulla resistenza per cui la Vgs mi sale portandomi ancora più in saturazione, dico cavolate?
Se questo ragionamento è giusto ora avrei solo bisogno di misurare la resistenza di piccolo segnale del laser e macinare un po' di conti per arrivare alla funzione di trasferimento.
EnChamade ha scritto:Bhè il discorso, come detto, è complesso e dipende dalla banda che ti serve (cosa che, per altro, non ho ancora capito). Comunque direi che qui sei limitato dall'operazionale.
Ho bisogno che mi segua bene la tensione di ingresso a 100kHz, di più non mi serve.
Ho fatto qualche calcolo per vedere i punti di lavoro del transistore e ho concluso che siamo sempre in sturazione:
Ad esempio con
avrei:


il datasheet del laser mi da 1.6V a 2.2V @If=7mA, io ho preso la massima supponendo che essendo l'andamento della tensione logaritmico in funzione della corrente, essa non aumenti tanto all'aumentare della corrente.A questo punto dal grafico del datasheet:
ho

A questo punto riducendo la corrente di source mi si abbassa la tensione sul diodo e sulla resistenza per cui la Vgs mi sale portandomi ancora più in saturazione, dico cavolate?
Se questo ragionamento è giusto ora avrei solo bisogno di misurare la resistenza di piccolo segnale del laser e macinare un po' di conti per arrivare alla funzione di trasferimento.
Atlant.
Behind every great man is a woman rolling her eyes.
Behind every great man is a woman rolling her eyes.
5
voti
spud ha scritto:o bisogno che mi segua bene la tensione di ingresso a 100kHz, di più non mi serve.
Ok, però non basta per definire la banda che ti serve.
Io, solitamente, procedo in questo modo. Definisco il tempo di salita al gradino che vorrei che il mio sistema avesse. Definito quello, stimo la banda di partenza supponendo che il sistema ad anello chiuso si comporti come un primo ordine:
.E' chiaramente un'approssimazione ma che mi da una stima minima della banda che mi serve. Poi, sperimentalmente, se vedo che non mi basta, la ritocco in un secondo momento.
spud ha scritto:Ho fatto qualche calcolo per vedere i punti di lavoro del transistore e ho concluso che siamo sempre in saturazione.
Deve essere così, altrimenti il modello lineare assunto per il MOS non è valido. Dall'analisi fatta fino ad ora, era ipotizzato che il circuito fosse dimensionato in modo da far lavorare il MOS sempre in saturazione. Mi ero però dimenticato di scriverlo e quindi hai fatto bene a puntualizzarlo.
spud ha scritto:A questo punto riducendo la corrente di source mi si abbassa la tensione sul diodo e sulla resistenza per cui la Vgs mi sale portandomi ancora più in saturazione, dico cavolate?
Se questo ragionamento è giusto ora avrei solo bisogno di misurare la resistenza di piccolo segnale del laser e macinare un po' di conti per arrivare alla funzione di trasferimento.
Se quello che volevi dire è:
"A parità di tensione d'ingresso, se la corrente del LASER si abbassa per qualche motivo, allora si abbassa la tensione sul diodo e sulla resistenza per cui la Vgs mi sale ristabilendo la corrente di partenza e l'originario punto di lavoro."
allora si.
Se invece muovi il riferimento verso il basso, cala la Vgs perché deve calare la corrente che scorre sul suorce. Se però, alla massima corrente il MOS è in saturazione, allora rimarrà in saturazione anche se setto correnti più basse. Chiaramente a corrente 0 il MOS esce dalla saturazione e si spegne: qui il controllo imporrà una tensione di gate più bassa di Vth che però non è definita. In pratica, l'anello di controllo ti garantirà che questa non sia tale da accendere il MOS ma non ti garantirà il suo valore preciso. Questo è un punto in cui il sistema non lavora più in linearità e quindi dovrà essere valutato più che altro per vedere se i tempi di recupero di una situazione controllata (riaccensione della corrente del LASER) sia sufficientemente basso.
Comunque, così ad occhio, secondo me conoscere precisamente la caratteristica del LASER non è così fondamentale per il modello. Prova però a buttare giù qualche conto calcolando le funzioni di trasferimento usando il modello nel post [75]. Prova anche a verificare se si possono fare approssimazioni di qualche sorta.
-

EnChamade
6.498 2 8 12 - G.Master EY

- Messaggi: 588
- Iscritto il: 18 giu 2009, 12:00
- Località: Padova - Feltre
1
voti
Si intendevo che spostando il riferimento verso il basso, forse mi sono spiegato in modo un po' contorto ma ora ci siam, mi torna tutto
Parlando di banda ho fatto questo ragionamento, vorrei poter seguire un riferimento che pulsa a
quindi avrei un periodo di
, supponendo un duty cycle del 50% avrei questa situazione ideale
ora per avere un'onda quadra che stia alta per un tempo sufficiente ho imposto che il tempo di salita sia un decimo del tempo per cui il segnale sta alto quindi

approssimando al primo ordine, mi servirebbe una banda di almeno

Forse la mia specifica sul tempo di salita è troppo rigida, però vedo cosa riesco a ottenere, nel caso sono sempre in tempo a ridurre.
Mi metto a macinare conti con quello che mi hai consigliato, vediamo cosa esce
Parlando di banda ho fatto questo ragionamento, vorrei poter seguire un riferimento che pulsa a
quindi avrei un periodo di
, supponendo un duty cycle del 50% avrei questa situazione idealeora per avere un'onda quadra che stia alta per un tempo sufficiente ho imposto che il tempo di salita sia un decimo del tempo per cui il segnale sta alto quindi

approssimando al primo ordine, mi servirebbe una banda di almeno

Forse la mia specifica sul tempo di salita è troppo rigida, però vedo cosa riesco a ottenere, nel caso sono sempre in tempo a ridurre.
Mi metto a macinare conti con quello che mi hai consigliato, vediamo cosa esce
Atlant.
Behind every great man is a woman rolling her eyes.
Behind every great man is a woman rolling her eyes.
1
voti
Piccola flash news: ho collegato il laser ed è tutto ok, lo vedo lampeggiare con la fotocamera del telefono (ho fatto anche le misure ovviamente, ma quella della fotocamera è stata la prima prova pratica che mi è venuta in mente non avendo ancora costruito il rivelatore).
Già che sono qui, mentre prendo a pugni lo schema a blocchi, metto matlab a tirare su un po' di misure della tensione sul dispositivo al variare della corrente, giusto per la curiosità di vedere cosa viene fuori.
Già che sono qui, mentre prendo a pugni lo schema a blocchi, metto matlab a tirare su un po' di misure della tensione sul dispositivo al variare della corrente, giusto per la curiosità di vedere cosa viene fuori.
Atlant.
Behind every great man is a woman rolling her eyes.
Behind every great man is a woman rolling her eyes.
Chi c’è in linea
Visitano il forum: Google [Bot] e 363 ospiti

Elettrotecnica e non solo (admin)
Un gatto tra gli elettroni (IsidoroKZ)
Esperienza e simulazioni (g.schgor)
Moleskine di un idraulico (RenzoDF)
Il Blog di ElectroYou (webmaster)
Idee microcontrollate (TardoFreak)
PICcoli grandi PICMicro (Paolino)
Il blog elettrico di carloc (carloc)
DirtEYblooog (dirtydeeds)
Di tutto... un po' (jordan20)
AK47 (lillo)
Esperienze elettroniche (marco438)
Telecomunicazioni musicali (clavicordo)
Automazione ed Elettronica (gustavo)
Direttive per la sicurezza (ErnestoCappelletti)
EYnfo dall'Alaska (mir)
Apriamo il quadro! (attilio)
H7-25 (asdf)
Passione Elettrica (massimob)
Elettroni a spasso (guidob)
Bloguerra (guerra)





